搜索
首页
大数快讯
大数活动
服务超市
文章专题
出海平台
流量密码
出海蓝图
产业赛道
物流仓储
跨境支付
选品策略
实操手册
报告
跨企查
百科
导航
知识体系
工具箱
更多
找货源
跨境招聘
DeepSeek
首页
>
用CPK数据评估富士冲头的量产品
>
0
0
用CPK数据评估富士冲头的量产品
吕华智造全球信赖
2015-10-26
0
导读:经验告诉我们只要出发点是好的,是为客户着想的,即使有再大的阻力,最终也会得到“神”的帮助。
现状及存在的问题:
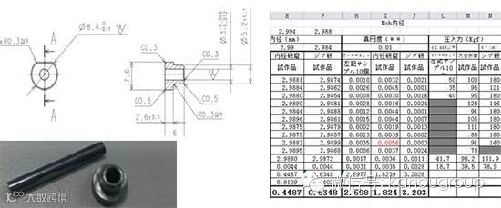
如下图片组装好的冲针在使用过程中脱落, 此脱落部品一直是用线割加工,我们在调查时针对这个工艺作了CPK数据调查。从下记表中看到线割的真圆度值和内径值不均匀,压入值只有期望压入值90Kgf的一半。我们知道线割是以高
温度
腐蚀性的加工,像日本很多精度高性能要好的产品尽可能会不选用线割来加工,而是选用磨。也由此客户要求改用JG研磨或是内圆磨加工。
现状及存在的问题:
上记客户提到的加工方法我们都一一进行试作,但是在试作中发现成本很高。所以向客户提出CNC数控车。最初无论我们的团队怎样说明情况,客户坚决不同意。以我们在国内的加工经验,JG研磨并不适全量产,并且由于机台昂贵成本会翻2倍以上,在人工成本上涨经济不景气的现实客户承受不了这样的成本上涨。内圆研磨因为要2次装夹,并且每次都要校表,经验不足或是不小心报废率就极高。当时我们抱着必死的决心按照排好的工艺紧急试作了10个。然后用3次元测它们的真圆度和内径尺寸,用轮廓仪测内径光洁度,再用钨钢针规复测内径。把这些测得的数据整理CPK
报告
提给客户。客户看了所有的尺寸都在图纸公差内并且很均匀,这时客户心软的同意用压入机压入看看它们的压力值。10个压完后最低值也有195Kgf,最高值达到260Kgf,比期望值90Kgf还超出很多。就样客户在满意的微笑中同意改用CNC数控车加工(下记格黄色栏是车床试作品的CPK数据,它旁边是内径研磨和JG研磨的CPK数据)。
经验告诉我们只要出发点是好的,是为客户着想的,即使有再大的阻力,最终也会得到“神”的帮助。
深圳
市华能金日科技
微信号:kanougroup
KANOU Group是一支年轻,有活力的,有能力的专业化团队。我们会一如既往地聚焦在汽车生产设备零件加工和触摸屏玻璃盖板加工领域,为全体员工的物质与精神两方面幸福努力,为合作伙伴创造收益,为人类的进步发展作出贡献!
【声明】内容源于网络
0
0
吕华智造全球信赖
吕华企业|全球产业设备零组件智造专家!服务20+世界500强/全球300+行业龙头。凯路精密(精密零组件)与够力拉(显示模组)双擎驱动,医疗-半导体-自动化-航天航海设备非标零组件定制。日式品控体系,世界级工艺标准,国内外多地现地化管理。
内容
1015
粉丝
0
关注
在线咨询
吕华智造全球信赖
吕华企业|全球产业设备零组件智造专家!服务20+世界500强/全球300+行业龙头。凯路精密(精密零组件)与够力拉(显示模组)双擎驱动,医疗-半导体-自动化-航天航海设备非标零组件定制。日式品控体系,世界级工艺标准,国内外多地现地化管理。
总阅读
583
粉丝
0
内容
1.0k
在线咨询
关注