EC20173-V01-8C2221警车语音芯片
一、功能说明:
供电方式:DC3V(AAA*2干电池),喇叭8欧0.25W直经21MM。一路按键输入控制,三路输出:2路LED、1路喇叭。触发按键音源报警声音乐播放一遍自动停,两个LED随音源闪烁。中途触发有效,音源重新开始播放。
多用于电子玩具上面;
二、电气参数:
工作电压:1.8V-5.0V;
工作电流:0.4mA;
静态电流:0.5uA;
驱动电流低电平输出:22mA;
驱动电流高电平输出:7mA;
工作温度:0摄氏度-+70摄氏度;
储存温度:-55摄氏度-+150摄氏度;
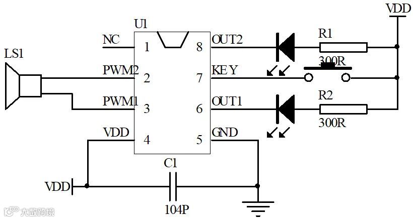
三、电路图参考:
深圳市丽晶微电子科技有限公司
芯片解决方案:
定时IC、触摸IC、太阳能IC、灯串IC、闪灯IC、语音音乐IC、电子蜡烛IC、红外遥控IC、升压稳压IC、标准品及开发设计IC
PCBA解决方案:
小家电PCBA、触摸台灯PCBA、化妆镜PCBA、人体感应PCBA、智能浴室镜方案、标准品及开发设计PCBA

