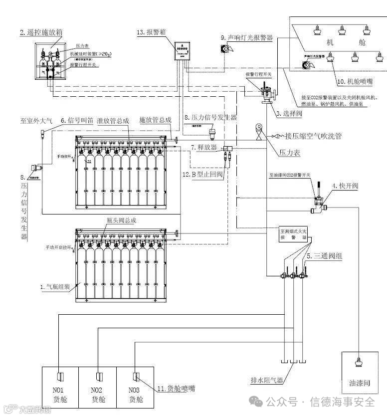
第一部分 固定式高压 CO2 灭火系统原理
系统主要由气瓶组、压力释放阀、集合管、控制箱、报警系统和喷嘴等组成。释放方式大致可分控制系统操作和应急手动两种。控制系统释放:打开系统控制箱门,触发释放预警报提醒被保护处所人员撤离,打开驱动气瓶阀门,进而触发主阀控制阀、瓶头阀控制阀等阀门,释放CO2。应急手动释放:打开分配箱主阀门和通向灭火区域控制阀,手动开启启动气瓶和增压作用气瓶的瓶头阀阀门,进而触发气瓶组释放CO2。
第二部分 常见检查要点
1、证书和文书的检查
2、灭火剂数量核算
3、CO2气瓶
|
|
99规则 |
2004规则及以后 |
钢瓶瓶体 |
应漆红色 |
建议红色 |
CO2字样 |
应漆黄色 |
建议黄色 |
4、CO2管路检查
(3)总管上的压力表
(4)在总管或分配阀箱上应装设压缩空气吹洗管接头。
(5)管路压力释放阀检查
(6)单向阀
5、释放控制装置
6、货舱分级释放
7、报警装置
8、瓶头阀插销
船上固定式二氧化碳灭火系统释放同时存在两套操作方式:
1、气动启动,该释放操作流程船员基本能够掌握。
2、手动启动,这也是船员最担心因误操作而意外释放,从而引起人员伤亡的释放方式。
目前基本所有瓶头阀安装好安全销,有两种情况:
1、插上安全销,不能气动启动,不能手动启动。阻却了“随时可用”的状态,不满足法规要求,不能安装插销。
2、插上安全销,可以气动启动,不能手动启动。需要时可以开启灭火系统,应该安装插销。
9、钢瓶存放处所
10、钢瓶称重装置
来源:南京海事
联系主编:陈洋 15998511960


