Title: Finite-time H∞ control and energy cost optimization for nonlinear delayed systems through switching analysis and interval matrix method
1. 研究意义
非线性时滞时变系统是许多实际复杂系统的重要建模工具。与线性系统相比,非线性时变系统因其动态特性随时间变化,并常伴有非线性行为(如饱和、迟滞、跳变等),展现出更加丰富的动力学特征。这种复杂性使得研究非线性时变系统的稳定性和镇定性问题变得更加困难。同时,在机器人与自动化以及电力与能源系统等领域中,外部扰动的存在是不可避免的。由此,一个亟待解决的研究难题浮现:如何在抑制外部扰动对输出变量影响的同时,保证系统实现预期性能?有限时间控制作为一种有效方法,通过在有限时间内确保系统内部稳定性,同时约束外部扰动对系统输出的影响,为这一问题提供了可行的解决方案。
此外,如果不考虑控制成本,系统通常能够保持可控状态并实现镇定性。然而,另一方面,即便系统在理论上具备可控性,若控制过程需要耗费无限的能源成本,其实际可控性便难以实现。因此,在确保非线性时滞时变系统实现有限时间镇定性的前提下,如何最小化控制器的能源消耗,成为了我们研究的核心问题。
2. 本文工作
为了解决上述问题,本文首先采用切换分析对系统进行精确分析与重新建模,并结合区间矩阵法有效应对时变系数带来的复杂性与挑战。由此,非线性时滞时变系统被转化为一系列由凸组合形式表示的特殊不确定切换子系统。此外,本文推导出保证系统有限时间有界性和有限时间 控制的充分矩阵条件,并通过实施分段状态反馈控制,显著减少了控制器能源消耗冗余,实现了精确控制。随后,结合两种切换策略与优化算法,以最小化控制器能源成本为目标,本文求解了全局最优切换点,并设计了对应的优化分段状态反馈控制器。最后,通过三个具体数值实例进一步验证了所提方法与结论的有效性和实用性。
本文的创新点如下:
(1) 切换分析和区间矩阵法被用来处理系统的时变参数,从而将非线性时变系统视为一类特殊的不确定切换子系统,这些子系统的时变参数被包含在一个闭包内。
(2) 基于上述的切换分析和区间矩阵法,本文提出了一种新型分段状态反馈控制器,用于对各切换子系统施加更加精确的控制。
(3) 本文引入了两种切换策略,并结合基于全局搜索算法的优化算法,以精确确定切换点,旨在实现控制器能源成本的全局最小化。
Figure 1 Example of switching sequence where means the subsystem active time.
3. 实验结果
本文所提出的定理、结论和方法通过MATLAB软件对三个数值实例进行了验证。
在数值实例一中,采用时间平均分段切换策略,设计1-阶段式、2-阶段、3-阶段式分段状态反馈控制器,并在时间间隔为10秒的仿真中研究了系统的有限时间有界性、性能指标和控制器能源消耗。
Figure 2 2D phase trajectories of nonlinear delayed systems without controller. (a)with initial condition; (b) with initial condition; (c) with initial condition; (d) with initial condition
.
Figure 3 Simulation results with controllers. (a) State responses of x(t) employing Strategy 1 under three types of controllers with; (b) Simulation results of with Strategy 1.
Figure 4 Controllers and performance index curves. (a) The trajectories of different controllers with Strategy 1; (b) Simulation results of and with zero initial value by 3-stage average PSFC.
Table 1 Energy cost by switching Strategy 1 and no switching
Controllers
|
1-stage
|
2-stage
|
3-stage
|
Energy cost
|
141.084
|
108.5024
|
95.3178
|
Improve efficiency
(compared to 1-stage)
|
|
23.09%
|
32.44%
|
在数值实例二中,基于全局搜索算法的优化切换策略被应用于实例一的基础上,以最小化控制器能源成本为目标,求解了全局最优切换点,并设计了相应的优化分段状态反馈控制器。
Figure 5 Energy cost simulation diagrams. (a) versus switching time ; (b) versus switching times t1 and t2
.
Figure 6 State responses of adopting Strategy 2 for 20 sets of different initial values. (1) State responses under the optimized 2-stage PSFC. (2) State responses under the optimized 3-stage PSFC.
Table 2 Energy cost by switching Strategy 2 and no switching
Controllers
|
1-stage
|
2-stage
|
3-stage
|
Energy cost
|
141.084
|
100.274
|
86.9794
|
Improve efficiency
(compared to 1-stage)
|
|
28.93%
|
38.34%
|
Improve efficiency
(compared to Strategy 1)
|
|
5.84%
|
5.9%
|
Running time
|
0.0019 h
|
0.2362 h
|
3.449 h
|
值得注意的是,表1和表2显示,策略2相比于策略1在降低控制器能源成本方面具有更明显的效果。从表2可以看出,随着非线性时滞时变系统划分的子系统数量增加,能源成本逐渐降低。然而,更多的子系统会使控制器的实现变得更加复杂,同时增加程序运行时间的冗余。因此,在实际应用中,必须综合考虑控制性能与实现复杂度之间的平衡。对于本应用示例,优化后的两阶段分段状态反馈控制器已足够满足需求。
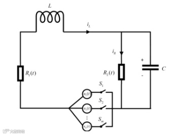
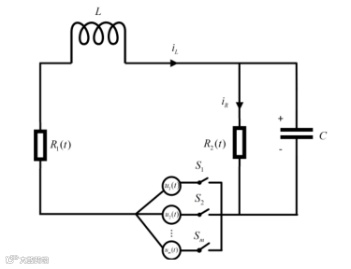
基于上述分析,本文在实例三中讨论了一个能量存储电路的应用示例,其中研究了优化后的2-阶段式分段状态反馈控制器和1-阶段式状态反馈控制器的应用。能量存储电路的示意图如下所示。
Figure 7 Schema of energy storing electrical circuit.
Figure 8 State trajectories of Example 3 without controller
.
Figure 9 State trajectories of Example 3 with two types of controllers
.Figure 10 The trajectories of two types of controllers in Example 3.
Table 3 Energy cost by the optimized 2-stage PSFC and 1-stage controller
Controllers
|
1-stage
|
2-stage
|
Energy cost
|
2.1939
|
0.91933
|
Improve efficiency
(compared to 1-stage)
|
|
58.096%
|
表3显示,在能量存储电路的示例中,优化后的两阶段分段状态反馈控制器同样在降低能源成本方面表现出显著优势。图8展示了系统在无控制器时的状态图,而图9则对比了采用1-阶段式状态反馈控制器与优化后的2-阶段式分段状态反馈控制器时的状态响应。图10描绘了优化后的2-阶段式状态反馈控制器与1-阶段式状态反馈控制器的轨迹对比。
引用形式:Chen, G., Zeng, H., Zhu, S. et al. Finite-time H∞ control and energy cost optimization for nonlinear delayed systems through switching analysis and interval matrix method. Sci. China Inf. Sci. 68, 139202 (2025). https://doi.org/10.1007/s11432-024-4266-9

