点点星标和关注⭐️精彩内容不迷路
方案一
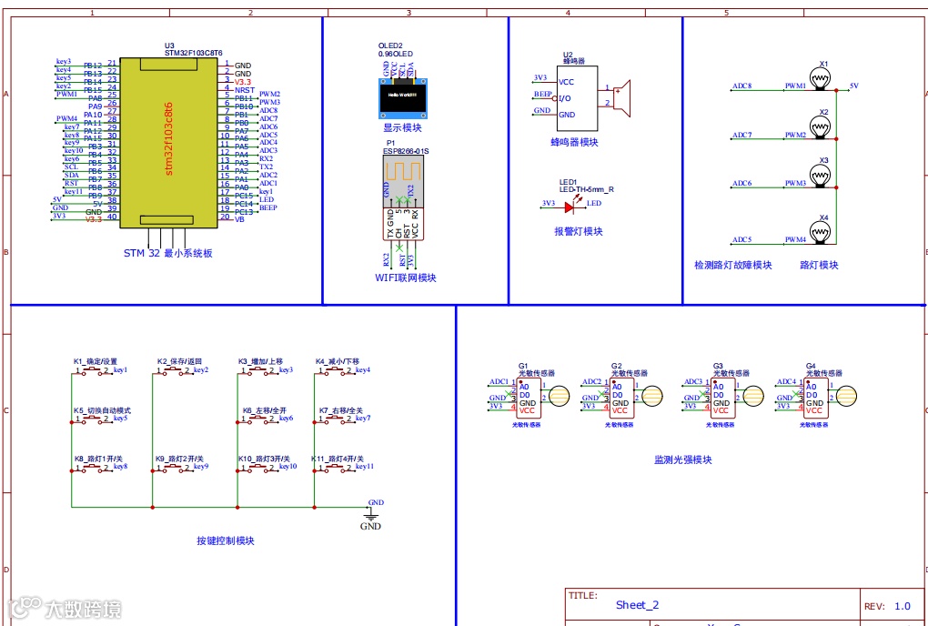
基于STM32f103c8t6的路灯监测故障控制系统
本系统使用stm32f103C8T6作为主控芯片,0.96寸OLED屏幕使数据可视化,ESP8622作为网络传输模块,使用WIFI协议连接阿里云服务器,并进行数据传输,同时连接移动端APP,四路ADC采集环境光强,PWN控制路灯(每个路灯由8片贴片高亮LED组成)强弱变化,以及蜂鸣报警器和红色LED灯参与报警,每个路灯配备一个光敏电阻,监测路灯是否故障。
功能介绍:
屏幕显示:共三个页面,首页面实时显示每个路灯的状态及该路灯区域的环境光强;第二个页面显示每个区域路灯打开的光强阈值以及故障路灯数量;第三个页面为设置每个区域的开、关灯阈值。三个页面通过按键1、2切换,按键1为设置/确定,按键2为保存/返回。设置阈值时可以单独设置某区域,也可统一设置所有区域。统一设置优先级高于单独设置,按键3,4,5,6切换行列以及增减阈值。
控制路灯:系统分为自动模式和手动模式。开机默认自动模式,自动模式下,四个路灯根据开关灯阈值来判断是否亮灯,路灯亮起时,亮度会随环境光强的强弱实时变化;按下任何一个控制路灯开关的按键时,切换为手动模式。按键5,6,8,9,10,11分别为全开,全关,路灯1、2、3、4的开关。全开全开优先级高于单独控制。手动模式下,按键7按下,切换会自动模式。
监测故障:用光敏电阻监测路灯是否故障,当该路灯应当亮起却未亮时,光敏电阻未检测出光照,认为该路灯故障。故障时,蜂鸣器报警2秒然后停止,红灯持续闪烁,直至故障消失。
数据传输:ESP8266WIFI模块使用AT指令入网,连接该区域无线账号密码,连接阿里云服务器后台,数据上传到阿里云。阿里云后台为自建APP和网页界面。传输使用唯一标识符,云端和设备分别解析,获取对应的指令。
APP显示及控制:APP为三个页面,首页面显示每个路灯状态及该区域环境光强、故障数量;地二个页面为按键控制页面,每个路灯的控制和自动模式的切换;第三个页面为阈值设置页面。首次使用时,需点击获取阈值。
如需下载方案附件,需复制链接到浏览器打开 https://www.eefocus.com/circuit/1412107.html
方案二
物联网毕设-智慧城市井盖(STM32+云平台+APP)
前言:
该系统由硬件端和APP端组成,硬件端包括STM32F103C8T6作为中控,配备温湿度传感器、压力传感器、MQ-4传感器、水位传感器等传感器来获取环境数据,并通过0.96寸OLDE显示设备状态,ESP8266-01s实现设备联网,蜂鸣器进行报警提示;而APP端使用MQTT协议与设备进行信息交互,展示底层设备数据并监测各种数据状态,提供远程设定传感器预警阈值的功能,实现远程监测和控制的智能化系统。
一 连线图
1 原理图
2.开发板本身自带一个LED ,这个LED作为我们查看网络连接状态和获取数据状态的说明
(1)OLED显示屏中会显示联网状态,若MCU上面的的LED处于闪烁状态,则说明我们的设备处于正常运行,若LED灯不再闪烁,请按复位键将程序手动复位一次
(2)硬件每隔3秒会向APP传输一次数据。
使用的时候设备会自动连接WIFI
热点名字:NET密码:12345678,请使用2.4GHZ频率的无线网。
2 PCB效果
3 实物效果
4 APP效果
5 功能概括
(1)硬件端
STM32F103C8T6:用于所有程序的中控和模块数据通信;
通过温湿度度传感器(DHT11)获取区域温度和湿度
0.96寸OLDE:用于显示当前设备状态;
ESP8266-01s:用于设备联网,实现远程APP查看;
压力传感器:用于检测井盖是否移位,回传压力数据
MQ-4传感器:用于检测甲醛是否超过阈值
水位传感器:用于检测水位是否超过预定阈值
蜂鸣器:用于设备报警和状态提示;
(2)APP端
使用MQTT协议与设备进行信息交互;
可采集到底层设备数据并且展示到界面UI中;
可以监测各种数据是否正常,数据不正常,就弹窗报警
可以远程设定传感的预警阈值
(3)云平台使用(阿里云)(需要可以找我获取)
只是链接各个设备使用,采用MQTT即时通讯;
(4)演示视频
链接:https://pan.baidu.com/s/1mtRDC5lO5acdLTInRE3LXQ?pwd=XZY0
提取码:XZY0
二 底层代码使用方式
1 使用说明
(1). 使用的时候设备会自动连接WIFI
热点名字:NET密码:12345678,请使用2.4GHZ频率的无线网。
2 下载程序
先根据原理图进行连线,连接好以后在做后面的操作
打开手机热点 热点名字:NET密码:12345678
打开程序(硬件由工作室出的可以忽略下载程序这部分)
三 APP使用方式
1 下载APP
(1)操作方式:
使用Android手机安装APK进行操控
安装Android studio导入项目使用模拟器
官网下载最新版本
https://developer.android.google.cn/studio?hl=zh-cn
安装包(工作室版本)链接:
https://pan.baidu.com/s/1DnRGWeJt7XBTmzqHj1KRSQ?pwd=xzy0
提取码:xzy0
安装教程
https://zhuanlan.zhihu.com/p/528196912
(2)使用说明
打开APP后设备会自动订阅MQTT主题,等待1-5秒APP会自动获取到设备上的数据,若5秒内没有获取到设备数据,则请检测设备是否在线,若在线,则请重新打开APP进行数据的获取
四 程序架构及修改(通用)
链接:
https://pan.baidu.com/s/1TZkvdEOp-ERgi-2A1o-KWw?pwd=XZY0
提取码:XZY0
APP参数修改
如需下载方案附件,需复制链接到浏览器打开 https://www.eefocus.com/circuit/1681960.html
END
以上内容来自【与非网-电路方案专题】,已授权,请大家多多关注。
相关推荐
行业社群
点点“在看”↘,与朋友分享你的世界
请戳“阅读原文”,查看更多资讯

