
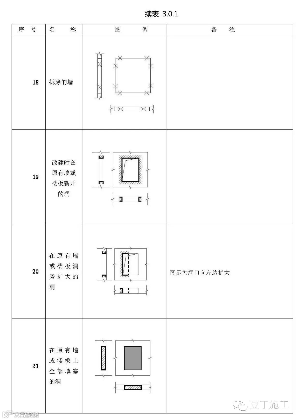
构造及配件图例应符合表3.0.1的规定














水平垂直运输装置图例应符合表3.0.2的规定




福利文章
【号外号外】二级建造师培训课程免费送了!!!!

欢迎加入QQ群:343778875(土木工程资料分享),规范、图集分享、学习、交流、探讨……
如果您觉得对您有帮助,请将此文转发给更多朋友,好东西,大家一起分享。

点击原文链接,更多惊喜等你哟!

AI土木通
构造及配件图例应符合表3.0.1的规定














水平垂直运输装置图例应符合表3.0.2的规定




福利文章

欢迎加入QQ群:343778875(土木工程资料分享),规范、图集分享、学习、交流、探讨……
如果您觉得对您有帮助,请将此文转发给更多朋友,好东西,大家一起分享。

点击原文链接,更多惊喜等你哟!
