
1、目的:
明确模板工程的标准做法,提高主体结构实测质量及观感质量,从而提升客户对于工程质量的满意度。
2、适用范围:
适用于xxxx公司所有在建及新建项目。
3、编制说明
本标准做法原则上要求所有在建及新建项目均按此做法执行,但鼓励总包将模板加固及安装做法定型化。
4、模板工程标准做法
4.1原材料
|
|
A1:墙柱板及梁侧模板为≥18mm厚黑模板或竹夹板,禁用红模板;梁底模板厚度≥40mm实木板,如梁底采用小于40mm模板,则在梁底加2根木方。 |
A2:楼板采用50X100mm的标准木枋(过刨)或方钢(型钢)。 |
|
|
A3:墙柱竖愣采用槽钢、方钢或50X100mm的标准木枋(过刨)。 |
A4:正负零以上楼板支撑体系采用钢管架,不得使用门式架作为支撑体系,推荐采用碗扣架或可调钢管架作为模板支撑体系。 |
4.2集中加工
|
|
A5:模板集中加工必须采用精密锯木机。 |
A6:锯木机旁边放置木屑收集箱和灭火器,每天工完场清。 |
|
|
A7:墙柱模板在集中加工场统一弹线钻洞,每块模板标注正反面。 |
A8:方木使用前应过刨,保证截面尺寸一致。 |
4.3测量放线
|
|
|
|
A9:模板放设上下口控制线,控制线距墙柱边300mm,在楼面钢筋安装前监理需按控制线复核墙梁位置。 |
|
4.4梁板支撑
|
|
A10:楼板支撑立管纵横向间距≤1.2m,扫地杆距楼面≤200mm,中间水平拉杆步距≤1.8m。 |
A11:楼板第一排立管距墙柱≤400mm,木枋距阴角≤150。 |
|
|
A12(1):楼板模板木枋间距≤300mm,立管顶托旋出长度≤300mm,不允许采用底托。 |
A12(2):楼板采用型钢支设,立管间距≤1.2m。 |
|
|
A13:梁支撑立管纵横向间距≤1.2m,梁底扫地杆距楼面≤200mm,中间水平拉杆步距1.8m。 |
A14:梁侧上下口采用收口木方,并用步步紧或卡箍加固,间距≤500mm。 |
|
|
A15(1):梁底木枋间距≤300mm,立管顶托旋出长度≤300mm,不允许采用底托。 |
A15(2)(推荐做法)梁底采用两条纵向方木,横向钢管直接支撑梁底,间距≤1.2m。 |
4.5梁板加固
|
|
A16:梁表面采用内撑条,间距≤800mm;内撑条须绑扎固定到位。 |
A17:外梁及楼梯间休息平台梁(外侧)增加对拉螺杆,间距≤600mm,螺杆对应梁部位放置内撑条。 |
|
|
A18:卫生间沉箱采用固定钢模,楼板面混凝土放坡2%,且不小于4cm。 |
A19:阳台降板10cm,长度≥3米阳台面混凝土放坡1%且不小于4cm;长度<3米阳台面混凝土放坡2%且不小于4cm;降板部位侧模采用固定钢模。 |
4.6墙柱、梁交接部位加固
|
|
A20:当梁≥550时,与墙柱交接处须另设对拉螺杆,梁中设置3道,间距500mm。 |
A21:梁墙交接处,梁侧模板伸入墙内或梁模伸入墙内不小于500mm。 |
4.7墙柱支撑
|
|
A22:墙柱侧模采用50×100标准木枋或槽钢或方钢,间距≤200。 |
A23:层高2.8-3m的墙柱必须设6排螺杆,螺杆间距≤500,第一排螺杆离地小于200,最上面一排螺杆小于300。 |
|
|
A24:外独立柱双向拉顶结合,楼面上预埋钢筋拉结点。 |
A25:外墙柱采用拉顶结合,楼面上预埋钢筋拉结点,斜拉间距≤2m,距墙柱边≤50cm。 |
|
|
A26:内剪力墙采用钢管对称斜撑,斜撑间距≤2m,距墙柱边≤50cm,楼板上预留钢筋支撑点。 |
|
4.8墙柱加固
|
|
A27:墙柱侧模拼接,小块模板必须放置在中部拼接,不允许在顶部或底部拼接。 |
A28:墙柱阴角采用方木收口,竖楞伸至方木底。 |
|
|
A29:安装外墙模板时,上层模板应深入下层墙体,下层墙体相应位置预留钢筋限位,以防跑模或错台。 |
A30:剪力墙采用可卡式内撑条,间距≤600mm;内撑条须绑扎固定到位。 |
|
|
A31:墙柱模板下口提前一天用砂浆封堵,保证强度。 |
A32:(别墅项目)墙柱底模板留设直径5cm的小孔,间距1m,浇注混凝土过程中封堵。 |
|
|
A33:现浇独立柱采用步步紧加固。 |
A34:墙柱模板缝隙采用双面胶封堵防止漏浆。 |
4.9梁板截面尺寸控制
|
|
A35:预制混凝土块用于控制楼板厚度,预制块兼做马镫用途。 |
A36:制作比梁宽小2mm的木板,工人进行梁模安装及监理验收时均采用此木板控制梁侧模垂直度及梁截面宽度。 |
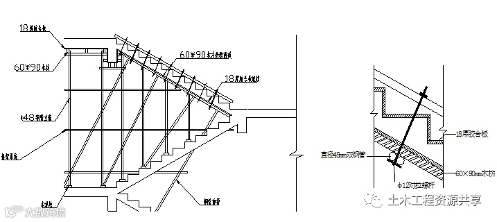
4.10楼梯支撑
|
A37:楼梯模板采用全封闭方式。 |
4.11二次构件
|
|
A38:构造柱上口预留牛腿斜口,采用对拉螺栓固定,一次浇筑完成;侧边采用双面胶封堵缝隙,防止漏浆。 |
|
|
|
A39:砼腰梁采用卡箍加固,间距≤500mm;腰梁侧模上下口采用5×10cm方木;下口采用双面胶封堵缝隙,防止漏浆。 |
|
|
|
A40:反坎采用卡箍加固,侧模上下采用5×10cm方木固定,卡箍间距≤500mm。 |
A41:门窗构造柱、窗台梁采用固定钢模,现浇混凝土;外窗台须留设企口,坡度内外高差大于3cm。 |
|
|
A42:现浇过梁采用钢管支撑 |
|
4.12水电安装
|
|
A43:在砼墙体内预埋线盒时,采用定位线盒。 |
A44:电线管穿楼板采用连接套,严禁模板开洞进行穿管。 |
|
|
A45:在砼墙内预埋配电箱时,采用固定钢模 |
|
4.13可视化管理
|
|
1:模板安装完成后,采用激光扫平仪对楼板平整度、墙柱模板平整度及垂直度进行复核,将实测数据标注在模板或钢管上。 |
2:混凝土、砌筑、抹灰等实测数间在实体上原位标注,总包、监理、项目部分别采用白、蓝、红色标注。 |
5、管理动作
5.1墙柱模板支撑完成后由总包进行100%实测合格后,报监理及项目部进行实测验收,验收合格后方可进行下道工序施工。
5.2梁板模板支撑完成后由总包进行100%实测合格后,报监理及项目部进行实测验收,验收合格后方可进行钢筋安装施工。
5.3二次构件模板安装完成后由监理验收合格后方可浇注混凝土。
5.4高支模方案由施工单位编制专项方案,由监理组织施工单位、监理、甲方召开专项审核会议确定高支模方案,超大超高方案按照政府要求组织专家评审,审核会议纪要及专家评审意见一并高支模方案报工程品质管理中心备案。
如需转载,请注明来源!

加入我们
投稿展示或者分享资料
一起交流一起成长
扫一扫下方二维码,灵感即刻进发
微信公众号:土木工程资源共享
土建牛人集聚地/专注土建行业
小编微信:TomuArc
来到这里,说明你也不是一般人
![]()























































