钢构件是在钢构专业加工厂加工,加工制作验收合格出厂,现场验收检查出场验收记录。钢管构件应分批、配套进场,检查配套数量。此外,按照设计要求,针对钢管构件上的栓钉、钢板翘片、加劲肋板、管壁开孔尺寸规格数量等作为进场验收的重要内容。
对钢构件的进场外观质量做检查,如出场运输、堆放过程中有无损伤、变形情况等。还应抽查主要构件尺寸的偏差,以控制构件进场质量。
根据已将编制并审批完成的吊装专项方案进行吊装前交底和指导,拼装时应对构件上各种缀板的数量、规格、位置进行检查,以方便拼装。对于不同部位的焊接应严格按照设计要求使用一级和二级焊缝。此外,还应对拼装场地、架设平台的平整度及控制线进行保证性复核,列出焊缝允许偏差检查表。

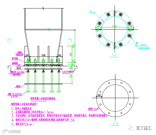
在基础底板钢筋绑扎完成后,将锚栓固定于钢筋支架上,并复测定位是否准确。如为巨型钢管混凝土构件,或钢管混凝土柱锚栓埋件尺寸较大,应在钢筋绑扎前放置好锚栓,钢筋绑扎完成后对锚栓进行定位复测。
螺栓固定架的制作与安装→螺栓固定架验收→承台钢筋绑扎→螺栓复测检查→混凝土浇筑及检查控制→混凝土浇筑完成后复测及纠偏

1.2.1 地脚螺栓安装时应垂直,无倾斜,并应满足下端弯钩有效与基础底板的锚固要求;
1.2.2 地脚螺栓在敷设前,应将地脚螺栓上的锈垢等清理干净,但螺纹部位应涂上油脂;
1.2.3 混凝土浇筑过程中,应避免用力碰撞地脚螺栓,避免影响地脚螺栓精度;
1.2.4 柱脚灌浆时,应按设计要求使用对应级别的灌浆料进行灌浆,并灌注密实;
1.2.5 柱脚灌浆凝固并达到设计强度后,方可进行上部钢柱吊装。


1.3.1 螺栓应处于垂直状态,其允许偏差为≤L/200,L 为地脚螺栓长度,且不大于5mm;
1.3.3 地脚螺栓中心偏差处理。螺栓直径小于30mm、中心偏差在(10~30mm)以内时,可用氧气乙炔进行火焰修正,并增焊钢板进行加固;如螺栓直径大于30mm,偏差较大时,可将螺栓切断后,用一块钢板焊在螺栓中间。

(1)首节钢柱吊装前,钢管混凝土柱基础应达到一定强度,方可进行首节钢柱吊装;根据测设的轴线确定钢柱安装位置,并在混凝土面弹出“十”字和钢柱外边线,对预埋的地脚螺栓进行浇筑后的测量复核,确保构件安装定位准确无误。
(2)构件吊装前对钢管构件的实际尺寸进行核对,确定构件就位位置上部空间是否满足要求,构件就位后进行临时固定,防止构件移位,校正无误后及时焊接固定。
(3)构件运输到现场后,使用塔吊卸车后水平放置在预先设置的枕木上,钢管构件吊装前应要求完成构件的翻身,构件翻身时,塔吊起吊同时应转动大臂,保证钢柱沿固定轴转动,严禁钢柱柱脚位置在地面拖曳。
( 4 ) 钢管构件吊运到就位点上方200mm 时,停机稳定,对准螺栓孔和十字线后,缓慢下落,下落过程中应避免磕碰地脚螺栓丝扣,当柱脚板刚与基础接触后应停止下落,四边兼顾检查钢柱四边与中心线与基础十字轴线的对准情况,调整钢柱的就位偏差在3mm 后,再落实钢柱。
(5)收紧四个方向的缆风绳,楔紧柱脚垫铁,拧紧地脚螺栓的锁紧螺母。

(1)第二节以上钢管柱吊装前,应要求完成底部钢管柱混凝土的浇筑。
(2)第二节钢管柱吊装前,下节钢管柱柱顶和本节钢管柱柱底的渣土、泥浆及浮锈应清楚干净,保证上下节钢柱对接面接触顶紧。
(3)下节钢柱的顶面标高和轴线偏差、钢柱扭转控制应在规范允许范围内,上节钢柱就位时,利用反向纠偏回归原位的处理方法,逐节调整误差。针对下节钢柱的顶面标高、扭转方向偏差,采用若干不同规格薄钢垫片进行调整。
(4)钢柱吊装就位后,钢柱的中心线应与下面钢柱的中心线对齐吻合,并四面兼顾。螺栓固定使用连接板夹好的上下连接耳板,钢管柱焊接完成后割除。
2.2.1 每根钢柱吊装后应及时连接固定,吊装就位应准确。校正时应对轴线、垂直度、标高、焊缝间隙等因素进行综合考虑,全面兼顾,每个分项的偏差值都应控制在设计及规范允许偏差内。
2.2.2 每节钢柱的定位轴线应从主控轴线引测,不得从下节钢柱就位轴线引入。
2.2.3 首节钢柱吊装完成并形成空间刚度单元后,应及时完成钢柱底板和基础顶面之间的灌浆施工。
2.2.4 钢柱之间的连接板待焊接完毕后,及时割除并打磨平整,涂刷防锈漆,割除连接板时不得伤及母材。



钢管混凝土柱与钢筋混凝土梁(板)连接主要有两种,一种是与钢梁连接,一种是与钢筋混凝土梁的连接。深化设计中,主要是通过设置连接板解决,能穿过的钢筋就穿过核心区,不能穿过的按照焊接在连接板的方式解决,焊接长度、焊缝类型及尺寸均按照图集和规范要求。钢管柱钢管对接焊缝、钢管柱、梁、屋架连接的现场对接焊缝应采用全熔透焊缝,并符合二级焊缝的质量要求。详细如下:钢管柱与钢筋混凝土梁采用钢牛腿与梁钢筋焊接连接,连接措施符合设计要求。


焊前准备→坡口清理、检查衬板、引弧板、息弧板→预热→定位焊→根部打底→填充焊接→面层焊接→按规定后热→按规定保温→焊接外观检查→填写外观检查表→打磨探伤区域→超声波探伤→填写正式报告→工序交接
2.1 焊接变形对施工质量影响非常大,所以焊接时应采取措施严格控制焊接变形;
2.2 应根据焊接钢板厚度的不同采取相应的预热措施及层间温度控制措施;
2.3 焊工应按照焊接工艺指导书所指定的焊接参数,焊接施焊方向,焊接顺序等进行施焊;
2.4 连续焊接时应控制焊区母材温度,使层间温度上、下限符合工艺条件要求;
2.6 焊接完成后应认真清除焊缝表面飞溅、焊渣,焊缝不得有咬边、气孔、裂纹、焊瘤等缺陷和焊缝表面存在几何尺寸不符现象,不得因切割连接板、刨除垫板等工作伤及母材,连接板、引入、引出板刨除后的表面应平整光滑。
3.1 同一道焊缝出现一次或数次停顿需再续焊时,始焊接头需在原熄弧处至少15mm 处起弧,禁止在原熄弧处直接起弧;
3.2 打底层:应在焊缝起点前方50mm处的引弧板上引燃电弧,然后运弧进行焊接施工,熄弧时,电弧不允许在接头处熄灭,而是应将电弧引至超越接头处50mm处的引弧板熄弧,并填满弧坑;
3.3 在进行填充焊接前应清除首层焊道上的凸起部分及引弧造成的多余部分,填充层焊接为多层多道焊,每一层均由首道、中间道、坡边道组成。首道焊丝指向向下,其倾角与垂直角成50 度左右;次道及中间道焊缝焊接时,焊丝基本呈水平状,与前进方向呈80~85 度夹角。坡边道焊接时,焊丝上倾50度。每层焊缝均应保持基本垂直或上部略向外倾,焊接至面缝层时,应注意均匀的留出上部1.5mm 下2mm 的深度的焊角,便于盖面时能够看清坡口边。
3.4 焊接过程中:焊缝的层间温度应始终控制在100~150℃之间,要求焊接过程具有最大的连续性,在施焊过程中出现修补缺陷、清理焊渣所需停焊的情况造成温度下降,则必须进行加热处理,直至达到规定值后方能继续焊接。焊缝出现裂纹时,焊工不得擅自处理,应报告焊接技术负责人,查清原因,订出修补措施后,方可进行处理。
3.5 焊后热处理及防护措施:母材厚度25mm≤T≤80mm 的焊缝,必须立即进行后热保温处理, 后热应在焊缝两侧各100mm 宽幅均匀加热,加热时自边缘向中部,又自中部向边缘由低向高均匀加热,严禁持热源集中指向局部,后热消氢处理加热温度为200-250℃,保温时间应依据工件板厚按每25mm 板厚1 小时确定。达到保温时间后应缓冷至常温。



进场检验及试验→钢筋加工→弹柱位置线、模板外控线→柱筋清理、校正→套柱箍筋→柱主筋直螺纹连接→划箍筋间距线→绑扎箍筋→柱钢筋隐检→浇筑、养护
2.1 钢筋加工制作前,下料表要由技术员和工长审核,并将钢筋加工下料表与设计图复核,检查下料表是否有错误遗漏,对每种钢筋要按下料表检查是否达到设计和规范要求;


2.2 钢筋的接头应设置在受力较小处(梁板设置于1/3~1/4 跨处),同一纵向受力钢筋不宜设置两个或两个以上接头,接头末端至钢筋弯起点的距离不应小于钢筋直径的10 倍。纵向受力钢筋的接头应错开,上下层钢筋接头应错开;
2.3 钢筋的锚固及搭接长度,除图中注明以外,按规范取值;
2.4 钢筋绑扎施工时,对所有的预埋件采取加固措施,确保预埋件的位置准确。
3.1 对有抗震要求的框架和斜撑构件(含梯段)中的纵向受力普通钢筋应采用带“E”的钢筋,其强度和最大力下总伸长率的实测值应符合规范要求;
上道工序隐蔽验收通过→搭设钢管混凝土浇筑作业平台→钢管柱混凝土浇筑前验收→混凝土现场检测→底部铺浆→混凝土浇筑→顶部混凝土振捣→养护
2.1 钢管架、模板、钢筋、等工序施工验收通过后,方可进行混凝土浇筑;
2.2 钢管柱往往高于混凝土施工作业面(一层左右),需按照模拟柱搭设临时操作架,保证混凝土浇筑时至少有2 名人员可在作业平台上指导或作业;
2.3 钢管柱安装验收,包括钢管柱尺寸、排气孔、柱脚锚固及灌浆、柱子施工稳定性、柱内是否有残留物或垃圾等内容;
2.4 钢管混凝土浇筑前,首先应对自密实混凝土的各项设计指标进行检测,如T500(3-5s)、扩展度(600-750mm)、V1min(4-25s)、V5min(小于V1min +3s)、U 型箱填充高度差(0-30mm)等,实验员对照混凝土配合比报告负责检测并记录,每车必查,并按照规定留取试块;
2.5 准确测算好每根钢柱的浇筑体积,确保浇筑连续进行,首先进行钢管内混凝土浇筑,完毕后浇筑钢管外混凝土,有条件的部位尽量振捣;
2.6 浇筑完成后对管口封闭,防止雨水、杂物进入,混凝土浇筑完成后不得再对钢管进行任何调整。
3.1 钢管柱内底部先浇筑100-200mm 厚的与C60 同强度的水泥砂浆,增加施工缝的连接防止混凝土下落的骨料产生弹跳;
3.2 钢管内混凝土浇筑采用的高抛法,浇筑应连续、间断时间不得超过90min,以防产生冷缝;
3.3 钢管内混凝土浇筑高度应严格控制,有钢管对接焊口的部位,口部离混凝土施工完成面的距离不得小于500mm,不得大于1000mm,尤其要控制最后的浇筑速度,坚决防止超浇!无钢管对接焊口的部位(即该钢构柱顶部),混凝土浇至顶部并适量溢出,确保密实,钢构随即压好隔板或盖板进行焊接;
3.4 高位抛落高度在最后的一段较小,所以应对混凝土顶面以下约2 米范围内的混凝土用钢筋进行充分、仔细的插捣,确保气泡溢出和混凝土密实度;
3.5 混凝土浇筑完毕5min 后进行浮浆清理和表面处理,为防止水分流失而产生混凝土收缩。




1、史上最全市政工程竣工资料归档内容整理,这个必须收藏!
2、超全面的施工单位报验资料全集,值得收藏!
3、建筑资料员的辛酸,看下女汉子是怎么说的;
4、验收资料,建设监理签字用语规范大全,收藏备用!
5、从资料员到工程师的打怪升级之路,值得一看!
6、验收资料,监理签字用语规范大全,就是这么专业!
7、监理从开工至竣工,需要收集整理哪些资料?
8、40条工程资料审批意见,史上最标准版!
9、基础及主体结构验收的这些资料,记得要准备好!
10、工地施工资料不会做?看这里,做资料不在迷茫!
11、工程部资料归档、保管、移交、整理……超齐全;
12、检验批的划分、容量及抽样总结!附76个常用检验批验收表!
13、安全内业资料最强总结,看完就用!
14、超牛!看资料员新手怎样做出一项漂亮的工程资料!
15、资料员、施工员、技术员请注意!三分钟搞懂施工技术资料编制重难;
16、合格资料员的4个阶段工作流程,有了它做起来事半功倍