模板配制应遵循先大块,后小块的先后顺序,防止盲目下料切割。凡宽度大于200mm的,应加以利用。模板采取对缝组拼,墙、柱以竖向组拼为主,梁侧模以水平组拼为主,最大限度地减少拼缝和模板的裁切。
配模时,板底模压梁侧模,板底模压墙模板,梁侧模夹梁底模,墙模板夹端头模板,外墙模板整体下伸100mm,用于夹老墙。
配模模板配置应尽可多的配置整板,大块板、整板放置在边缘处,小块板放置在中间,模板配置最小尺寸尽量不小于200mm,以达到重复利用的目的。对每个构件进行编号,配模后对所配置的每一块模板进行编号统计,以达到最优的配模方案。配模应考虑对拉螺栓开孔位置,尽量保证每张整板的开孔位置固定,以便多次周转。
模板配模图包含:模板分区图、楼板配模图、墙(柱)配模图、楼梯配模图及其他配模图。

模板工程应根据木工班组进行分区,每个木工班组一个分区,分区编号:一区、二区...

楼板配模图包含楼板编号图、楼板配模图、楼板配模详图表、楼板模板材料清
单、立杆布置图、主楞平面布置图、次楞平面布置图、楼板支撑立面图、悬挑板节点做法图等。
楼板编号采用大写字母“B”开头,编号形式:B1、B2...

将所有板进行编号,对每块楼板进行配模分析,尽可能多配整板。模板应混合方式(横向及竖向)布置以达到“整板最多”的配模效果。填充已配置的整板,明确区别于非标准板,便于施工人员识图。

对每块楼板绘制模板排布详图,标注相应的模板尺寸,统计标准板、非标板的规格尺寸和数量,对非标板进行编号,编号形式:①②③...
模板切割后尽量保证最小尺寸不小于200mm,可进行重复利用。同时尽可能将小板布置在中间,整板和大块板布置在边缘,利于现场模板加固。

楼板模板采用混合排布方式更有利。如楼板B32尺寸3400×3400mm,需投入整板8块,模板采用竖向方式排布,整板3块,模板采用混合方式排布,整板4块,同时短小模板余料更少。

模板配模时,同时需要考虑余料的实用性,尽量减少“915×830方板”出现。如楼板尺寸2400×1000mm,采用“顺长向排布”比“顺短向排布”余料更好用。

5.1 主次楞布置图板底主次楞布置参照板定位及尺寸,主楞双钢管沿板短边布置 , 端头距边≤150mm,主楞间距根据支撑立杆间距布置;次楞采用方管或木枋,沿板长边布置,次楞间距≤200mm,端头距板边缘≤150mm,悬挑端≤250mm。
主、次楞采用“横线”表示,图中明确主楞、次楞所选用的材料规格型号,距离楼板边缘的距离,主楞、次楞的长度和排布间距等。

立杆排布图中立杆采用“〇”表示,横杆采用“横线”表示,图中标明立杆与立杆的间距、立杆与梁边、立杆与剪力墙边的距离,并说明立杆类型、规格型号、长度等。
立杆间距以“安全计算通过”为基础,纵横向拉通排布,形成整体。立杆距离剪力墙边和梁边缘 300 -400mm,快拆架立杆自由端不超过650mm,扣件式脚手架自由端不超过500mm。

立杆排布图中布料机区域需进行立杆加密回顶加强,不同类型的架体标识清楚,加密区立杆间距标识清晰。

板支模架立面图中需明确立杆规格型号、立杆间距、水平杆步距 、自由端高度、顶托伸出长度、主楞型号、次楞型号及间距、模板厚度等参数
模板拼缝位置设置木枋,用钉子将模板钉在木枋上,确保拼缝密实,不漏浆。

降板区支模架采用扣件式钢管脚手架连接,形成整体。降板区采用定型化吊模施工,提高成型质量,降板高度H≤100mm时,可直接采用方管做为吊模,降板高度H>100mm,可采用铝合金模板做为吊模,吊模采用6#角钢加固,间距≤1200mm 。

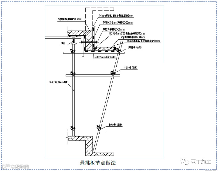
悬挑板位置加固采用扣件式钢管支撑架斜撑进行加固。斜撑钢管间距同支模架立杆间距,水平杆步距同支模架步距。

为保证飘窗成型质量,飘窗位置可采用二次浇注施工方式,设置两道对拉螺杆加固,保证成型质量。

对梁进行编号,梁编号采用大写字母采用大写字母“ L”开头,编号:L1 、L2、L3...并标出梁截面尺寸,形成梁编号图。
梁编号图中要包含梁编号、梁截面尺寸、梁顶标高、降板区域及降板标高、楼板厚度等信息,降板区域将影响梁截面高度,在图中标注,避免配模时忽视而配置错误。

梁模板拼接节点为板底模压梁侧模,梁侧模夹梁底模。梁墙交接节点处,梁底模单独伸出压墙堵头板,与堵头板内表面平齐。
配模时应充分考虑模板节点压边方式对模板尺寸的影响。

梁模板配模时,先满足模板的长边尺寸,短边按梁高设置,即按“1830×梁高/梁宽”配置,剩余部分的切割补足。梁截面较小时,梁模板较为细长,尽可能使用墙、板等构件模板切割后的余料进行配模。
对每条梁绘制出梁底、梁侧模板排布详图,标注相应的模板尺寸,统计梁模板的规格尺寸和数量,并对梁底、梁侧模板进行编号,编号形式:①②③...

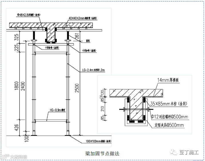
当梁高h≤500mm时,梁加固可采用“定型夹具+对拉螺杆”进行加固。

当梁高h>500mm时,梁加固可采用“对拉螺杆+双钢管”进行加固。根据安全计算需要,梁底支撑增加立杆回顶,梁两侧立杆采用“双扣件”抗滑移。

边梁模板加固采用斜撑钢管与支模架立杆连接方式,斜撑钢管下部定位于下层楼板,与水平钢管用旋转扣件连接,斜撑钢管底部与结构边缘保持安全距离。

墙编号采用大写母”Q”开头,编号:Q1、Q2、Q3...
柱编号采用大写母”Z”开头,编号:Z1、Z2、Z3...

墙模板配模时,推行使用标准板,标准板对拉螺杆间距457.5mm,对拉螺杆距离模板边缘228.75mm,对拉螺杆孔18~20mm。
标准板应在木工加工棚集中加工,弹线开孔,确保螺杆孔位置准确。模板开孔采用整张叠合开孔,开孔在确保开孔位置一致的基础上,减少了模板背面的损坏,确保后期模板可翻面使用,增加周转次数。

①平层内墙模板:层高-(板厚+板底模厚)-20mm
层高-(板厚+板底模厚+梁侧模高)+降板高度(下包至降板)
层高-(板厚+板底模厚+梁侧模高)+50mm(下包50mm)
必须确保外墙、核心筒、楼梯间内筒、厨、厕、阳台吊模处根部模板与已浇筑混凝土立面搭接50~100mm。

墙配模应最大化利用整板(915*1830mm),从墙长边开始配置模板,如右图,从A到B每侧墙面依次配置三块整板,再考虑墙转角处先配置端头板(即Q12-6,B侧),需考虑对拉螺杆位置,转角端头板应不小于600mm宽,最后配置剩余模板,对Q12-4墙面相应补配模板。


对墙柱单体的每面墙体进行内部编号,并对每面墙进行配模,图中应包括模板排布、尺寸标注及对拉螺杆定位等信息。对所有墙体模板有夹老墙部位模板应下伸100mm。

剪力墙对拉螺杆按457.5mm间距设置,次楞采用方钢管或木方,间距按200mm设置,主楞采用新型背楞加固体系。
剪力墙应采用钢管斜撑对墙体模板进行加固,斜撑端部采用顶托撑住墙体主楞, 钢管斜撑水平间距为2000mm,与水平面夹角为45°~60°,保证垂直度。

剪力墙采用新型背楞加固,主要由直背楞、直连接、阴阳角连接及配件组成。
直背楞长度有:550、900、1400、1900、2400,截面尺寸为30*50*2.5方管,表面镀锌。
对剪力墙加固进行深化设计,形成加固件布置图,并明确安装顺序。首先安装长直墙段背楞及阴角连接件,再安装短墙边背楞,最后安装阳角加固件。




剪力墙根部沿墙体结构边线设置φ8@500mm定位导筋,定位导筋植入楼板50mm。剪力墙根部模板下口压5mm厚海绵条,并采用角钢或木枋压脚或提前12小时进行水泥砂浆坐浆,防止剪力墙根部漏浆。

老墙螺杆采用三段式对拉螺杆,采用边模固定器将预埋螺杆固定在模板上,外墙模板下包100mm夹老墙,防止剪力墙错台。

电梯井采用筒模施工,筒模由铝模板、钢合页角模、背楞及其连接组成,4个角模采用3铰合页设计,合页闭合筒模收缩,实现电梯井筒模的整体提升和安拆。
电梯井筒模对拉螺杆、背楞间距筒对侧木模。筒模施工流程:承接板调整-吊装筒模-刷脱模剂-安装阴角背楞连接、拉撑杆和螺杆浇筑混凝土-拆阴角背楞连接和螺杆-转动拉撑杆收缩筒模整体提升。

结构柱模板竖向布置,沿长边(1830mm边)切割,与梁交接位置进行局部切割处理,柱模压在梁底模下方,内侧表面平齐。

结构柱模板加固体系使用新型背楞、工具式槽钢、方圆扣等工具式加固体系,可针对结构柱规格尺寸,制作适合多种结构尺寸的工具式槽钢,周转使用。充分利用槽钢大刚度的特点,柱中不设置对拉螺杆,减少模板开孔。

门窗洞口模板采用定型整体模板。在阴角处设置连接件加固,阴角连接件采用∠ 140×140×10 及∠100×100×10角钢制作,通过φ16螺杆锁紧。洞口模板内部采用钢管+顶托横撑( 两 排 ) , 间距不大于500mm,最外侧横撑距洞口边不大于250mm。为保证窗洞口定型模板制作时边角方正,制作时可在边角设置临时三角形模板加固。

楼梯模板采用封闭式模板,模板上每个步开3个透气孔,每3步开一检修口,采用对拉螺杆对封闭式楼梯模板进行加固,支撑采用扣件式钢管脚手架,并用钢管将楼梯支模楼板支模架连成整体。楼梯模板侧面加固采用对拉螺杆进行加固。

弧形构件模板采用木模板1:1放样制作定型弧形模板,也可采用“对拉螺杆+钢筋”加固方式施工弧形构件,主楞钢筋不小于20mm。

后浇带部位两侧支模架体单独搭设,钢管临时支撑与支模架断开设置,不得在支模架拆除后重新设支撑。

采用可周转式型钢柱对梁板进行支撑,根据楼面到梁底的高度计算出支撑柱的高度,按照尺寸对钢管原材进行切割加工。层高小于5m的,梁下采用ø180*6 的钢柱进行支撑,层高大于5m的,梁下采用ø250*6的钢柱进行支撑,如悬挑端上部有较重堆载,则在梁之间采用L100*6的角铁进行剪刀撑连接。

后浇带部位可采用锯齿模板拦设或采用钢板网+钢筋网片+铅丝网相结合的拦设方式。

1、史上最全市政工程竣工资料归档内容整理,这个必须收藏!
2、超全面的施工单位报验资料全集,值得收藏!
3、建筑资料员的辛酸,看下女汉子是怎么说的;
4、验收资料,建设监理签字用语规范大全,收藏备用!
5、从资料员到工程师的打怪升级之路,值得一看!
6、验收资料,监理签字用语规范大全,就是这么专业!
7、监理从开工至竣工,需要收集整理哪些资料?
8、40条工程资料审批意见,史上最标准版!
9、基础及主体结构验收的这些资料,记得要准备好!
10、工地施工资料不会做?看这里,做资料不在迷茫!
11、工程部资料归档、保管、移交、整理……超齐全;
12、检验批的划分、容量及抽样总结!附76个常用检验批验收表!
13、安全内业资料最强总结,看完就用!
14、超牛!看资料员新手怎样做出一项漂亮的工程资料!
15、资料员、施工员、技术员请注意!三分钟搞懂施工技术资料编制重难;
16、合格资料员的4个阶段工作流程,有了它做起来事半功倍