1)所有构件进场后,应依据规范逐块验收,包括外观质量、几何尺寸、预埋件、预留孔洞等,发现不合格应予以处理;
2)所有无吊装环的预制构件应要求厂家对吊装点进行红油漆标记,入场后应检查是否标记吊装点


1)设计无特殊要求时,PC吊装须使用型钢扁担(如图示)吊装;
2)吊挂位置为设计吊点位置,不得调整、少挂设计吊点;

1)使用钢筋焊接双F定位卡扣(如右图)对竖向连接钢筋复核、矫正,以便预制墙体与连接钢筋能够顺利对孔;
2)混凝土初凝前安装双 F定位卡扣,复核竖向钢筋位置;
3)竖向构件安装前,应进行二次复核,偏位的应按规范规定进行调整,严禁切割钢筋;

1)现浇墙体竖向纵筋直径规格是否与外伸连接纵筋相符,若相符则采用图一预留钢筋,若不相符则采用图二预埋钢筋;

1)预制墙板下部四角支垫找平,垫片安装应注意避免堵塞注浆孔及灌浆连通腔;
2)预制墙体吊装到位,调整完成后,进行座浆砂浆分仓、封仓等工序施工,当用连通腔灌浆方式时,每个连通灌浆区域(仓室长度)不宜超过1500mm,分仓砂浆带宽度30-50mm;

1)封仓采用专用专用工具,伸入缝隙中20mm作为抹封仓砂浆的挡板。

3)实施灌浆前应计算注浆量,实际灌浆量必达到要求;


1)灌浆料拌合物从灌浆筒采用增压方式通过导管经注浆孔流入腔体与套筒内;
2)当灌浆料拌合物从构件其他灌浆孔、出浆口流出且无气泡后及时用橡胶塞封堵。
1)注浆时漏浆处理:停止灌浆并处理漏浆部位。漏浆严重时需提起预制墙板重新封仓;
2)注浆后漏浆处理:进行二次补浆,二次补浆压力应比注浆时压力稍低,补浆时打开靠近漏浆部位的出浆孔。选择距漏浆部位最近的灌浆孔进行注浆,待浆体流出无气泡后封堵,如此依次进行;

1)在灌浆料加水拌合起,在30分钟内的,在灌浆孔补灌;
2)当灌浆料已无法流动时,可从出浆孔补灌,并应采用手动设备结合细管从出浆孔灌浆。

1)预制墙体与现浇墙体连接螺栓拧紧扭矩应符合 JGJ107-2016规定要求;
2)项目应根据设计要求规定各节点螺栓外露标记,方便检查。

2)预留模板加固用穿墙螺栓孔数量间距应满足现浇墙体模板加固需求;

1)预制外墙板外侧设置企口,减少雨水沿接缝渗入室内;
2)图示企口样式仅为示例,不是唯一,各项目可根据工程实际情况设置企口样式;

1)预制外墙图纸深化时,在窗洞口四周增加企口,防止雨水渗入室内;
2)外窗安装水平位置依工程实际确定,图中剖面为示意;

1)预制飘窗板图纸深化时,在上下飘板增加企口,防止雨水渗入室内;
2)外窗安装水平位置依工程实际确定,图中剖面为示意。

1)剪力墙现浇:在墙体模板顶粘贴通长海绵条,防止连接部位漏浆;
2)剪力墙预制:墙体顶部预留模板穿墙螺栓孔,外模利用穿墙孔固定。墙体与叠合板拼缝处采用水泥砂浆嵌缝,表面刮平。

1)独立钢支撑顶部设置横梁(10*10木方或金属横梁);
2)横梁间距不超过1.8m。横梁距墙体距离不大于0.5m;
3)独立支撑沿横梁方向间距不大于2.0m,距墙不大于0.5m;
4)支撑横梁方向:垂直于叠合板长边,双向板与现浇板带垂直;

1)采用碗扣或轮扣等支架形式中间采用横杆相连,距墙不大于0.5m;
2)立杆纵横间距不超过1.5m,支撑自由端高度不超650mm;层高不超过3.1m时可设两道水平杆;


1)当叠合板和现浇板标高相同时采用图一所示支模体系;

2)当现浇板存在降板,标高不一致时采用图二所示支撑方式。

1)深化设计现浇厚度时必须考虑面层钢筋绑扎完后,总厚度是否仍满足钢筋保护层厚度要求;
2)叠合板上层现浇板配筋与桁架筋紧密绑扎(尤其是剪力墙根部),防止钢筋上翘,出现露筋现象;
3)板面层钢筋应设计绑扎在桁架上面,不宜穿桁架绑扎在下面(施工难度过大)。

叠合板端预留钢筋与两端墙体的连梁主筋有交叉,施工时需先绑扎梁主筋,叠合板安装前调整主筋位置,叠合板安装后再绑扎梁主筋。


1)双向板后浇带形式接缝,具体钢筋连接的方式可采用右图所示三种,具体采用依设计确定;
2)单向板当设计为后浇带形式接缝时应在接缝位置增加板缝附加筋;
3)叠合板后浇带浇筑时务必振捣到位,保证连接质量。




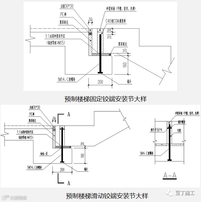
2)预制楼梯板上部连接方式为固定铰支座,底部为滑动铰支座;(选自15G367-1)
3)固定铰支座灌浆孔在未灌浆时应做好保护,防止杂物进入孔道,灌浆时应严格控制灌浆料的密实度;

1)预制楼梯平台面的标高应与现浇梯梁结构完成面标高一致,


1)预制飘窗板及阳台板施工时应制定专项的支模方案;
2)所有悬挑预制构件连接处现浇混凝土强度达到设计要求后方可拆除支撑;


1)当线管敷设管径大于桁架内净距,线管无法穿过桁架时可采用以下做法:
(2)在穿管部位将桁架钢筋断开,后进行双面搭接焊;(此做法需与设计沟通确认)
(3)若上述两种方式影响上部钢筋保护层厚度则按做法三实施。
2)水电管线敷设前应提前优化路径,尽可能避免管线交叉。

1)叠合板板顶线盒预留位置应提前沟通确认,特别是精装项目。避免后期开洞;
2)叠合板预埋排水止水节洞口半径=翼环半径+10mm;


1)施工前应根据图纸深化设计施工方案,提前合理布置混凝土泵管洞口位置,叠合板厂家根据方案进行洞口预留,不可进行后期开洞;
2)施工方案应明确混凝土泵管预留洞口大小及具体定位,不可粗略指明洞口大概位置。

1)图纸深化设计考虑施工外架搭设,明确外架形式及具体的安装使用方法,确保外架满足项目自身需求;
2)悬挑工字钢需进行锚固件预埋及洞口预留,确定工字钢锚固件预埋位置数量及穿外墙孔洞位置数量;
3)悬挑外连墙件位置明确,在预制构件设置连墙件杆件应预埋。

1、史上最全市政工程竣工资料归档内容整理,这个必须收藏!
2、超全面的施工单位报验资料全集,值得收藏!
3、建筑资料员的辛酸,看下女汉子是怎么说的;
4、验收资料,建设监理签字用语规范大全,收藏备用!
5、从资料员到工程师的打怪升级之路,值得一看!
6、验收资料,监理签字用语规范大全,就是这么专业!
7、监理从开工至竣工,需要收集整理哪些资料?
8、40条工程资料审批意见,史上最标准版!
9、基础及主体结构验收的这些资料,记得要准备好!
10、工地施工资料不会做?看这里,做资料不在迷茫!
11、工程部资料归档、保管、移交、整理……超齐全;
12、检验批的划分、容量及抽样总结!附76个常用检验批验收表!
13、安全内业资料最强总结,看完就用!
14、超牛!看资料员新手怎样做出一项漂亮的工程资料!
15、资料员、施工员、技术员请注意!三分钟搞懂施工技术资料编制重难;
16、合格资料员的4个阶段工作流程,有了它做起来事半功倍