提示点击↑上方"土木工程资源共享"关注加入
点我资料免费下
【重磅福利】
传统的构造柱施工工序较多:构造柱钢筋绑扎→砌体施工留马牙槎→粘贴双面胶带→支模→混凝土浇筑→拆模。施工过程中混凝土浇筑振捣不密实,拆模后表面成型质量差,且二次结构施工进度往往会影响内外装抹灰进度,砖混交界面处理不当易造成后期抹灰空鼓开裂等质量风险。
构造柱免支模施工工序简单:构造柱钢筋绑扎→U型空心砌块随砌体同时施工→混凝土浇筑。感官成型质量好,节省工期,构造柱与砌体施工进度可同时进行。同时成型后,构造柱与砖砌体表面平整度偏差小,同时不存在传统构造柱施工后对双面胶带的处理问题,降低了后期抹灰施工空鼓开裂的质量风险。
针对构造柱免支模施工
中建七局华北公司技术质量部BIM工作室
制作的《工艺流程动画演示》
把构造柱的五种情况一网打尽
解读的即全面又清楚
☟
03:59
二次结构施工质量控制要点
一
二次结构施工流程及控制要点

1、基层验收、墙体放线
控制要点:砌筑基层的楼地面浮浆、残渣清理干净并弹线。填充墙的边线、门窗洞口位置线应准确,偏差控制在规范允许范围内。



4、构造柱--截面及模板要求
构造柱两侧的墙体设马牙槎,采用先退后进方式,马牙槎边口应吊线砌筑构造柱边贴双面泡沫胶条,厚度不小于5mm,构造柱所用砼的强度等级C20,砌体模板要有可靠的加固及支撑措施。

5、构造柱--混凝土及钢筋要求
1) 构造柱的混凝土强度等级不宜低于C20;砌体砂浆的强度等级不应低于M5;
2) 构造柱的截面尺寸不宜小于240mm × 240mm,其厚度不应小于墙厚,角柱、边柱的截面宽度可适当加大。柱内的竖向受力钢筋,对于角柱、边柱不宜少于4ф14;对于中柱不宜少于4ф12;

6、构造柱--箍筋要求
1) 构造柱的箍筋在楼层上下500mm范围内宜采用ф6,间距100mm,一般部位宜采用ф6,间距200mm;

7、构造柱--细部




8、拌制砂浆
控制要点:砌筑砂浆不准使用隔夜砂浆,而且使用过程中不准随便加水,搅拌后的砂浆要尽快在短时间内用完,避免时间过长,砂浆终凝。
9、底部--标准砖
控制要点:砌块填充墙砌筑时,墙底部应砌3皮标准砖。

10、底部--混凝土止水带
控制要点:厨卫、外墙、空调板等防水房间设置不小于200mm高砼反砍。对反砍位置确定后,在楼板面、墙面衔接部位进行凿毛处理。

11、墙体砌筑--排砖及砌体要求
1) 填充墙砌筑时应预选、预排砌块,并清除砌块表面污物,剔除外观质量不合格砌块。墙体砌筑时应挂线(水平、竖向),砌体的平整度、垂直度要随时用靠尺校正;

12、墙体砌筑--组砌要求
2) 填充墙砌筑应错缝搭砌,加气砼砌块搭砌长度一般为不得小于砌块长的1/3。竖向通缝不应大于2皮砌块;

13、墙体砌筑--灰缝要求
3) 填充墙砌体的水平灰缝应平直,按净面积计算的砂浆饱满度不应小于80%。竖向灰缝应采用加浆方法,使砌筑砂浆饱满,严禁用水冲浆灌缝,不得出现假缝、瞎缝、透明缝。竖缝的饱满度不应低于80%。在砌筑砂浆终凝前后时间内,应将灰缝刮平;

14、墙体砌筑--拉结筋要求
4) 填充墙砌体与结构的连接,每500间距设置ф6后植的拉结筋,伸出结构墙柱边700。拉结筋根数设置根据墙厚,每120mm宽时设置一根,120~240时设置2根,<120时设置一根,>240时设置3根;

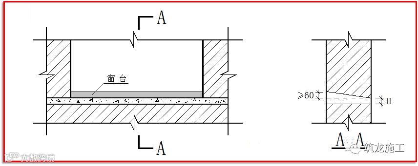
15、腰梁(窗台梁)--控制要点
1) 当墙高大于4m时,中部应增设高度不小于120mm,与墙体同宽的混凝土圈梁;
2) 各楼层在窗台标高处,应设置通长现浇钢筋混凝土板带,板带的厚度不小于60mm,混凝土强度等级不应小于C20,纵向配筋不宜少于3ф8(如设计有要求,严格按照设计要求配置)。


16、腰梁(窗台梁)--窗台梁要求
窗台顶面应浇成内高外低,高差在60mm以上的斜面。

17、塞缝--砂浆(细石混凝土)
控制要点:填充墙砌至接近梁底、板底时,待填充墙砌筑完并至少间隔7天后,再进行斜切,或用细石砼进行塞缝。

18、塞缝--砖
控制要点:填充墙砌至接近梁底、板底时,以45°~60 °角顶紧;补砌时,对双侧竖缝用高强度等级的水泥砂浆嵌填密实。

二
加气混凝土砌块知识
加气混凝土砌块进场应有合格证,检测报告;并现场取样送有资质的检测实验室复验,砌筑前应适量浇水湿润。

1、加气混凝土砌块--灰缝要求
加气混凝土砌块的上下皮竖向缝应相互错开;
采用水泥砂浆时,水平灰缝厚度宜为15mm,竖向灰缝厚度宜为20mm。

2、加气混凝土砌块--禁用部位
1) 干湿交替部位或潮湿部位;
2) 建筑物地下部位;
加气混凝土砌块不得设置脚手眼,设计要求的洞口、管道、沟槽应预留和预埋;
3、加气混凝土砌块--质量要求
1) 砌筑砂浆和砌块的强度等级符合设计要求。
检查方法:检查砌块的合格证、检测报告和复试报告;砂浆试块的实验报告。
2) 加气混凝土砌块不得与其他材料混用。
3) 加气混凝土砌块的一般尺寸允许偏差应符合下表:

三
质量通病控制要点
对于砌体结构,裂缝是最大的质量缺陷,为了避免裂缝的产生,需要从设计、材料、施工方面进行考虑。
为了有效的控制裂缝,有必要了解裂缝的表现形式及主要原因:
表现形式:水平缝、竖向缝和斜裂缝;
主要原因:不均匀沉降,温差,材料收缩,施工因素等。
1、材料要求--砖、砂
1) 砌筑砂浆应采用中、粗砂,严禁使用山砂和混合粉。
2) 蒸压灰砂砖、粉煤灰砖、加气混凝土砌块的出厂停放期不应小于28d,不宜大于45d;混凝土小型空心砌块的龄期不应小于28d。
2、材料要求--商品混凝土
控制要点:二次结构采用商品混凝土时,为便于商品混凝土运输和现场施工,在施工现场设置混凝土临时存放池,池底铺塑料布,同时要求商砼站延长砼的终凝时间,避免时间过长混凝土终凝。
3、施工要求--预留洞
宽度大于300mm的预留洞口应设钢筋混凝土过梁,并且伸入每边墙体的长度应不小于250mm。

4、施工要求--管线埋设
严禁在墙体上交叉埋设和开凿水平槽;竖向槽须在砂浆强度达到设计要求后,用机械开凿,且在粉刷前,加贴钢丝网片等抗裂材料。

四
室内抹灰样板引路操作工艺流程

(一)基层处理
1、用水泥砂浆或细石混凝土修补悬挑工字钢、脚手架孔洞。
2、混凝土墙体表面需用钢丝刷清除浮浆、脱模剂、油污及模板残留物;砌体墙面清扫灰尘,清除墙面浮浆、凸出的砂浆块。
3、混凝土面超出抹灰完成面时,应该凿除超出部分,保证抹灰层厚度。
(二)贴灰饼、冲筋
1、先根据控制线在墙角上方各做一个标准灰饼,然后拉线在窗口、垛角处加做灰饼,然后吊线在墙下角做标准灰饼。
2、灰饼距墙体顶部、根部、端部的距离一般不得大于200,门窗洞口周边要设置灰饼。
3、竖向灰饼一般不少于3个,水平向灰饼间距不大于1.5米,必须保证抹灰时刮尺能同时刮到至少两个灰饼。
4、根据灰饼冲筋,特别是大面墙体必须冲筋。
(三)不同墙体材料基层补平
1、挂网前应将结合处、孔槽、洞口边等部位应填实抹平。
2、线槽应用细石混凝土修补平整。
(四)粘钉挂钢丝网
1、不同材料基体结合处,暗埋管线孔槽基体上,抹灰总厚大于或等于35mm的找平层应挂加强网。
2、钢丝网片的网孔尺寸不大于15mm× 15mm,其钢丝直径不小于0.7mm,且宜采用热镀锌。
3、固定钉间距不大于400mm。
4、网材与基体搭接宽度不小于100mm。
5、固定后钢网应平整、连续、牢固、不变形起拱
6、钢丝网必须置于抹灰层内,严禁外露。
(五)喷水湿润
1、墙面应提前一天喷水湿润。
2、湿润墙面时,用喷雾器喷水湿润砌体表面,让基层吸水均匀,蒸压加气混凝土砌体表面湿润深度宜为10-15mm,其含水率不宜超过20%。
3、不得直接用水管淋水。
(六)甩浆
1、在基层上刷涂或喷涂聚合物或其他界面处理剂,甩浆均匀、布满、拉出毛尖,拉毛面积不小于基层表面积的95%。
2、在打灰饼之前甩浆,避免灰饼打好之后甩浆使灰饼厚度发生变化。
3、若人工甩浆不能保证质量,则必须用机械甩浆。
4、甩浆用喷雾器喷水养护2天。
(七)抹底灰
1、抹掺胶粘剂的水泥浆一道,紧接着抹水泥砂浆或混合砂浆。
2、用大杠刮平、找直,用木抹子搓毛,不得有光滑面,如过于光滑要拉毛处理。
3、底灰抹完后派专人养护。
(八)抹罩面灰
1、底层砂浆抹好后第二天即可抹面层砂浆。
2、面层砂浆抹灰厚度控制在5-8mm.
3、面层砂浆表面收水后用铁抹子压实赶光。
4、为避免和减少抹灰层砂浆空鼓、收缩裂缝、面层不宜过分压光,以表面不粗糙、无明显小凹坑、砂头不外露为准。
(九)喷水养护
1、水泥砂浆抹灰面层初凝后应适时喷水养护,养护时间不少于5天,确保砂浆不因失水过快而产生裂缝、空鼓。
2、养护时用喷雾器均匀喷水。
(十)抹灰层修补
1、沿超出空鼓、裂缝边缘50mm左右位置锯开抹灰层,人工凿除空鼓裂缝部位砂浆块,清楚残留渣粉并对切割面凿毛并清理干净。
2、修补砂浆与大面积抹灰砂浆配比相当。
3、抹底灰前,先将墙体基层浇水湿润,然后刷一层掺有环保胶水的素水泥浆再抹底子灰,底子灰以1:3水泥砂浆为宜,每遍抹灰厚度7mm左右,不宜过厚,抹完后将表面搓毛。
4、第二天再抹面层,配比以1:2.5水泥砂浆为宜,表面原浆压实,严禁用洒干水泥收面或涂刷水泥浆。
5、抹灰完派专人养护一周。








12、检验批的划分、容量及抽样总结!附76个常用检验批验收表!
15、资料员、施工员、技术员请注意!三分钟搞懂施工技术资料编制重难;
猜你喜欢:
3、助力2018安全生产月,这100份安全资料合集值得入手(可下载)
加入我们
投稿展示或者分享资料
一起交流一起成长
扫一扫下方二维码,灵感即刻进
官方微信或qq:483972950
官方qq群:343778875 或648915172

源自 | 中建七局华北分公司、筑龙施工


