提示点击↑上方"土木工程资源共享"关注加入
点我资料免费下
【重磅福利】
日前,成都市应急管理局发布了《成都双流长城路改建项目“12·3”较大坍塌事故调查报告》,这是一起典型的基坑边坡放坡不足导致的坍塌事故,造成3死1伤的惨痛代价。事故充分暴露出各参建单位无视建设施工安全法律法规和标准规范,胆大妄为,随心所欲。希望各项目都能吸取教训,引以为戒!
2023年12月3日8时许,施工人员练某、李某、文某、吕某4人与班组其他施工人员对事故段进行模板支模、电力排管安装、钢筋绑扎、钢筋点焊等作业。
10时15分许,练某在事故段进行电力直通井外墙支模作业时,边坡中部突然垮塌,垮塌土方将练某小腿掩埋,正在一旁进行支模及钢筋绑扎施工的李某、文某、吕某听到练某呼救后,立即进行救援,刨除埋在练某腿部的渣土。
10时20分许,边坡再次发生垮塌,垮塌土方将李某、文某、吕某、练某4人掩埋。
10时40分许,119、120、公安交警陆续到达现场开展救援。11时20分许,练某、李某、文某、吕某4名被困人员被救出并送往四川大学华西空港医院抢救。12月3日,李某、文某、吕某经抢救无效死亡。1月9日,伤者练某康复出院。
事故造成3人死亡、1人受伤,直接经济损失499万余元。
(一)直接原因
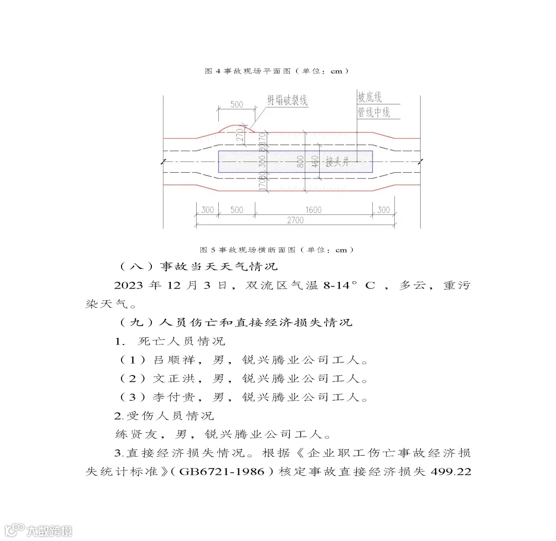
经调查认定,事故的直接原因为:基坑(沟槽)边坡未按照设计文件要求及地勘报告建议进行放坡施工,事故段边坡放坡不足且未采取有效支护措施,致使边坡发生坍塌。
直接原因分析:基坑(沟槽)边坡放坡坡率不符合至少为1:1.5的设计要求,实际放坡坡率约为1:0.35。
(二)间接原因
1. 编制的专项方案缺乏针对性。专业分包单位编制的专项方案不符合设计文件要求和地勘报告建议,施工总承包单位、监理单位对专项方案审查不严,未发现并纠正专项方案存在的问题。
2. 施工管理不到位。专业分包单位未按设计要求对基坑(沟槽)开挖放坡,施工总承包单位、监理单位督促检查不力。建设单位组织基坑(沟槽)验槽走过场,未发现并纠正边坡放坡不足的问题。
3. 不执行建设施工监管指令。专业分包单位、施工总承包单位、监理单位、建设单位不落实双流区住建交局安监站告诫约谈要求,未对隐患进行整改,不执行市区两级住建部门关于重污染天气建设项目停工的指令。


12、检验批的划分、容量及抽样总结!附76个常用检验批验收表!
15、资料员、施工员、技术员请注意!三分钟搞懂施工技术资料编制重难;
猜你喜欢:
3、助力2018安全生产月,这100份安全资料合集值得入手(可下载)
加入我们
投稿展示或者分享资料
一起交流一起成长
扫一扫下方二维码,灵感即刻进
官方微信或qq:483972950
官方qq群:343778875 或648915172

源自丨成都市应急管理局



