
一、概述
排桩支护是由钢筋混凝土桩组成的支护结构,可分为悬臂式排桩、锚拉式排桩和内支撑式排桩。悬臂式排桩适用于土质较好、开挖深度不大的基坑;锚拉式排桩通过锚杆或锚索将桩与稳定土体连接,增加支护结构的稳定性;内支撑式排桩则是在桩间设置水平支撑,以抵抗土压力。排桩支护具有刚度大、稳定性好等优点,但施工难度较大、造价较高。
接下来,一个三维动画带你了解排桩支护如何施工?
二、特点及适用范围
2.1 适用范围
三、施工工艺流程
四、施工准备
4.1 技术准备
1、学习和熟悉施工图纸及地质勘探报告,掌握土层和地下水状况资料,据此确定挖槽机械种类,段划分、地基加固和泥浆配备计划。
2、调查了解地下埋设物的资料,以确定各种地下管线及障碍物的处理方案。
3 、了解施工场地及邻近结构物的调查资料,以确定施工场地布置、施工场地平整和施工防护措施。
4 、编制施工组织设计,其内容包括
(1)地下连续墙的总平面布置:
(2)总体、单元施工进度计划:
(3)挖槽机械和配套设备:
(4)单元槽段的尺寸、分段次序编号、节点的构造形式:
(5)泥浆制作应用和循环系统的现场布置,弃土、沉淀方式:
(6)成墙穿越不同地质状况对策;
(7)排除障碍措施:
(8)导墙的平面布置和截面结构设计:
(9)钢筋笼分段尺寸、接头、制作、安装方法:
(10)混凝土配制、搅拌、运输、浇筑方法:
(11)施工场地内地面排水:
(12)保证质量的技术措施:
(13)质量检测:
(14)安全技术措施等。
4.2 材料准备
1、制订材料进场计划:钢筋、钢材、水泥、砂和碎石、膨润土(优质黏土)、CMC 等附加剂。
2、对需采购的材料,提出要求,对供应商进行考察,确定合格分供方,签订供货协议;
3、商品混凝土已做配比试验,对钢筋、钢材等需进行送检的材料送检测单位进行检验,确保合格后才可用于工程。
4.3 主要机具
1、成槽设备:抓斗式成槽机、冲击钻、泥浆泵或空气吸泥机(包括空压机)等。
2、钢筋网吊装设备:带吊机。
3、混凝土浇灌机具:储料斗、吊车或桩机、金属导管和运输设备等。
4、制浆机具:泥浆搅拌机、泥浆泵、空压机、水泵、旋流器、振动、泥浆比重计、漏斗粘度计、秒表、量简或量杯、失水量仪、静切力计、含砂量测定器、pH 试纸等。
5、槽段接头设备:有金属接头管、履带或轮胎式起重机、拔管机等。
6、其他机具设备:有钢筋对焊机,弯曲机,切断机,电机,大、小平锹,各种扳手等。
4.4 劳动力组织
依据工程规模、作业环境、工期要求等综合考虑人员数量。需要工种:钢筋工、木工、混凝土工、电焊工、挖掘司机、冲桩机操作工、抓斗司机、钻机操作工以及起重工、司索、指挥、电工、普通工等配合工种。所有人员均要经过岗位培训和持证上岗,同时进场前要进行安全教育和技术交底。
4.5 作业条件
1、在工程范围内钻探,查明地质、地层、土质以及水文情况,为选择挖槽机具、泥浆循环工艺、段长度等提供可靠的技术数据。同时进行钻探,摸清地下连续墙部位的地下障碍物情况。
2 、按设计地面标高进行场地平整,拆迁施工区域内的房屋、通讯、电力设施以及上下水管道等障碍物,挖除工程部位地面以下3m内的地下障碍物。施工场地周围设置排水系统。
3、根据工程结构、地质情况及施工条件制定施工方案,选定并准备机具设备,进行施工部署、平面规划、劳动配备及划分槽段;确定泥浆配合比、配制及处理方法,编制材料、施工机具需用量计划及技术培训计划,提出保证质量、安全及节约等的技术措施。
4、按平面及工艺要求设置临时设施,修筑道路,在施工区域设置导墙;安装挖槽、泥浆制配、处理、钢筋加工机具设备:安装水电线路:进行试通水、通电、试挖槽。
5、按照国家、省市、有关规定,超过一定规模危险性较大工程应编制专项施工方案,经专家评审及上级有关部门批准后才能实施。
五、施工要点
5.1 测量放样
采用全站仪进行桩的中心位置放样,放样后四周设护桩并复测,误差控制在5mm以内。桩位用ø10mm、长度35-40cm钢筋打入地面30cm作为桩的中心点,然后在桩位周围做上标记,既便于寻找又可防止机械移位时破坏桩点。
5.2 护筒的埋设
护筒具有导正钻具、控制桩位、隔离地面水渗漏、防止孔口坍塌、抬高孔内静压水头和固定钢筋笼等作用,应认真埋设。
5.3 钻孔
5.3.1钻机就位
旋挖钻机底盘为伸缩式自动整平装置,并在操作室内有仪表准确显示电子读数,当钻头对准桩位中心十字线时,各项数据即可锁定,勿需再作调整。钻机就位后钻头中心和桩中心应对正准确,误差控制在2cm内。
5.3.2调制护壁泥浆
护壁泥浆调制的好坏是钻孔桩施工是否顺利的一个关键性指标,泥浆可采用优质膨润土制成。膨润土主要成分为蒙脱石,分钙土和钠土,使用时加入纯碱改造成钠土用于配浆。具有相对密度低、失水量少、泥皮薄、稳定性强、固壁能力高、钻具回转阻力小、造浆能力大等优点。
5.3.3泥浆循环系统的布置
泥浆循环系统的布置一般如下图:
5.3.4钻进
当钻机就位准确,泥浆制备合格后即开始钻进,钻进时每回次进尺控制在80cm左右,刚开始要放慢旋挖速度,并注意放斗要稳,提斗要慢,特别是在孔口5~8m段旋挖过程中要注意通过控制盘来监控垂直度,如有偏差及时进行纠正,而且必须保证每挖一斗的同时及时向孔内注浆,使孔内水头保持一定高度,以增加压力,保证护壁的质量。同时,做好整个过程中的钻进记录,随时根据不同地质情况调整泥浆指标和旋挖速度。在钻孔过程中,根据不同的地质情况,可以选用四种钻头:挖土钻头、挖砂钻头、筒钻、螺旋钻头。
弃渣外运与钻进同步进行,每从孔内出几桶钻渣,就用装载机及时的外运至弃渣场,以减少现场施工干扰,减少弃渣对桩孔的压力,确保施工现场的文明和质量安全。
5.3.5清孔、成孔验收
(1)清孔
根据钻孔桩桩底的设计标高和护筒顶标高,计算出钻孔深度,用测绳检测孔深,到位后进行清孔。清孔采用挖斗反复捞取沉渣,直到其厚度符合规范和设计要求,然后注入纯度较高的化学泥浆,置换出孔内的钻孔泥浆,保证清孔后的各项指标符合现场实际地质情况的需要。
(2)成孔验收
成孔达到质量标准后,即可进行下一到工序的施工。
5.4 钢筋笼的制作和安装
采用现场加工制作,按设计和施工验收规范进行施工。对钢筋制作加工、绑扎、安装各个环节加以质量控制。
5.5 导管安装
5.5.1导管的选用和检查
在下导管前,首先检查其是否损坏,密封圈、卡口是否完好,内壁是否光滑圆顺,接头是否严密。再进行水密承压和接头抗拉实验,以检查导管的密封性能、接头抗拉能力。
5.5.2导管长度的计算和吊放
以实际孔底标高和孔口架之间的距离来配置需要导管长度,并欲留30-50cm的悬空高度。拼装时要严格检查导管内壁和法兰盘表面,确保干净无杂物,变形和磨损严重的导管严禁使用,导管的吊放用吊机,要确保其居于孔的中心位置,下放速度要慢,防止卡挂钢筋笼骨架。
5.6 混凝土的灌注
水下混凝土的灌注应该在最短的时间内完成。导管下好后,根据孔内泥浆指标和沉淀层厚度进行必要的二次清孔,确保混凝土浇注的顺利进行。
在灌注时,用汽车吊的主勾吊起储料斗,与导管相连接,把隔水栓堵放在其底部,向斗内注满混凝土后,用吊机副勾钢丝绳把隔水栓快速提出,使混凝土在很短的时间内降落到孔底,完成封底工作,之后,应连续、紧凑的进行灌注,严禁中途停工。
5.7 冠梁施工
施工工艺:开挖工作面→凿浮浆→清除余土→绑扎、固定钢筋网→模板支设→混凝土浇筑→拆模板
在进行冠梁施工之前,应按设计要求标高对桩顶进行量测,凡标高超出要求在10cm以外的灌注桩都必须进行凿桩头工作。凿桩头采用气动风镐,要求凿出的桩头平整。凿桩工作完毕后,开始进行冠梁施工.
冠梁施工分段进行,钢筋连接采用焊接连接,箍筋与主筋采用绑扎连接,冠梁同一截面主筋搭接率达到50%。
采用钢模板或直接在土中挖槽做模。施工中要求放线准确,模深一致,模壁平直,有塌土处,可用灰土抹平或用模板支平。然后进行混凝土浇筑,浇注完毕后注意养护。
5.8 桩间土支护施工
对于按照一定间距布置的排桩,桩间土一般采用网喷支护。桩间网喷施工工艺一般为:制作钢筋网→铺设钢筋网→植入强筋筋→混凝土配料→喷射混凝土→砼面板养护→制作泄水孔
5.8.1制作钢筋网
钢筋网钢筋一般采用Φ8.0~10mm盘条,现场按要求调直。
5.8.2铺设钢筋网
在护壁面人工清理工作完成后即可铺设制作好的钢筋网。
5.8.3加强筋植筋
桩间网喷的加强筋采用植筋方式与支护桩相连,加强筋植入桩体深度按照设计要求。
5.8.4混凝土配料
网喷混凝土采用干喷法,混凝土干料采用人工现场搅拌的方式拌和。水泥与砂、石重量比宜为1:4.0~4.5。施工前应现场抽取混凝土原材料,并送试验室做喷射混凝土C20强度等级的配合比报告。现场根据该报告进行原材料的称重计量拌和。一般采取随拌随用的方式施工,以避免拌和混凝土干料中水泥超过初凝时间,影响混凝土质量。
5.8.5喷射混凝土
一般采用采用PZ-5B系列干喷混凝土设备,用9~12m3压缩空气作动力,在施工前应对机械设备、风、水管路、输料管和电缆线路等进行全面检查及试运行,确保施工过程的顺利。
5.8.6砼面板养护
在混凝土喷完后2h应按规定进行喷水养护,养护时间根据气温确定,宜为3~7d,确保混凝土面层的后期质量。
5.8.7制作泄水孔
每层支护施工完成后,即在基坑壁面上按照一定间距凿出泄水孔,以保证壁外积水排放,泄水孔必须击穿混凝土护壁达到原土层,有明显渗水的地方,设置塑料排水管,以便更好的排出积水或渗水。
六、质量标准
1、灌注桩排桩和截水帷幕施工前,应对原材料进行检验。
2、灌注桩施工前应进行试成孔,试成孔数量应根据工程规模和场地地层特点确定,且不宜少于2个。
3、灌注桩排桩施工中应加强过程控制,对成孔、钢筋笼制作与安装、混凝土灌注等各项技术指标进行检查验收。
4、灌注桩排桩应采用低应变法检测桩身完整性,检测桩数不宜少于总桩数的20%,且不得少于5根。采用墙合一时,低应变法检测桩身完整性的检测数量应为总桩数的100%;采用声波透射法检测的灌注桩排桩数量不应低于总桩数的10%,且不应少于3根。当根据低应变法或声波透射法判定的桩身完整性为Ⅲ类、Ⅳ类时,应采用钻芯法进行验证。
5、灌注桩混凝土强度检验的试件应在施工现场随机抽取灌注桩每浇筑50m³必须至少留置1组混凝土强度试件,单不足50m³的桩,每连续浇筑12h必须至少留置1组混凝土强度试件有抗渗等级要求的灌注桩尚应留置抗渗等级检测试件,一个级配不宜少于3组。
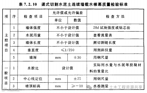
6、基坑开挖前截水帷幕的强度指标应满足设计要求,强度检测宜采用钻芯法。截水帷幕采用单轴水泥土搅拌桩、双轴水泥土搅拌桩、三轴水泥土搅拌桩、高压喷射注浆时,取芯数量不宜少于总桩数的1%,且不应少于3根。截水帷幕采用渠式切割水泥土连续墙时,取芯数量宜沿基坑周边每50延米取1个点,且不应少于3个
6.2 验收标准
灌注桩排桩支护的质量检验标准应符合下表的规定。
七、安全环保措施
7.1 安全措施
1、施工场地内一切电源、电路的安装和拆除,应由持证电工专管,电器必须严格接地接零和设置漏电保护器,现场电线、电缆必须按规定架空,严禁拖地和乱拉、乱搭。
2、所有机器操作人员必须持证上岗。
3、 施工场地必须做到场地平整、无积水,挖好排浆沟。
4、 水泥堆放必须有防雨、防措施,砂子要有专用堆场,不得污染。
5、 施工机械、电气设备、仪表仪器等在确认完好后方准使用,并由专人负责使用。
7.2 环保措施
1、 施工场地、道路的硬化处理。
2、易于引起粉尘的细料或松散料运输时用帆布等遮盖物覆盖;
3 、施工废水、生活废水不得直接排入耕地、灌溉渠和水库:
4、食堂保持清洁,腐烂变质的食物及时处理,食堂工作人员应有健康证;
5、对驶出施工现场的车辆进行清理,设置汽车冲洗台及污水沉淀池:
6、安排工人每天进行现场卫生清洁。
7、施工时做好机械噪音的防护同时做好排污水的沉淀处理
8、施工时做好基坑周围临边的防护。
9、在灌注桩的混凝土达到设计强度之前禁止任何重型机械和运输设备在旁边行驶以防导墙受压变形。



