安川伺服硬件介绍
1、面板介绍
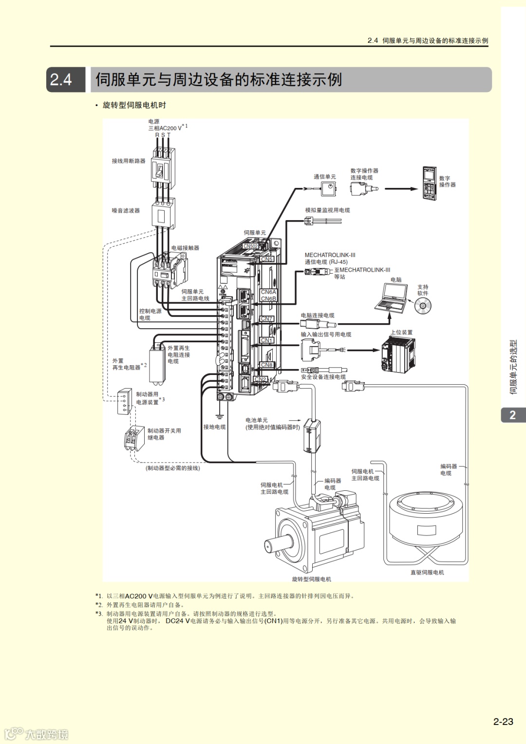
2、连接示例
3、更换新伺服


1、备份伺服参数(联系奥特维工程师)
2、伺服控制器断电,拆除连接线
3、安装新伺服,还原连接线
4、伺服拨码
5、下载新伺服参数(联系奥特维工程师)
6、重启伺服控制器
奥特维技术服务安川伺服硬件介绍
1、面板介绍
2、连接示例
3、更换新伺服


1、备份伺服参数(联系奥特维工程师)
2、伺服控制器断电,拆除连接线
3、安装新伺服,还原连接线
4、伺服拨码
5、下载新伺服参数(联系奥特维工程师)
6、重启伺服控制器