提示:点击↑上方"土木工程资源共享"关注加入
点我资料免费下
【重磅福利】
一、混凝土溜槽施工技术
01
技术原理
溜槽施工的优点:
溜槽施工适用范围:
02
设计要点
(1)主溜槽数量设置:
(2)溜槽方向及间距:
(3)分支溜槽及串筒设置:
03
应用实例
◆中国国际贸易中心三期A阶段

二、地下室顶板后浇带预封闭技术
01
技术原理
1、创新:
2、技术特点:

三、取消后浇带施工技术
01
技术背景
02
取消后浇带的方法及依据
03
取消后浇带的优点
1)、提升质量。
取消后浇带增强了结构整体性、抗震性、耐久性、抗渗性,避免后浇带后期处理不到位所产生的各种隐患,保证工程质量。
2)、缩短工期。
取消后浇带,减少了剔凿及二次浇筑等工序,提前对结构进行封闭,为二次结构及装修工作提前插入创造条件,可大大缩短施工工期。、
3)、节约成本。
取消后浇带后,模板及支撑不用单独设置,并且此位置模板及支撑可随同层楼板模板及支撑体系同时拆除并周转使用,可节省模架租赁费用;不需要二次剔凿和清理,节约人工费;不需要单独防护,节约防护费用;止水带可少设或不设置,节约止水带费用
04
工程实例
1)、双流县第一人民医院迁建工程PPP项目:
建筑面积20.9万m2,地下1层,单层面积约6.8万m2,地上5-9层。整个工程原设计共计7295m温度后浇带,2172m沉降后浇带,最终取消全部温度后浇带。工期提前50天,节约成本56.4万元。
2)、梅兰芳大剧院:
建筑面积161643m2,地下三层,地上20 层基础底板东西长197.6m,南北长87m,底板最厚2.25m,底板混凝土浇筑总量19800m3,一次浇筑总量最大约7500m3。该工程原设计后浇带总长度5350m,最终全部取消,节约费用共约106.96 万元。
3)、金鼎商贸区C 地块工程:
位于石景山,建筑面积153815m2,地上两栋15 层,两栋9 层,裙房5 层,地下3 层。地基土质为卵石层,反梁筏板基础。取消伸缩后浇带4950m,取消沉降后浇带1950m。

四、不同形式塔吊基础设计与施工技术
01
塔吊基础形式选择
桩基础
利用护坡桩的桩基础
利用工程桩的桩基础
组合式基础
02
不同基础形式设计要点
均为新增基础桩的桩基础
利用护坡桩的桩基础
利用工程桩的桩基础
组合式基础
03
不同基础形式施工要点
桩基础
组合式基础

五、止水帷幕形式选择与应用
01
水泥土搅拌法帷幕
天津嘉里中心
02
地下连续墙止水帷幕
天津津塔
03
CSM水泥土双轮铣搅拌墙止水帷幕
天津金融街和平中心
04
高压旋喷桩+袖阀管注浆组合式止水帷幕
在卵石层较厚且粒径较大的高渗透系数富水地层目前仍无有效可靠的止水帷幕,高压旋喷桩利用高压通过旋转的喷嘴将水泥浆喷入地层形成水泥土加固体填充桩间空隙;外排袖阀管形成封闭挡墙,内排钢质袖阀管注浆通过渗透、压密、劈裂等方式进一步填充砂卵石空隙,二者优势组合,形成封闭止水帷幕。
深圳平安金融中心
05
超深基坑二次开挖槽底复合止水帷幕
超深基坑槽底复合止水帷幕施工技术是在基坑开挖至槽底后,在坑底内侧周边工作面,从上往下采用高压旋喷工艺处理上部土层、全风化、强风化岩层等;下部的中风化岩、微风化岩裂隙全部由循环灌浆工艺分序灌实、挤密;二者结合,从上到下形成一道连续的复合止水帷幕。
适用于超深基坑在开挖至槽底后还需进行大体量二次开挖的项目,这种复合式止水帷幕对于地下水丰富、裂隙发育良好的岩层地区,有着无可替代的优势。
深圳平安金融中心

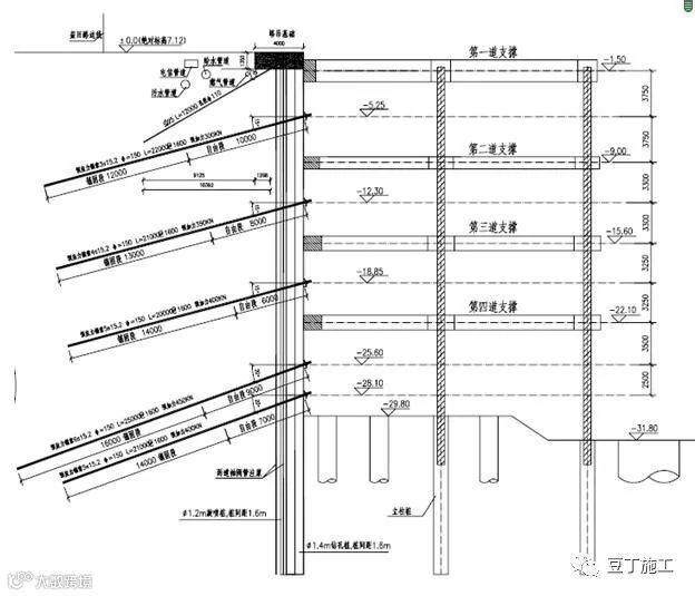
六、钢筋混凝土支撑拆除施工技术
01
支撑拆除要点及考虑因素
内支撑拆除要点
(1)内支撑拆除应遵照当地政府的有关规定,考虑现场周边环境特点,按先置换后拆除的原则制定详细的操作条例,认真执行,避免出现事故;
(2)内支撑相应层的主体结构达到规定的强度等级,并可承受该层内支撑的内力时,可按规定的换撑方式将支护结构的支撑荷载传递到主体结构后,方可拆除该层内支撑;
(3)内支撑拆除应小心操作,不得损伤主体结构。在拆除下层内支撑时,支撑立柱及支护结构在一定时期内还处于工作状态,必须小心断开支撑与立柱,支撑与支护桩的节点,使其不受损伤;
(4)最后拆除支撑立柱时,必须作好立柱穿越底板位置的加强防水处理;
(5)在拆除每层内支撑的前后必须加强对周围环境的监测,出现异常情况立即停止拆除并立即采取措施,确保换撑安全、可靠。
内支撑拆除考虑因素
02
支撑拆除模式及方法
支撑拆除模式
支撑拆除方法
拆撑方法选择总结
03
拆撑技术应用
深圳平安拆撑技术

您的转发是对我们最大的支持
猜你喜欢:
3、助力2018安全生产月,这100份安全资料合集值得入手(可下载)
来源:豆丁施工。版权归原作者及原出处所有

加入我们
投稿展示或者分享资料
一起交流一起成长
扫一扫下方二维码,灵感即刻进
官方微信或qq:483972950
官方qq群:343778875 或648915172








