提示点击↑上方"土木工程资源共享"关注加入
点我资料免费下
【重磅福利】

取样总则
(1)随机原则:各实测实量取样的楼栋、楼层、房间、测点等,必须结合当前各标段的施工进度,通过图纸或随机抽样事前确定。
(2)可追溯原则:对实测实量的各项目标段结构层或房间的具体楼栋号、房号做好书面记录并存档。
(3)完整原则:同一分部工程内所有分项实测指标,根据现场情况具备条件的必须全部进行实测,不能有遗漏。
(4)效率原则:在选取实测套房时,要充分考虑各分部分项的实测指标的可测性,使一套房包括尽可能多的实测指标,以提高实测效率。
(5)真实原则:测量数据应反映项目的真实质量,避免为了片面提高实测指标,过度修补或做表面文章,实测取点时应规避相应部位,并对修补方案合理性进行检查。
混凝土结构工程
1 基本原则
1.1 同一标段内根据各楼栋进度,在实测前随机确定已拆完模板的 2 个楼层作为砼结构工程的实测层。
1.2 根据选取楼层结构平面图,实测实量选点考虑每层结构 4 个角和中间砼剪力墙、柱。实测混凝土结构的截面尺寸每个实测层选取 10 个实测区,2 个实测层累计 20 个实测区;表面平整度、垂直度每个实测层选取 20 个实测区,2 个实测层累计 40 个实测区;窗洞口尺寸、门洞口尺寸每个实测层选取 8 个实测区,2 个实测层累计 16 个实测区。
1.3 当实测同一楼层内顶板水平极差时,每个实测层选取 5 个实测区,2 个实测层累计 10 个实测区,每个实测区实测 5 个点,每个点均作为 1 个计算点。
2 截面尺寸偏差(砼结构)


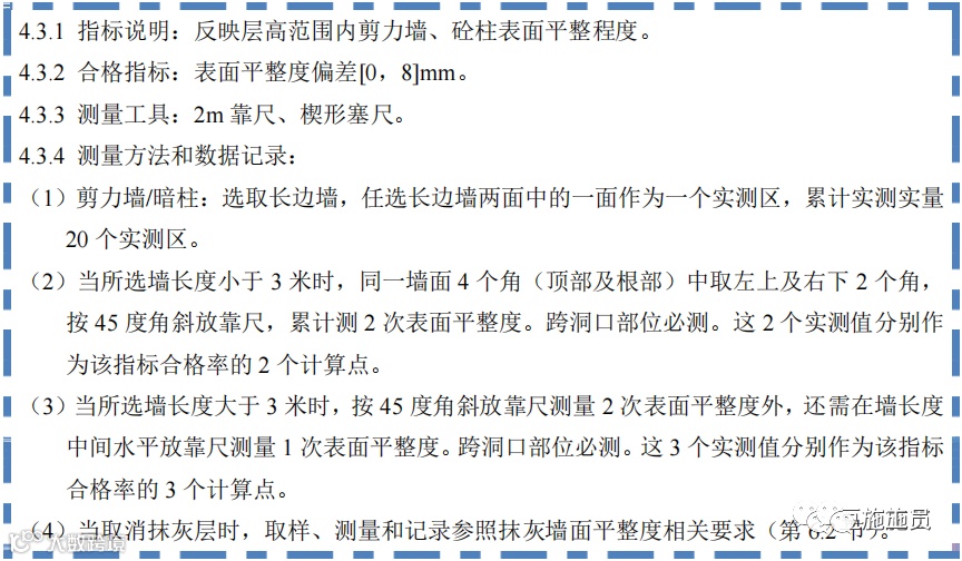
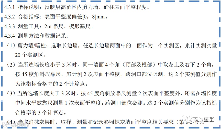
3 表面平整度(砼结构)


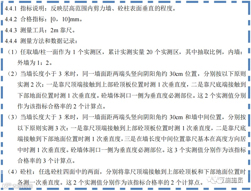
4 垂直度(砼结构)


5 顶板水平度极差(砼结构)


6 楼板厚度(楼梯相邻踏步高差)偏差(砼结构)


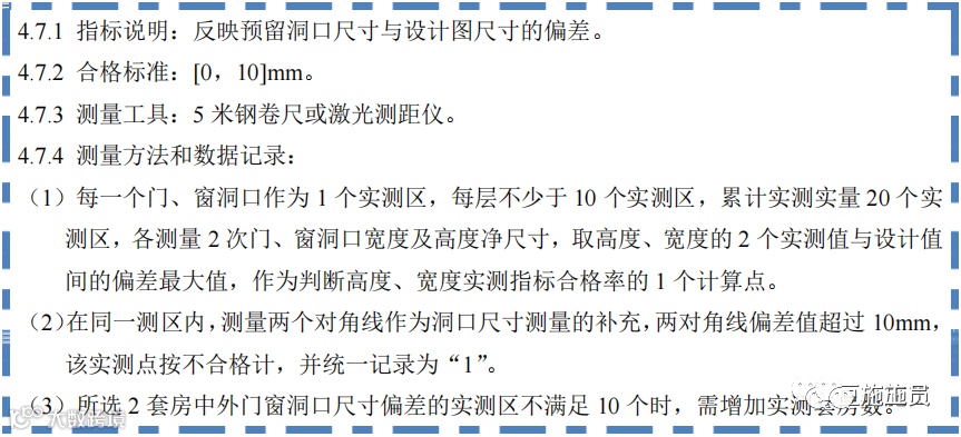
7 门、窗洞口尺寸(砼结构)


8 施工控制线设置(砼结构)


砌筑工程
1 基本原则
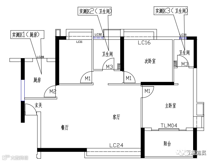
1.1 实测前,根据同一标段内各楼栋进度随机选取处于砌筑阶段 2~4 套房作为砌筑工程的实测套房。户数最多的房型为必选。累计实测实量 40 个实测区。
1.2 对于验收以后需改造的墙体仍需作为实测区,相关标准不变。
2 表面平整度(砌筑工程)


3 垂直度(砌筑工程)

4 外门窗洞口尺寸偏差(砌筑工程)


5 方正度(砌筑工程)


抹灰工程
1 基本原则
1.1 实测前,根据同一标段内各楼栋进度随机选取处于抹灰阶段 2~4 套房作为抹灰工程的实测套房。户数最多的房型为必选。
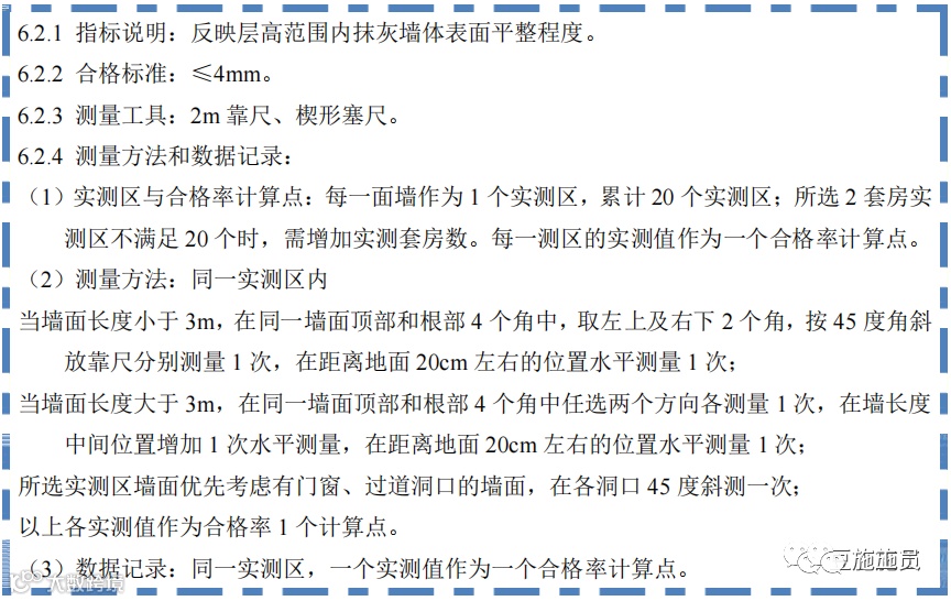
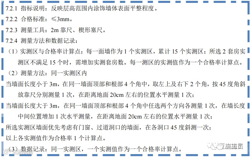
2 墙体表面平整度(抹灰工程)


3 墙面垂直度(抹灰工程)

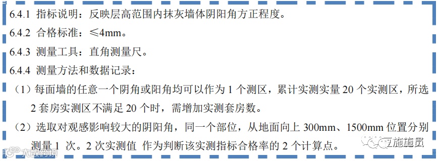
4 阴阳角方正(抹灰工程)


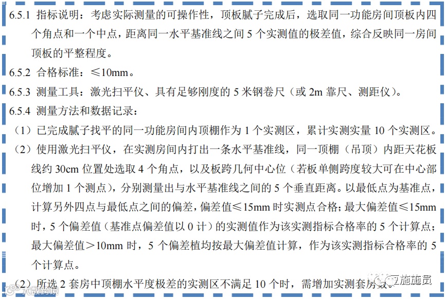
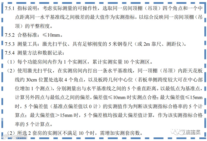
5 顶板水平度(抹灰工程)


6 方正度(抹灰工程)


7 净高(抹灰工程)


8 地面表面平整度(抹灰工程)


9 地面平整度极差(抹灰工程)


10 房间开间/进深偏差(抹灰工程)


11 户内门洞口尺寸偏差(抹灰工程)

12 户内门洞、外墙窗内侧墙体厚度极差(抹灰工程)



13 裂缝/空鼓(抹灰工程)

14 同户型同厨卫间管井尺寸偏差(抹灰工程)


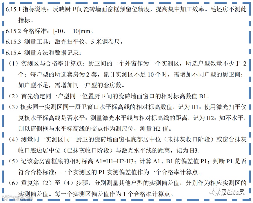
15 同户型同厨卫间窗底框标高偏差(抹灰工程)


16 同户型同厨卫间窗侧框墙距偏差(抹灰工程)


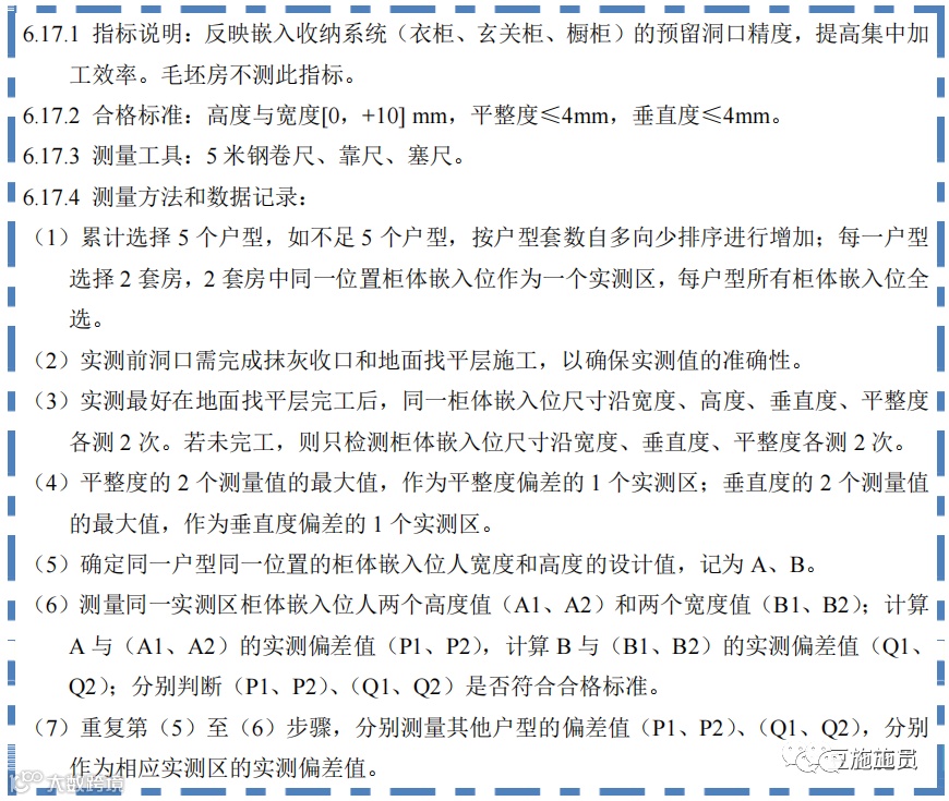
17 柜体嵌入位尺寸偏差(抹灰工程)



18 同户型同厨卫间开间/进深偏差(抹灰工程)




涂饰工程或粉刷石膏面层
1 基本原则
实测前,根据同一标段内各楼栋进度随机选取 处于装修涂饰阶段(腻子面或涂料面)2~4 套房作为实测套房。户数最多的户型为必选。
2 墙面表面平整度(涂饰工程或粉刷石膏面层)


3 墙面垂直度(涂饰工程或粉刷石膏面层)


4 阴阳角方正(涂饰工程或粉刷石膏面层)


5 顶棚(吊顶)板水平度(涂饰工程或粉刷石膏面层)


6 室内净高偏差(涂饰工程或粉刷石膏面层)


7 户内门洞口尺寸偏差(涂饰工程或粉刷石膏面层)


8 裂缝/空鼓(涂饰工程或粉刷石膏面层)

墙面饰面砖工程
1 基本原则
1.1 实测前,根据同一标段内各楼栋进度随机选取处于装修中期或后期阶段 2~4 套房作为实测套房。户数最多的户型为必选。
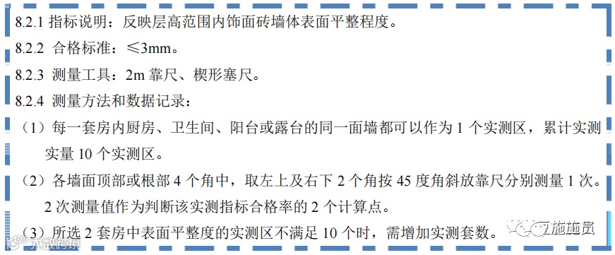
1.2 所选 2 套房的检测指标为:表面平整度、垂直度、阴阳角方正、接缝高低差,累计实测实量10 个实测区。
2 表面平整度(墙面饰面砖工程)


3 垂直度(墙面饰面砖工程)


4 阴阳角方正(墙面饰面砖工程)


5 接缝高低差(墙面饰面砖工程)


6 裂缝/空鼓(墙面饰面砖工程)

地面饰面砖工程
1 基本原则
1.1 实测前,同一标段内根据各楼栋进度,从图纸随机选取处于装修中期或后期阶段 2~4 套房作为实测套房。户数最多的户型为必选。
1.2 所选 2 套房的检测指标为:表面平整度、接缝高低差,累计实测实量 8 个实测区。
2 表面平整度(地面饰面砖工程)


3 接缝高低差(地面饰面砖工程)


4 裂缝/空鼓(地面饰面砖工程)

防渗漏工程
1 基本原则
实测前,根据同一标段内各楼栋进度随机选取处于防水工程施工阶段的 2 套房作为实测套房。户数最多的房型为必选。
2 防水卷材厚度(地下室)

3 防水卷材搭接长度(地下室)

4 阴阳角做圆(地下室)

5 保护层(地下室)

6 卫生间涂膜厚度(厨卫间)


7 找坡坡度(厨卫间)

8 砼反坎(厨卫间)

9 外窗窗台压顶(外门窗)


10 外窗滴水线、鹰嘴、排水坡度(外门窗)

11 窗框封堵(外门窗)

12 防水卷材厚度(屋面)


13 搭接长度(屋面)

14 楼梯间出屋面反坎、排气道及烟道、屋面变形缝等屋面构件反坎(屋面)

15 女儿墙(屋面)


16 找坡坡度(屋面)
框

源自 | 中建八局科技、中建八局工程研究院、中建八局一公司
12、检验批的划分、容量及抽样总结!附76个常用检验批验收表!
15、资料员、施工员、技术员请注意!三分钟搞懂施工技术资料编制重难;
猜你喜欢:
3、助力2018安全生产月,这100份安全资料合集值得入手(可下载)
加入我们
投稿展示或者分享资料
一起交流一起成长
扫一扫下方二维码,灵感即刻进
官方微信或qq:483972950
官方qq群:343778875 或648915172



