
▲航拍现场(图源:极目新闻)
8月23日8时31分许,浙江余姚市泗门镇长振路7号宁波雨菲化妆品包装用品有限公司一钢结构建筑倒塌,有12人被困。目前所有被困人员全部搜寻到位,其中2人已死亡。其余人员均已第一时间送医院治疗,3人危重、7人轻伤。
从现场图片看,浇筑的混凝土还没凝固,就坍塌了。荷载还没上全,就塌了,估计是钢结构还没形成稳定的结构体系,失稳坍塌了。
事件发生后,宁波市主要领导高度重视,迅速派出市政府相关领导第一时间赶赴现场指挥处置,全力组织应急、消防等部门开展搜救。现场地面潮湿,正在下雨。
目前所有被困人员全部搜寻到位,其中2人已死亡。其余人员均已第一时间送医院治疗,3人危重、7人轻伤。
下一步将全力做好伤员救治、迅速开展事故原因调查、做好善后处置等相关工作。
建筑施工,由于生产周期长、工人流动性大、露天作业、立体交叉作业多等特点,各类安全事故就像一只“噬人的恶虎”,时刻威胁生命安全,生命只有一次,安全生产万万不能“抓大放小”!
钢结构是由钢制材料组成的结构,是主要的建筑结构类型之一。它主要由型钢和钢板等制成的梁钢、钢柱、钢桁架等构件组成,并采用硅烷化、纯锰磷化、水洗烘干、镀锌等除锈防锈工艺。各构件或部件之间通常采用焊缝、螺栓或铆钉连接。
钢结构锈蚀后会降低它的承载力,严重影响它的耐久性,破坏它的坚固性,造成事故发生。
钢结构变形将影响组装和连接,降低结构的稳定性和整体刚度,降低了构件的承载力,从而诱发钢结构的变形事故。常见的变形主要包括:钢材冷加工变形、钢材初始变形、因高温或碰撞引发的变形、制作安装变形和焊接变形等。
由于钢结构材料生产制程缺陷使钢材的韧性和塑性降低,钢材性能降低后引发事故。
钢结构的突出缺点就是耐火性差,在火灾中,钢结构受热引发力学性能下降,它的承载力逐渐降低,从而造成了钢结构的坍塌。
由于钢结构或者构件的局部稳定性或整体稳定丧失而容易诱发事故。如果在施工和安装过程中,不采取适当的临时支撑体系来维持钢结构的稳定性,就很容易造成钢结构失稳继而倒塌甚至是倾覆。
疲劳破坏是指在反复的交变荷载作用之下,应力水平远远低于钢材的屈服点或极限抗拉强度情况下发生的钢构件以及结构的破坏现象。比如:重复使用钢材使得截面易发生突变和焊缝过于集中等。
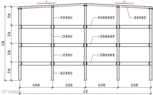
门式刚架结构以柱、梁组成的横向刚架为主受力结构,刚架为平面受力体系。为保证纵向稳定,设置柱间支撑和屋面支撑。
刚架柱和梁均采用截面H型钢制作,各种荷载通过柱和梁传给基础。
刚性支撑采用热轧型钢制作,一般为角钢。柔性支撑为圆钢。系杆为受压圆钢管,与支撑组成受力封闭体系。
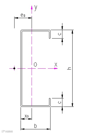
一般为C型钢、Z型钢。承受屋面板和墙面板上传递来的力,并将该力传递给柱和梁。
■山墙刚架其本质也是多连跨刚架,不过中间柱与刚架柱比截面旋转了90度。
b.刚接-支撑框架:横向采用刚接,纵向采用铰接,并在纵向设置支撑,以传递水平力。
c.支撑式框架:纵横向均采用铰接,两向均设置支撑传递水平力。
d.有时为保证足够的刚度,在刚接框架中亦设置支撑。
框架柱可采用H型截面、箱形截面、十字形截面、圆管形截面等。所有上部结构的力都通过框架柱传递给基础。
框架梁一般采用H型截面。楼盖和屋盖上的力通过框架梁传递给框架柱。
支撑采用一般采用热轧型钢制作,其功能是传递层间水平力和保证结构的刚度。
■支撑分为柔性支撑和刚性支撑两种。柔性支撑由圆钢制作,安装时必须张紧,主要用于门式刚架结构。刚性支撑由型钢制作,用于多层框架、吊车梁下段支撑等刚度要求高的结构中。
■系杆和支撑联合作用,形成封闭的受力体系。在支撑端头有刚性构件和传递压力的情况下,不需设置系杆。
■根据需要,支撑还有人字形、八字形、K形、V型、门形、L形、Y形、单斜杆等形式。
■隅撑的设置在于梁或柱受压翼缘的平面外计算长度。隅撑可用角钢制作或扁钢压制成型。
■在多层框架体系中,梁柱刚接的位置常设置水平隅撑。
■吊车吨位大时设置制动桁架或制动梁来抵抗横向水平荷载。
蓬用压型钢板采用HV-197TD-788板和HV-205TD-820板。
■该板型可用于屋面板和墙面板,采用自攻螺钉和屋面檩条或墙梁连接。
■用作屋面板时,螺钉穿过波峰与屋面檩条固定;用作墙面板时,螺钉在靠近波峰的波谷平直段与墙梁固定。
■该板型可用于屋面板和墙面板,采用自攻螺钉和屋面檩条或墙梁连接。
■用作屋面板时,螺钉穿过波峰与屋面檩条固定;用作墙面板时,螺钉在靠近波峰的波谷平直段与墙梁固定。
■该板型用于墙面板,采用自攻螺钉和屋面檩条或墙梁连接;螺钉在靠近波峰的波谷平直段与墙梁固定。
■该采光板板型配合HV-203KL-406板使用。
■该采光板板型配合HV-380SF-760板使用。
■该采光板板型配合HV-475SF-475板使用。
■该采光板板型配合HV-197TD-788板使用。
■该采光板板型配合HV-205TD-820板使用。
■该采光板板型配合HV-225TD-900板使用。
■上图为CV-203-406板连接节点图;自攻螺钉穿透采光板(和压型钢板)与檩条连接。
■除CV-475-475外,其它采光板参照上图处理。
■HG-240-720板连接参照HG-344-688楼承板连接图。
■天沟为钢板折制成型;根据钢板选用的材质和涂层情况,可分为普通钢板天沟、镀锌钢板天沟、不锈钢板天沟三类。
■通风器根据喉宽Wm分为1m、1.5m、2m、2.5m四种规格,长度依据要求换气量和房屋长度确定。
■骨架每1.5m设置一个,通过下部连接孔与屋面檩条或专设横梁连接。
■通风器与屋面压型钢板之间的防水处理还可以采用得泰盖片处理。
■有动力风机由于重量较大,下部必须设置支承龙骨来承担风机荷载。
■彩板推拉门根据需要可做成单层彩板、双层彩板、夹芯板三种形式。
■彩板双开门根据需要可做成单层彩板、双层彩板、夹芯板三种形式。
■中空金属门用于民用建筑和工业建筑的办公室等房间。
■W1因内墙压型钢板不同而取值不同;W2根据砖墙、墙梁的差异而取不同的数值。

说明:
■W1、W2、W3、W4、W5尺寸根据墙面压型钢板和墙梁的不同而变化。
1、史上最全市政工程竣工资料归档内容整理,这个必须收藏!
2、超全面的施工单位报验资料全集,值得收藏!
3、建筑资料员的辛酸,看下女汉子是怎么说的;
4、验收资料,建设监理签字用语规范大全,收藏备用!
5、从资料员到工程师的打怪升级之路,值得一看!
6、验收资料,监理签字用语规范大全,就是这么专业!
7、监理从开工至竣工,需要收集整理哪些资料?
8、40条工程资料审批意见,史上最标准版!
9、基础及主体结构验收的这些资料,记得要准备好!
10、工地施工资料不会做?看这里,做资料不在迷茫!
11、工程部资料归档、保管、移交、整理……超齐全;
12、检验批的划分、容量及抽样总结!附76个常用检验批验收表!
13、安全内业资料最强总结,看完就用!
14、超牛!看资料员新手怎样做出一项漂亮的工程资料!
15、资料员、施工员、技术员请注意!三分钟搞懂施工技术资料编制重难;
16、合格资料员的4个阶段工作流程,有了它做起来事半功倍
17、建筑工程现行常用施工质量验收规范汇总-每一位建筑工程从业者的必备工具!