
今年Pi Day马上就要来啦!
有新入坑的小伙伴吗?
本周开放夜我们从入门基础讲起
给大家介绍树莓派大家庭里的成员
以及树莓派的有趣项目
想要了解莓派的小伙伴不要错过啊!
且看各位大佬们掏出树莓派大显身手,
小白们在吃“派”的同时
也可以跟着大佬动起来、学起来哦。
至于还没入坑的小伙伴们,
小派们还在等你接回家

emmm
现在可能只有pico在等
其他型号的贵且没货

NO.1
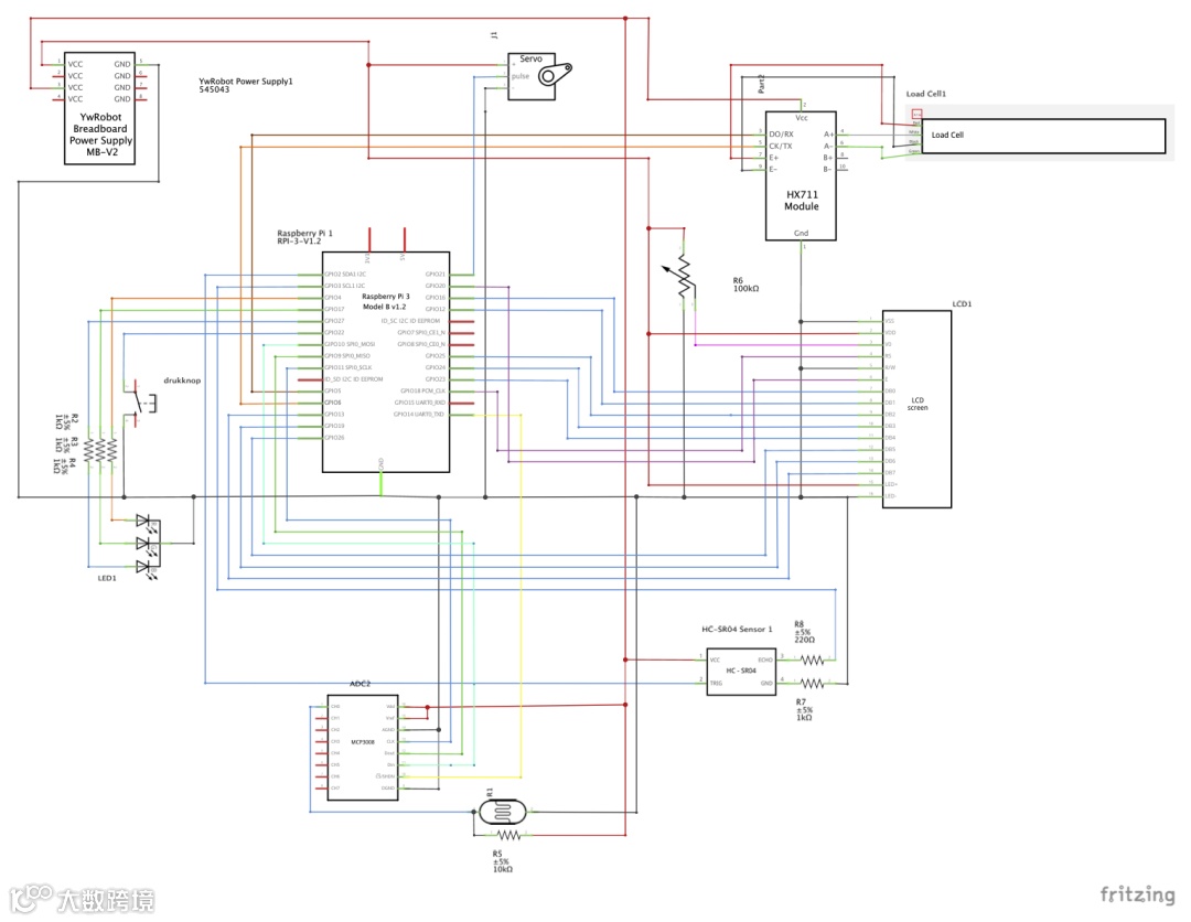
除了屏幕,树莓派还能连接各式各样的配件。
TF 卡(建议选class10)、键盘、鼠标、读卡器、显示器、电源、外壳、散热片等等。经过创客们的智慧与各类硬件组合,甚至可以诞生游戏机、密码锁等新奇有趣的东西。
来源于Youtube
树莓派经过迭代后
已经成为一个庞大的家族,
大家可以来开放夜一起来
聊聊你想做的树莓派项目!
NO.2
你可能会收获一台“数码显微镜”
显微镜可以用来检查你的电子元器件、3D打印作品,或者是生活中的小玩意儿。
活动
信息
时间:2022年3月3日 周四 19:30-21:00
地点:上海浦东新区博云路111号 B1
线下参与 报名入口

线上观看直播入口
蘑菇云创客空间致力于提供一个创新开放的交流平台,如果你热爱创造,喜欢创新,那就来蘑菇云实现自己的奇思妙想!

