*项目作者:KIKIYA
*资料来源:dfrobot.com.cn
明天万圣节了

一堆理工男又要在这个日子出来做妖了
他们不甘于只是扮个鬼,戳戳鬼
他们非要戳自己脑洞
借着这个名义造些东西出来了
最近发现了一个很割肾的东西
看好了下面这个东西的名字叫
DEATHSTAR TRENCH RUN TABLE
(星球大战:海沟战争茶几)
出自 我们的外国友人之手BadWolfProps
割肾指数★★★★☆
DEATHSTAR: TRENCH RUN
解释:一款太空射击类网页游戏,由星球大战4:新的希望场景制作,同时也可以在app store上架。
在血淋淋的万圣节
让我们来一场大战把


你知道这些都是什么吗?!!!!
都是板子呀活生生的板子



制作者用棉花和LED
加上一点点喷漆的修饰
制作了一个逼真的 爆 炸 云


加上作为装饰的飞行器
一场在暗黑死星海沟内惊心动魄的飞船追逐就开始了
我觉得这个小哥接下来的生活就是下面这样了
虽然小哥没有分享他的制作过程
但是这个富贵感是没有办法形容的
吼吼

完美的照应了主题月光光心慌慌
月底的万圣节
有什么比钱包见了底更可怕呢
★超酷炫的恶灵骑士
割肾指数★★★☆☆
恶灵骑士 Ghost Rider
解释:恶灵骑士(Ghost Rider)是美国漫威漫画旗下的超级英雄,初代恶灵骑士本名乔纳森·布雷泽(Jonathan Blaze),简称强尼·布雷泽(Johnny Blaze),原是一名摩托车特技车手,为了拯救患癌养父便和魔鬼墨菲斯托做了交易而被邪灵扎坦诺斯附身,随后得到了控制地狱火的力量和可以让罪恶感受到痛苦的审判之眼。强尼成为了追求复仇的恶灵骑士。

3D打印的骷髅头盔和小型的水族箱泵
再加上发光的LED灯

配上一身帅帅的皮夹克
恶灵骑士就诞生了呢

★BlueGirl蓝裙子的女孩
割肾指数★★☆☆☆

在走廊的尽头
一副画着蓝裙子小女孩的油画挂在墙上
当你想走进仔细看看这副惟妙惟肖的画作
突然小女孩的眼睛变成了红色正看着你
材料清单:
一幅画 红外接近传感器
Arduino LED灯 连接线

★HALLOWEENARDUINO SKELETON万圣节骷髅
割肾指数★★★☆☆

为了让万圣节看起里更“scary”一点
骷髅会在有人走过的时候突然醒过来
抬起他的手臂眼球发红
只要把他悬挂在昏暗的角落里
等待下一个受害者就可以了


材料清单:
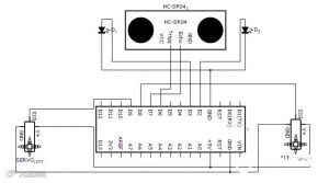
可以活动的塑料骨架 Arduino UNO X1
ArduinoPrototyope Shield原型扩展板万用板X1
带夹线的9V电池 超声波传感器X1 微型伺服电机X2 红色LED灯X2
金属托槽X1 垫片和螺钉X2 电线连接器 胶带 电路板跳线 杜邦线

用金属支架将Arduino固定在胸前找一个地方固定9V电池
用连接线将固定肩膀两侧的伺服器
将超声波传感器固定在头部街上红色LED灯
连接上Arduino放入写好的文件
找个受害者试验一下
这时候估计穷的只剩裤衩了
Halloween Party !
不过万圣节还没到
钱包就空空了
那还怎么迎接欢乐的万圣节呢
介绍一些就算月光光了
也不会让你心慌慌的小东西
熊孩子绝对是万圣节最可怕的群体之一了
不给糖果就捣蛋
一群批着白床单的熊孩子

来敲门了咚咚咚
★ 满地爬的夜行电动蜘蛛
富贵指数★☆☆☆☆
振动马达 Vibrating Motor
解释:振动马达的振动是因为在马达轴上有一个偏心轮,当马达转动的时候,偏心轮的重心不在马达的转心上,使得马达处于不断失去平衡的状态,由于惯性作用引起的振动。
来自创客达芬奇Ryan的小作品

准备材料及其的符合我们月光光的主题


材料清单:
瓶盖黑色的扭扭棒 黑色卡纸
纽扣电池一小块磁铁 振动马达 LED小眼
都是一些可以很容易找到的材料
做起来也很简单
熊孩子爱怎么折腾怎么折腾
弄坏了也不心疼
现在慌乱的心是否有平静了许多呢
★复活的吸血鬼
割肾指数★☆☆☆☆
吸血鬼 Vampire
解释:吸血鬼是死后从坟墓里爬出来吸血的僵尸。在当时欧洲医疗不发达的状况下,人们对于卟啉病及其恐慌,将有些没有真正死亡的人在下葬后苏醒的病患魔化,当作不死的存在。吸血鬼的特征也是源于该疾病的患者光敏感、需要输血维持生命等病征。

创意是怎么出来的?绝对是逼出来的
所以被逼出来的吸血鬼棺材是万圣节最佳作品
当去掉十字封印
棺材打开的一刹那
他们的表演就要开始了

棺材盖联通电路部分使用了导电布胶带
★尽情翻滚吧,南瓜
南瓜灯 Jack-o-lantern
解释:传说有一个名叫杰克的人非常吝啬,因而死后不能进入天堂,而且因为他取笑魔鬼也不能进入地狱,所以,他只能提着灯笼四处游荡,直到审判日那天。人们为了在万圣节前夜吓走这些游魂,便用芜菁、甜菜或马铃薯雕刻成可怕的面孔来代表提着灯笼的杰克,这就是南瓜灯的由来。
割肾指数★☆☆☆☆

自制的小南瓜被打扮成了张着大嘴
挥舞着“触角”的“旋转木马”
转呀转呀
哈哈哈哈莫名其妙的
就变得喜感起来了呢
都快忘记自己月光光了的事情了吧
★邪恶黑势力版棒棒糖
本产品出自我们蘑菇云的妹子之手
后期布置出自小编之手
(比如盒子里的不明物体)
晴天娃娃 Sunny Doll
解释:晴天娃娃是一種懸掛在屋檐上祈求晴天的布偶,主要流傳於中國和日本之中,據說只要做好晴天娃娃並吊在屋簷上,就能讓不好的天氣隔天馬上放晴。
割肾指数★☆☆☆☆

制作及其简单
在棒棒糖外面包一层褶皱纸
简单装饰一下就好了
万圣节送礼良品
送男女老少都可以呢~
又应景又对的起自己的钱包


*欢迎转发朋友圈。如需转载,请注明出处和原作者。
项目干货戳这里
吃币机器人 | 骨骼追踪抛物预判垃圾桶 | 弹球机
家庭萌宠Pando | DIY迷你装载机 | 物联网项目精选
自制酸奶机 | wifi 气象站 | 极简感应灯 | lululu时钟鹿

点击“阅读原文”,了解更多创客项目!

