

前俩天我在浏览购物网站的时候,被一个购物清单吸引住了,
5个ATtiny13单片机售价1.5美元。
你敢相信,一个可编程的微控制器,只要0.3美元!于是我打算捡个便宜,买几个回来玩玩。
为了让买回来的ATtiny13不落在角落里吃灰,我上网搜索了 "ATtiny13 Arduino"的关键词,发现Arduino支持ATtiny13,所以我准备拿他搞些事情。
ATtiny13对库的支持有限,所以除了让它点亮几个LED之外,我暂时没有想到其他玩法。
正当我苦苦思索还能做什么时,突然想到了一个很久以前的项目。
那是一个使用ATtiny85的PoV显示器。

PoV显示器基本上是一堆闪烁的LED,并有一些精心安排的延迟。而我发现ATtiny13和ATtiny85都有相同的引脚布局。
那么…… 嘿嘿,我也来做一个!
材料准备
-
1 x ATtiny13 -
5个3毫米的LED(也可以用5毫米的LED,3毫米的看起来更好,因为可以更靠近PCB) -
1个CR2032电池 -
1个CR2032电池座 -
1个滑动开关 -
原型PCB或定制PCB -
电烙铁
什么是PoV显示器,它们是如何工作的?
人眼在观察景物时,光信号传入大脑神经,需经过一段短暂的时间(1/16秒),光的作用结束后,视觉形象并不立即消失,这种残留的视觉称“后像”,视觉的这一现象则被称为“视觉暂留”。
比如你看一个正常的显示器,像素是以矩阵方式排列的,但在PoV显示器中,像素或者LED则是排列成一个阵列的。就像是你快速翻动小人书那边,由于视觉暂留效应,小人书的人会动起来,这边我们看到的,也不会是一排LED,而是一串字母或者是一幅图像。
Arduino IDE相关设置
你可能正盯着ATtiny13,想知道 "我到底该怎样为这个东西编程,它又没有像Arduino那样的USB接口"。
好吧,要为这个微控制器编程,你需要另一个Arduino,Arduino Nano或Arduino Uno都可以。
下载并安装Arduino IDE。
用USB线将你的Arduino Nano / Uno连接到电脑上。
打开 工具->开发板,选择你的主控板(注意选Uno/Nano而不是ATtiny13)。
现在我们需要将我们的Arduino转换成一个编程器。
在Arduino IDE中,打开文件 -> 示例 -> 11.ArduinoISP -> ArduinoISP
并点击上传按钮。
如果上传成功,就可以用我们的Arduino为其他微控制器编程了。
现在我们还需要在Arduino IDE上安装ATtiny13的硬件包,因为IDE默认不支持ATtiny13。
打开文件 -> 首选项 -> 附加开发版管理器网址
然后粘贴上下面的链接:
https://mcudude.github.io/MicroCore/package_MCUdude_MicroCore_index.json
然后打开工具 -> 开发板 -> 开发板管理器。
从列表中找到MicroCore并点击安装。
ok,现在你就可以从Arduino IDE中选择到ATtiny13了。
选择工具 -> 开发板 -> MicroCore -> ATtiny13
我们需要在Arduino IDE中再改变一些选项,
打开工具,并设置以下值:
| Option | Value |
|---|---|
| Board | ATtiny13 |
| BOD | 2.7v |
| Clock | 9.6Mhz internal Osc. |
| Timing | "Micors Disabled" |
| Port | Select Serial Port in which your Arduino is connected |
| Programmer | Arduino as ISP (MicroCore) |
对ATtiny13进行编程
现在可以把ATtiny连接到我们的Arduino了。
把ATtiny连接到Arduino,如下所示(在ATtiny中,针脚1将用一个点. 标记。)
| ATtiny13 Pin | Arduino Pin |
|---|---|
| 1 | 10 |
| 5 | 11 |
| 6 | 12 |
| 7 | 13 |
| 8 | 5v |
| 4 | Ground (GND) |
烧录引导程序到ATtiny13
这是一个一次性的设置,不用在每次上传代码到ATtiny时都重复这个设置。
点击 工具->烧录引导程序。
这将把引导程序烧到ATtiny上,现在我们就可以用Arduino IDE把程序上传到ATtiny了。
上传PoV程序到ATtiny
在Arduino中新建一个程序。
复制代码并将其粘贴到新创建的程序中。
// https://github.com/B45i/Tiny-PoV
// App to calculate array values: https://pov-display-calc.vercel.app/
// Preact app source: https://github.com/B45i/pov-display-calc
#include <avr/pgmspace.h>
#define DELAY_TIME 1
#define CHAR_BREAK 2
uint8_t leds[] = { 0, 1, 2, 3, 4 };
uint8_t keys[] = { 1, 2, 4, 8, 16 };
void setup() {
for (uint8_t i = 0; i < 5; i++) {
pinMode(leds[i], OUTPUT);
}
}
const PROGMEM uint8_t alphabets[][5] = {
{ 0, 0, 0, 0, 0 }, // Space
{ 30, 5, 5, 30, 0 }, // A
{ 31, 21, 21, 10, 0 }, // B
{ 14, 17, 17, 10, 0 }, // C
{ 31, 17, 17, 14, 0 }, // D
{ 31, 21, 21, 17, 0 }, // E
{ 31, 20, 20, 16, 0 }, // F
{ 14, 17, 19, 10, 0 }, // G
{ 31, 4, 4, 4, 31 }, // H
{ 0, 17, 31, 17, 0 }, // I
{ 0, 17, 30, 16, 0 }, // J
{ 31, 4, 10, 17, 0 }, // K
{ 31, 1, 1, 1, 0 }, // L
{ 31, 12, 3, 12, 31 }, // M
{ 31, 12, 3, 31, 0 }, // N
{ 14, 17, 17, 14, 0 }, // O
{ 31, 20, 20, 8, 0 }, // P
{ 14, 17, 19, 14, 2 }, // Q
{ 31, 20, 22, 9, 0 }, // R
{ 8, 21, 21, 2, 0 }, // S
{ 16, 16, 31, 16, 16 }, // T
{ 30, 1, 1, 30, 0 }, // U
{ 24, 6, 1, 6, 24 }, // V
{ 28, 3, 12, 3, 28 }, // W
{ 17, 10, 4, 10, 17 }, // X
{ 17, 10, 4, 8, 16 }, // Y
{ 19, 21, 21, 25, 0 }, // Z
{ 31, 17, 31, 0, 0 }, // 0
{ 18, 31, 16, 0, 0 }, // 1
{ 29, 21, 23, 0, 0 }, // 2
{ 21, 21, 31, 0, 0 }, // 3
{ 7, 4, 31, 4, 0 }, // 4
{ 23, 21, 29, 0, 0 }, // 5
{ 31, 21, 29, 0, 0 }, // 6
{ 1, 1, 31, 0, 0 }, // 7
{ 31, 21, 31, 0, 0 }, // 8
{ 23, 21, 31, 0, 0 }, // 9
};
void displayLine(uint8_t line) {
for (uint8_t i = 0; i < 5; i++) {
digitalWrite(leds[i], (line & keys[i]) == keys[i]);
}
}
void displayLetter(uint8_t n) {
for (uint8_t i = 0; i < 5; i++) {
displayLine(pgm_read_word_near(alphabets[n] + i));
delay(DELAY_TIME);
}
displayLine(0);
}
void displayString(char *s) {
for (uint8_t i = 0; i < strlen(s); i++) {
uint8_t index;
if (s[i] == ' ') {
index = 0;
} else if (isalpha(s[i])) {
index = (uint8_t)toupper(s[i]) - 64;
} else if (isdigit(s[i])) {
index = (uint8_t)(s[i]) - 21;
}
displayLetter(index);
delay(CHAR_BREAK);
}
}
void loop() {
displayString("HELLO 123 ");
}
如果你想改变显示的文本,可以修改最后一行。
displayString("HELLO 123 "); // 替换成你想要显示的文本
根据你要使用的电机的速度,你可能还需要调整代码,更新变量DELAY_TIME和CHAR_BREAK。
代码解释
你可能会盯着这段代码思考,一些随机数怎么样能代表一个字符,我们如何用它们来正确地闪烁LED?
我们可能对使用数组来表示字符和图像比较熟悉,像类似这样:
int a[][5] = {
{0, 1, 1, 0, 0},
{1, 0, 0, 1, 0},
{1, 1, 1, 1, 0},
{1, 0, 0, 1, 0},
{1, 0, 0, 1, 0},
};
for (int i = 0; i < 5; i++) {
for (int j = 0; j < 5; j++) {
digitalWrite(LEDs[j], a[j][i]);
}
}
但是,这种方法会占用大量的内存,而且我们还必须使用多个循环来迭代它们。
现在,对于没有多少处理能力的ATtiny13来说,这并不是一个好方法。
标记的枚举法
我们不使用矩阵来表示一个字符,而是使用一个数组来表示它。
PoV显示器有5行和5列,所以我们可以使用一个长度为5的数组。
该数组中的每个元素将告诉我们是否需要打开某个特定的LED。
我们给每个LED分配一个数字(枚举),这些数字都是2的幂级数。
| LED | Enum |
|---|---|
| LED 1 | 2^0= 1 |
| LED 2 | 2^1= 2 |
| LED 3 | 2^2= 4 |
| LED 4 | 2^3= 8 |
| LED 5 | 2^4= 16 |
这些数字有一个特点,用他们组合,所产生的每一个数字的方式是唯一的。
比如:如果我们把2、4和8相加,就会得到14,而这些数字的其他组合不会产生14。
如果一个LED是关闭的,我们用0来表示它。
让我们来看看我们如何表示字母 "A"。
在第一列中,我们必须关闭LED1并打开所有其他的LED。因此,我们可以用0(LED1关闭)+2+4+8+16=30表示。
数组中的其他元素将是:
| 列 | 值 |
|---|---|
| 第1列 | 0 + 2 + 4 + 8 + 16 = 30 |
| 第2列 | 1 + 0 + 4 + 0 + 0 = 5 |
| 第3列 | 1 + 0 + 4 + 0 + 0 = 5 |
| 第4列 | 0 + 2 + 4 + 8 + 16 = 30 |
| 第5列 | 0 + 0 + 0 + 0 + 0 = 0 (所有LED全不亮) |
我们如何根据这些数字来开启和关闭LED?
很简单,你对数字和LED的枚举进行按位与运算(只有对应的两个二进位都为1时,结果位才为1),如果结果是枚举,我们就需要打开相应的LED。
拿数字30来举个例子:
| 运算 | 结果 | LED状态 |
|---|---|---|
30 & 1 == 1 |
false | 关闭LED1 |
30 & 2 == 2 |
true | 点亮LED2 |
30 & 4 == 4 |
true | 点亮LED3 |
30 & 4 == 8 |
true | 点亮LED4 |
30 & 16 == 16 |
true | 点亮LED5 |
30二进制是
11110
这个概念通常被称为标记的枚举。
你可以添加更多的字母和数字。
手动生成这些数组是很难的,所以我做了两个应用程序方便大家更好更快地生成数组。
第一个是用Preact编写的,它是专门为这个项目制作的,最多支持5个LED。
地址:https://pov-display-calc.vercel.app/
第二个是用Angular编写的,它可以支持n个LED。
地址:https://po-v-display-calculator.vercel.app/
你也可以用这俩个网页来为其他PoV项目生成代码。
只要使用这些应用程序生成数组,并将代码添加到程序中的数组即可。
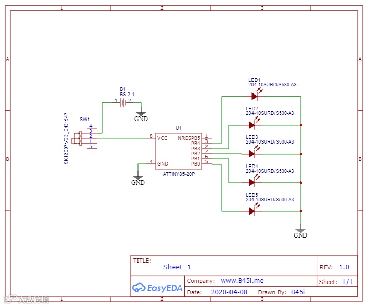
建立PoV显示电路
PoV显示电路是相当简单的,可以用下面的电路图来连接电路。
你可以使用原型电路板来焊接电路。
我已经为这个电路设计了一块PCB。如果你使用的是PCB,那么你就不用做任何布线,只需焊接元件就好了。
PCB文件可以在文末下载。
焊接好所有部件,加入电池,打开开关,把它连接到可以旋转的东西上,比如一个微型电机甚至风扇(别忘了根据角速度调整代码中的延迟,这一块儿可能需要一些试验)。
好了,现在你就有一个元件总成本不到1美元的PoV显示器了,试试效果怎么样吧!
祝你玩得开心!
原文链接:https://www.hackster.io/B45i/make-a-pov-display-with-attiny13-for-1-e94b25
项目作者: Amal Shajan
中文译文首发于DF创客社区
硬件军火库
点击了解详情👆
大家有什么想说的或者是对文章翻译的指正,欢迎在下方留言!
文中涉及到的相关文件,可以在公众号回复“PoV显示器”下载,也可以点击阅读原文,到社区下载!
往期项目回顾
点击阅读👆

