蘑菇云开放夜回顾
自制一款低成本的
RISC-V单板机
分享嘉宾
Young,电子科技大学通信工程专业大四学生。
既是从前端到操作系统均有涉猎的软件开发者,也是一名硬件hacker。自接触到嵌入式Linux以来深深被这个领域吸引,从ARM、MIPS到RISC-V架构的平台均有接触过。
回顾视频
▲ 点击观看
我们熟悉的老朋友Rockets在现场为我们介绍了本次的嘉宾Young。接下来,由线上的Young接棒,他向我们简单阐述他曾经经手的一些有意思的优秀作品。
-自制RISC-V板面介绍-
阿里平头哥半导体玄铁C906成为了Young自制RISC-V的重要契机,C906的诸多亮眼吸引了他。
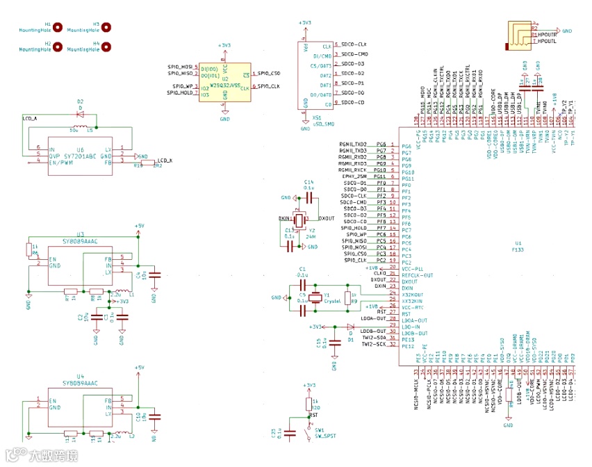
Young详细的介绍自制RISC-V板面设计所包含的所有细节,一张56mm×56mm的小板子就可以探索DS全部功能且便于焊接、手动装贴。基于原D1s芯片的功能,板子的Connectivity也非常强大。允许用户为PD\PE\PG3io选择3.3或1.8V,做到兼容更低功耗的外设。
为了方便用户使用芯片,电阻屏控制器的引脚两段分别连接到两组排针上,可以自行插线调整线序。
-从构想到现实,过程经历-
Young将最初的设计与现在的实际成品图放在一起对比,两者的模样相差很大。而在一版又一版的迭代中愈来愈丰富。
# 原理图设计
他有一句话让在座直播间的观众们印象深刻,“对于个体爱好者而言,复杂的工程并非不可企及,但绝不是一蹴而就。”
从简单的原型开始构建,之后逐步加入复杂功能。小步快跑、高速迭代的方式成为Young快速实现目标的重要方法。
都说失败是成功之母。在过程中“翻车”是成长的必经之路。自焊出了废板、DDR不上电、卡座存在虚焊等难题都挡不住Young的成功道路。自制RISC-V已经取得成功,但并不是终点,优化与升级依旧在路上。
# 有兴趣的小伙伴们可以通过以上途径与Young沟通哦
在现场和线上的提问与回答中我们迎来了落幕。感谢Young为我们带来精彩的项目分享,让我们看到年轻创客的活力与创新。
蘑菇云创客空间致力于提供一个创新开放的交流平台,如果你热爱创造,喜欢创新,那就来蘑菇云实现自己的奇思妙想!

