
社区公众号记录每周值得分享的创客相关内容,每周五发布~
内容开源,欢迎投稿或推荐相关内容。
投稿邮箱:MakerCommunity@outlook.com
头图
图片来源:Society for Science
17岁少年“手搓发动机”,参加最大的国际性青少年科学竞赛ISEF,捧走一等奖50万元奖金。
他研究的这款电动发动机,不需要稀土。
完全不需要稀土的发动机倒是也有,除了特斯拉前几代产品用的感应电机之外,还有一种是同步磁阻电动机 (Synchronous Reluctance Motor)。
但这种发动机目前能实现的功率太小,根本无法满足电动汽车的需求。
这位17岁少年桑松所做的就是设计出了新款同步磁阻电动机,同时提高其扭矩和效率,并因此获得大奖。
文章详情:17岁高中生手搓发动机获50万元大奖,自称天生工程爱好者,已有60余项发明
图片&视频
彩色面包板
非常可爱的迷你多色块面包板,你可以自由组装,与其他的MCU比如Arduino、树莓派结合起来,制作各种项目。
目前DF海外商城有售。链接[1]
Pi Cam
Pi Cam不仅是一个树莓派相机,它还可以当3D打印机的监控端,也可以当作 Linux的桌面端,甚至是一台服务器!来源[2]
三分球机器人
投篮姿势相当标准 :)
来源: @Engineering Enigma
土壤湿度检测装置
简单、耐用又便宜的土壤湿度检测装置,数值显示在7段数码管上。来源[3]
USB鼠标转蓝牙鼠标的装置
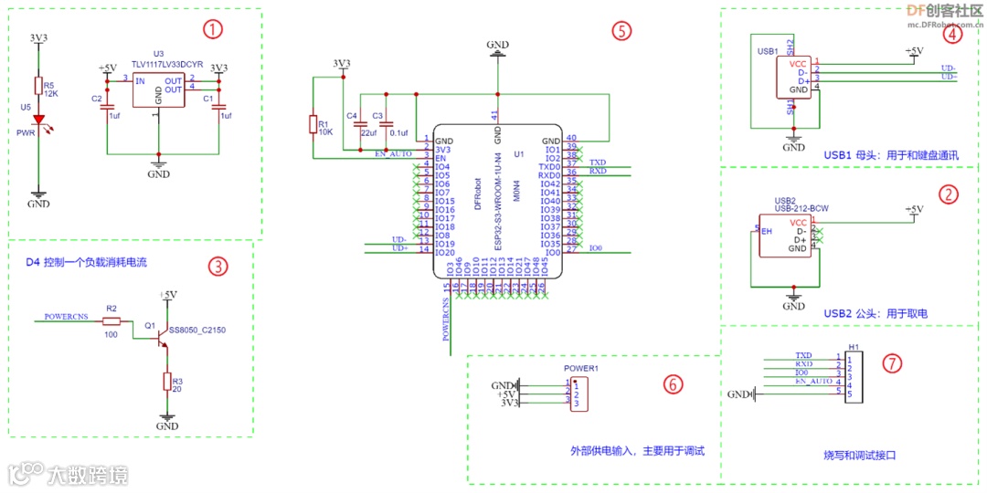
ESP32-S3 是乐鑫科技推出的一款 WIFI/蓝牙 MCU,它可以看作是 ESP32-S2 的升级版本,相比S2增加了蓝牙功能,因此我们有机会设计各种蓝牙和USB相关的作品。这次带来的就是能够将 USB 鼠标转为蓝牙鼠标的装置。电路比较简单,基本上相当于ESP32-S3最小系统引出 USB 接口即可:
板子上分别有一个USB公头和母头,公头用于取电,母头用于连接设备:
相关代码可以参考DF创客社区论坛:https://mc.dfrobot.com.cn/thread-313801-1-1.html
来自社区@zoologist[4] 投稿。
FPV迷你坦克
来源:Instagram
带FPV摄像头的迷你坦克,体验第一人称遥控的乐趣!
足球井字棋
来源:Instagram
看看你的球技如何~
新闻
LattePanda (拿铁熊猫) 3 Delta Win10 开发板 开售
来源:DFRobot 官方商城
LattePanda 3 Delta采用了11代intel移动处理器四核处理器N5105,频率最高可达2.9GHz。相比于上一代产品,CPU速度提高了2倍,GPU速度提高了3倍。
性能强悍,你可以用来流畅的观看4K HDR视频,甚至畅玩一些大型游戏。
👉 点击小程序了解更多:LattePanda 3 Delta
NASA宣布开发下一代航天计算 (HPSC) 芯片,性能提升 100 倍

来源:IT之家[5]
美国国家航空航天局 (NASA) 8月17日宣布,将联合美国微芯半导体 Microchip 设计下一代高性能航天计算 (HPSC) 芯片,号称计算性能将是目前航天计算芯片的 100 倍。
NASA 表示,这一关键能力将推进所有类型的未来太空任务,从行星探索到月球和火星登陆任务。
Microchip 将在三年内构建、设计和交付 HPSC 芯片,目标是在未来的月球和行星探索任务中搭载。Microchip 的芯片架构将根据任务需求使计算能力具有可扩展性,从而提高任务的整体计算效率。该设计也将更加可靠并具有更高的容错性。
NASA 称,该芯片将使航天器计算机的计算速度比当今最先进的航天器计算机快 100 倍。作为 NASA 正在进行的商业合作努力的一部分,双方签订了价值 5000 万美元(约 3.4 亿元人民币)的固定价格合同,Microchip 将为完成该项目提供大量研发成本。
NASA 高级航空电子设备首席技术专家 Wesley Powell 表示,他们目前的航天器计算机是近 30 年前开发的,虽然它们在过去的任务中表现出色,但未来的 NASA 任务需要显著提高机载计算能力和可靠性。
广州南沙拟设置元宇宙先导示范区,入驻企业最高免租三年
来源:新浪财经[6]
南方财经全媒体记者陈梦璇 南沙报道
《广州南沙新区(自贸区南沙片区)推动元宇宙生态发展的九条措施》(下称“元宇宙九条”)提出设立南沙元宇宙产业集聚区。为规范集聚区先导示范区企业引入、培育、退出等各项管理,8月15日,南沙区科学技术局为《南沙元宇宙产业集聚区先导示范区入驻实施方案》(下称“方案”)公开征求意见,符合准入条件、3人及以上团队即可申请入驻集聚区先导示范区,人均办公面积最高10㎡,最高免租三年。
参考资料
彩色面包板: https://www.dfrobot.com/product-2605.html
[2]Pi Cam: https://hackaday.io/project/186816-pi-cam-a-remote-raspberry-pi-desktopcameraserv
[3]土壤湿度检测装置: https://hackaday.io/project/178522-soil-moisture-measurement-device
[4]USB 鼠标转蓝牙鼠标的装置: https://mc.dfrobot.com.cn/thread-313801-1-1.html
[5]NASA宣布开发下一代航天计算 (HPSC) 芯片: https://www.sohu.com/a/577628577_114760
[6]广州南沙拟设置元宇宙先导示范区: https://finance.sina.com.cn/tech/internet/2022-08-15/doc-imizmscv6336350.shtml
首发于DF创客社区
版权协议:WTFPL
投稿&推荐
本周开始,社区公众号会坚持每周记录值得分享的创客相关内容,初步拟定每周五发布~
文章全部开源,欢迎小伙伴们投稿或者推荐相关的内容。(至少包含一幅图、一句话和原文链接)
投稿邮箱:MakerCommunity@outlook.com
入选发布的小伙伴们,会收到社区的小礼物(《树莓派4与人工智能实战项目》、《Arduino与LabVIEW互动设计》书籍)
大家有什么想说的,都欢迎在留言区留言!
让我们一起努力,分享更多好玩的项目!

