
在挤出生产过程中 , 需要从熔料中排出气体 , 这些气体如不能排出 , 制品表面或内部可能会出现孔隙、气泡及表面晦暗等缺陷 , 严重地可影响到制品的物理机械性能、化学性能和电性能。

在喂料口与机头之间设置 1 ~ 2 个排气口可除去熔融挤出物料中的水分及其他挥发份。 但钢筒开口常常会出现一些最常见的问题是从排气口冒料 , 少量的料会影响挥发份的排出 , 使产品质量受到影响 ; 大量冒料就会堵塞排气口 , 甚至导致停机。
冒料一般有两个原因 , 一是螺杆设计不合理 , 导致排气口处物料倒流 ; 二是排气口设计不合理 , 在熔融物料通过排气口时被“挂住”。
查找原因首先从排气口看螺杆中的物料是否倒流 , 在大多排气式挤出机中 , 都能看到螺杆中旋转着向前运动的熔体。 一般情况下 , 螺槽充满物料的程度不超过 50 % , 如果超过了 , 不仅影响排气效果 , 还可能引起排气口 冒料 ; 小于 50 % 时 , 螺杆可正常工作。 冒料可能是由于排气口或分流元件设计不合理引起 。

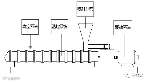
1、机头 2、排气口 3、加热冷却系统 4、螺杆 5、机筒
6、加料口 7、减速箱 8、止推轴承 9、润滑系统 10、机架
螺杆因素
排气式螺杆多采用多阶设计 , 此设计的优势在于排气口处为常压 , 物料不致流出 。 有一个排气口的挤出机要求有 2 阶螺杆 , 有 2 个排气口需要 3 阶螺杆。 每 1 阶有常压段、压缩段及计量段 , 第 1 阶起始段为常压加料段 , 第 2 阶为常压排气段 , 也就是排气口所在的位置。对于排气式挤出机螺杆设计有 2 个主要的问题 :
第一 , 在到达排气段时 , 物料必须全部熔融 , 以排出挥发份 ;
第二 , 第 2 阶螺杆的送料量必须大于第 1 阶螺杆 , 以使第 2 阶起始处螺槽未充满 , 这样就可使排气口处保持常压。 当第 1 阶螺杆的送料量比第 2 阶螺杆大时 , 挤出机中的熔体就会发生倒流。 要解此决此问题 , 就得减少第 1 阶的送料量或增加第 2 阶的送料量。
工艺条件
解决冒料的最简便快速的方法就是改变工艺条件。 如降温、增大沿钢筒或螺杆的摩擦及剪切应力以及增大沿钢筒表面的摩擦或粘度以增加输料量。第 1 阶的送料量可通过以下几种方式来降低 :
(1) 升高钢筒 2 区及 3 区的温度。
(2) 冷却第一阶螺杆。
(3) 采用饥饿法喂料。
(4) 调节喂料仓的温度 ( 需反复实验 ) 。
增加第 2 阶的送料量可采用如下方法 :
(1) 降低第 2 阶钢筒的温度。
(2) 升高第 2 阶螺杆的温度。
(3) 升高机头温度。
(4) 增大机头间隙或减少机头阻力 。
(5) 减少过滤网的数量。
(6) 使用空隙较大的过滤网 。
如果改变加工条件仍不能解决问题 , 就得采用其他方法 , 如重新设计螺杆 , 降低机头阻力 , 加长螺杆及钢筒或在挤出机及机头之间安装一个齿轮泵。安装齿轮泵可以解决冒料问题 , 但它比新螺杆的成本更高。
排气口
如果排气口处的螺杆仅部分充满 , 排气口仍然冒料 , 那么排气口的设计就存在一定的问题。排气口应该比滚动的料流要宽 , 以确保排气口不被熔体堵塞。 同时 , 排气口的开度也不应太大 , 这样可减少熔体停留时间以及料流的膨胀时间 。在正常操作情况下 , 螺槽半充满 , 这时排气口为常压 , 事实上滚动熔料中仍有压力 , 压力约为 0.21 ~ 0.35MPa 或者更高 , 足以使排气口 处的熔料膨胀。 这样排气口在设计时就应考虑到物料正常的粘弹性膨胀 , 否则 , 部分滚动的料流就会被“挂住” , 堆积在分流元件处。
熔体料流膨胀多少由它通过排气口的时间来决定。 停留时间长 , 膨胀大。 停留时间又由螺杆转速及排气口的大小来控制 , 提高螺杆转速可减少停留时间 。 这就是低速挤出比高速挤出冒料严重的原因 。 不过 , 排气口开度越大 , 停留时间也越长。当熔体在排气口堆积时 , 它将堵塞排气口 , 解决的办法就是改变排气口的开度以满足熔体在排气口处的正常膨胀。 如果滚动料流膨胀 5 ~ 10mm , 则排气口所开的深度应至少为 5 ~ 10mm 。
排气口的分流元件
举一个现实生活中的例子 , 用 150mm 刚打磨过的带排气口的单螺杆挤出机挤出片材时严重冒料 , 无法生产出合格的产品 。操作工想检查一下排气口处螺槽中熔料情况 , 但根本无法看到螺杆, 这就说明分流元件的设计存在很大的问题 , 操作工不得不取下分流元件来检查螺槽的充满程度。 检查后发现螺槽仅充满了 40 % , 说明螺杆设计是合理的 。 那么故障的焦点便集中在分流元件上。 尽管这是一家著名的挤出机制造商 , 但其分流元件的设计存在着严重的缺陷 。 在检查分流元件时 , 发现排气口不仅在上阶设有可使物料正常膨胀的底切口 , 而且在下阶同样设有此口 。 上阶螺杆完全没有必要设计底切口 , 而且设置此切口是极为不利的 , 因为它增加了熔池在排气口处的停留时间而且使熔池膨胀得更多 , 增加了排气口处的熔体压力累积。
另外一个问题就是平口形及矩形排气口 , 这比直口形更难清洁。 如果分流元件设计合理 , 排气口应与钢筒半径相垂直。 通过以上分析 , 分流元件就可采用以下两种方式进行修补 :
第一 , 将上阶底切口填满金属 ;
第二 , 矩形开口改成径向 , 可使操作工看到螺杆中的熔料情况。
结论
排气式螺杆是否冒料 , 与挤出工艺、塑料性能以及螺杆及排气口的设计有直接的关系 , 所以生产商在使用排气式挤出机进行生产加工时 , 要对加工工艺、树脂特性以及设备性能作详尽的了解 , 才能使排气式挤出机正常稳定运行。
精彩推荐:
《2016 十三五新材料技术发展报告》发布!附143页PDF免费送
如果你需要详细表格或对内容有更好的意见,请扫朵朵二维码,拉你进群:链塑网知识交流分享群

欢迎广告、合作及采访线索
联系人:墨朵朵 沈兵
联系方式:021-52688871
邮箱:yun.zha@plaschain.com
shenbing.shi@plaschain.com

