前言
英飞凌建议利用负栅极电压来安全关断和阻断IGBT模块。在标称电流小于100 A的区域,往往出于成本原因忽略负栅极电压。本文介绍了IGBT模块单极驱动的特殊注意事项。
0V关断
最近几代英飞凌IGBT芯片拥有诸多优势。其中一些亮点包括动态范围更宽、开关速度更快、开关损耗更小并且导通损耗更低等。
使用0V关断时,可能会出现下面两种我们不愿意看到的情况:
- 通过米勒电容的寄生导通
- 通过杂散电感的寄生导通
1、通过米勒电容导通
当开通半桥中的下管IGBT时,上管IGBT /二极管发生电压变化dvCE/dt。这会引起位移电流,位移电流值为:

电流iCG流过米勒电容、栅极电阻、CGE和直流总线,对上管IGBT的寄生电容CCG充电。电容CCG和CGE构成电容分压器。图1描述了流过上管IGBT的米勒电容的电流路径。

图1 流过上管IGBT的米勒电容的电流
电流iCG在栅极电阻上产生电压降。如果栅极电阻上的电压降超过IGBT的阈值电压,则发生寄生导通。
随着芯片温度的升高,阈值电压每摄氏度下降数mV。高温下更易引发寄生导通。
当上管IGBT开关时,电流流过下部IGBT的米勒电容,同样也可能导致下管的寄生导通。
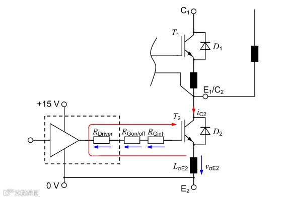
2、通过杂散电感导通
如果关断负载电流,发射极杂散电感上会产生感应电压

开关IGBT T1时,主电流将从续流二极管D1换向到IGBT。由于二极管电流衰减产生的电流变化率diC2 /dt在LσE2上产生感应电压,并使T2的发射极电位变为负值。如果通过高diC /dt产生的感应电压高于IGBT的阈值电压,那么这将导致T2的寄生导通。

图2:发射极电感上产生的感应电压
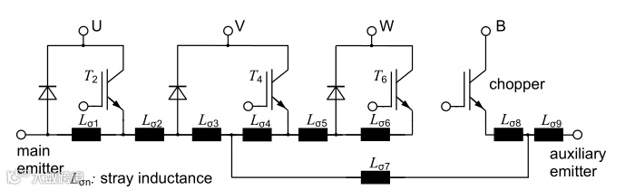
3、具有共辅助发射极的模块中的寄生导通
在多个IGBT芯片并联的模块中,各个芯片的辅助发射极都连接到一个共用发射极,非常快速的开关可能导致发射极的杂散电感上产生感应电压。
等效电路图如图3所示:

图3:通过共发射极电感的寄生导通
模块中的寄生电感在此编号为Lσ1至Lσ9。导通IGBT T6时,Lσ2 和Lσ3 上产生的感应电压会影响T2。因此,当IGBT T2的发射极电位变化超过阈值电压时,IGBT T2寄生导通。
检验寄生导通
为了检验寄生导通,需要在模块的桥臂上引入电流传感器。两次测量可得出明确的证据。
1. 对下桥臂IGBT加双脉冲,同时用负电压保持上桥臂IGBT在关断状态。
2. 对下桥臂IGBT加双脉冲,按应用中默认方式使上桥臂IGBT处在关断状态。
建议使用介于0.1⋅Icnom到2⋅Icnom之间的不同电流进行测量。
当两条电流曲线差别很大时,就证明了寄生导通。这里要特别注意的是更高的电流峰值、更宽的反向电流峰值和额外的电流脉冲。 “解决方案建议”一章中详细介绍了抑制误导通的方法。

图4:带电流传感器的桥臂
在支持螺旋端子电源连接的应用中,通常可以使用Rogowski线圈进行测量。不过,在大多数情况下,无法直接在桥臂上进行测量。在较小的模块中,负载电流通常通过焊针引入PCB。这里建议在DC总线中测量,如使用Rogowski线圈或电阻分流器。
解决方案建议
1、改变栅极电阻
通过改变栅极电阻RGon可以影响导通期间的电压变化率-dvCE /dt和电流变化率diC /dt。增大栅极电阻可减小电压和电流变化,使IGBT开关速度更慢;改变栅极电阻对各参数的影响详见文后表1。
通过减小RGoff值可避免电容寄生导通。不过,通过增大RGoff值能防止电感寄生导通。
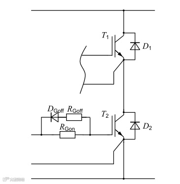
2、分开的栅极电阻帮助实现安全的导通和关断特性
在许多应用场合下,使用独立的导通和关断电阻时可实现较为安全的开关特性。

图5:分开的导通和关断电阻
选择RGoff <RGon 防止米勒电容导致的电容寄生导通;原理参见“通过米勒电容导通”内容。
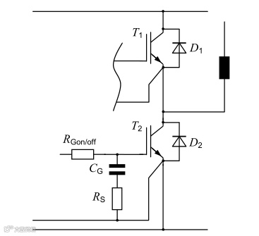
3、外加栅极发射极电容用于分流米勒电流
可以通过栅极和发射极之间的外加电容CG来影响开关性能。该电容将吸收来自米勒电容的额外电荷。由于IGBT的总输入电容为CG ||CGE,因此达到阈值电压所需的栅极电荷增加。

图6:栅极和发射极之间的外加电容
对于没有内部栅极电阻的IGBT模块,建议在电容上串联一个外加电阻RS,以防止振荡。RS的推荐值为

为外加电容器推荐的电容也来自经验,并通过计算得出

由于额外增加了电容,所需的驱动器功率也会增加。并且IGBT显示出更高的开关损耗,这将取决于如何选择RGon / off。
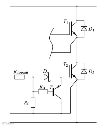
4、晶体管用于分流米勒电流(有源米勒钳位)
防止意外导通的另一措施是短接栅极到发射极。这可以通过栅极和发射极之间的外加晶体管来实现。
只要驱动器在其输出端输出0V,晶体管“开关”就会在一段时间延迟后开启,从而使栅极-发射极区短路。米勒电容上的电流iCG从晶体管上以可控方式分流,从而保证IGBT安全开关。

图7:外加晶体管用于分流米勒电流
结语
表1概述了上面讨论的措施及其利弊。RGon用于导通IGBT;RGoff用于阻断和关断IGBT。RGon/off是用于导通和关断IGBT的共用电阻。

表1:不同措施的效果
++:非常好的结果
+:有所改善
-:有所下降
o:无变化
↑:增加
↓:降低


