近年来,新能源领域的光伏发电应用飞速发展,不但国内各种应用场景全面开花,在海外市场更是势如破竹。这其中,光伏逆变器是整个系统的核心,它是负责将光伏组件采集的直流电转换成交流电,以便输入电网或供本地使用的关键设备。光伏发电的终端场景很多,适合于不同应用场景下的差异化需求,常见的光伏逆变器包括微型逆变器,组串式逆变器,集中式逆变器三大类。与其他类型的光伏发电系统相比,组串式光伏系统具有单功率单元功率适中,体积小、重量轻,搬运和安装更为方便,组件配置更为灵活等优势。组串式逆变器不仅常见于各种工商业应用场景,也非常适合于多样化地形的光伏电站的建设与并网需求。
组串型逆变器设计对效率具有较高的要求。为了提高系统效率,一方面需要不断在拓扑与控制策略上推陈出新,另一方面,也需要不断优化的开关器件芯片特性与封装结构与之配合。近年来,结合应用特点,我们针对组串式光伏逆变器系统的器件方案,也由传统通用型器件,向专用定制器件演变。
光伏逆变器的典型系统框图如下图1所示,组串式光伏逆变器包含其中的DC/DC升压部分和DC/AC逆变部分,DC/DC升压部分可以实现最大功率点跟踪(MPPT,Maximum Power Point Tracking),使光伏板一直保持在最大输出工作状态,以获得最大功率输出;DC/AC变换单元则将直流电转换成与电网兼容的交流电。单台组串逆变器功率等级从几千瓦到上百千瓦不等。在不同功率等级的逆变器设计中,功率单管解决方案与功率模块解决方案各有其用武之处,而随着单台逆变器功率的提升,模块方案在一定的功率段可以带给客户更高的功率密度与更简化的设计。本文简要介绍用于组串式逆变器不同功率等级,英飞凌可供选用的功率模块器件,并针对一款带有1200V CoolSiC™ MOSFET适合1500V系统的ANPC逆变模块,进行示例说明。
图1. 光伏逆变器框图
1100V光伏系统模块方案
目前分布式工商业项目多以380V低压并网,1100V光伏逆变器依然是主流方案,其中DC/DC单元常用标准Boost拓扑,DC/AC单元以三电平NPC1或NPC2拓扑电路为主。面对不同效率需求,基于Easy1B/2B/3B封装,我们提供灵活的芯片配置模块,包括IGBT模块,IGBT/和SiC 混合模块和SIC MOSFET模块,可覆盖10KVA-136KVA功率等级。具体型号与适用场景描述参考如下表1。
表一. DC/DC 升压的MPPT模块和DC/AC逆变模块
1500V光伏系统模块方案
近年来,1500V光伏系统因其更高的交流电压,更大的输出功率,且大幅减少设备成本、线缆成本的优势,在光伏地面电站等应用场景中得到广泛认可。而占地面积小,方便灵活,安装成本低的组串式光伏逆变器也越来越多的应用于地面电站型装机项目中。从降低系统成本的角度出发,客户进行1500V组串式逆变器设计时,往往偏向于尽量提高单机功率,同时,考虑到要保持组串式逆变器易于搬运与安装的优势,客户对功率器件的功率优势提出了更高的需求。
目前,1500V系统的DC/DC单元中,每路MPPT以26A为标准配置。英飞凌推出了搭载最新950V S7芯片与SiC二极管的dual boost模块,该模块采用Easy3B封装,单颗模块集成3路MPPT,客户可以根据所需功率等级,选择不同数量的模块,实现系统配置。
1500V系统逆变单元的诸多拓扑方案中,三电平ANPC因其基于宇宙射线考量的较高可靠性和在全功率因数运行范围内均有较高的效率,而得到广泛应用。目前英飞凌针对1500V系统的DC/AC逆变单元,推出了搭载最新950V S7/L7芯片的IGBT模块,IGBT/SiC混合模块, 适应不同性价比与功率密度的要求。具体型号差异参见如下表2。
表二
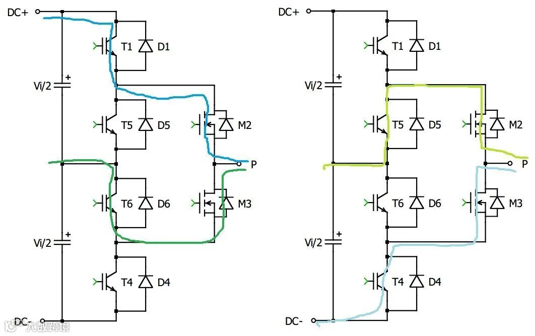
除了采用IGBT为主开关器件进行搭建的ANPC模块外,目前英飞凌还推出了采用CoolSiC™ MOSFET搭建的模块,提供给客户进一步提升功率密度的可行性,具体型号为F3L11MR12W2M1_B65。利用SiC MOSFET器件的技术优势,可同时兼顾更高效率与更小体积的系统要求。该模块采用Easy系列Easy2B封装,如下图2所示,配置11 mOHM SiC MOSFET做为高频开关管,如下图M2/M3,开关频率可以高达100 kHz。低频管T1/T4/T5/T6采用1200V 100A低饱和压降的IGBT,D1/D4/D5/D6采用1200V 50A二极管,小小体积可以实现输出高达80kW的逆变器设计。
图2. ANPC SiC MOSFET模块
下面我们用仿真结果来对该模块可实现的具体性能进行说明。由于快管采用的是CoolSiC™ MOSFET,由于其体二极管导通压降较大,所以在保留一定死区时间的前提下,采用同步整流的方式进行M2/M3快管的驱动控制,即M2/M3的信号互补。比如,在M3续流时,给M3发驱动,使得电流从M3的源极S流往漏极D。这样导通损耗就从较高Vf值的体二极管转到低Rdson的沟道了,从而进一步降低了整个模块的损耗,驱动如图3,图4所示,换流路径如图5所示。
图3. M2/M3快管互补的驱动
图4. 低频管驱动
图5. 换流路径
通过下述不同条件下的仿真结果看,该模块在不同PF值条件下,总损耗基本一致。M2/M3快管的损耗占总损耗的比重最大,开关频率可达最大100kHz,额定功率可达80kW,效率预期可达99.5%。兼具功率密度与效率双高的优势。
图6. PF=1的仿真结果
图7. PF=0的仿真结果
后续我们针对该拓扑和器件配置,还将推出适用于更大功率等级的纯SiC MOSFET模块,敬请期待。
从1100V系统到1500V系统,光伏逆变器客户面对平价上网所带来的成本压力。我们在不断提高产品性能的同时,也通过不同的芯片搭配方式与引进优化的封装技术,不断提升模块功率密度,帮助客户降低系统成本。本文简约介绍了组串式逆变器中升压部分和逆变部分的英飞凌产品,并针对一款适用于1500V系统的CoolSiC™ MOSFET的ANPC Easy 2B模块,进行驱动方案和仿真损耗对比。客户可根据系统要求选择合适的产品,同时,英飞凌凭借对应用的深入了解,可以根据客户需求,提供各种定制化的模块产品。无论光伏世界风云如何演变,我们始终与子偕行。
点击“阅读原文”,了解更多关于
F3L400R10W3S7_B11的资讯。
参考文献
Interaction of power-module design and modulation scheme for active neutral-point-clamped inverters, Andressa C. Schittler Infineon Technologies AG
关于英飞凌
英飞凌设计、开发、制造并销售各种半导体和系统解决方案。其业务重点包括汽车电子、工业电子、射频应用、移动终端和基于硬件的安全解决方案等。
英飞凌将业务成功与社会责任结合在一起,致力于让人们的生活更加便利、安全和环保。半导体虽几乎看不到,但它已经成为了我们日常生活中不可或缺的一部分。不论在电力生产、传输还是利用等方面,英飞凌芯片始终发挥着至关重要的作用。此外,它们在保护数据通信,提高道路交通安全性,降低车辆的二氧化碳排放等领域同样功不可没。
点击下方“阅读原文”,了解更多!

