作者:
石祥花 谢少军
南京航空航天大学自动化学院
本文原文刊登于《南京航空航天大学学报》。
在上篇文章中,我们和大家探讨了4种3L-NPC型拓扑(二极管NPC、有源式NPC、层叠式NPC及有源层叠式NPC)的调制策略。
本篇文章中,我们将继续就“NPC型三电平半桥逆变器实验结果和效率对比,以及结论”作进一步介绍。
NPC型三电平半桥逆变器
实验结果及效率对比
本文研制了NPC型统一实验平台,其基本框架如图7所示,部分技术参数如表4所示。
图7 NPC型统一实验平台基本框架
图7中,输入端电容C1=C2=1800μF,输出端采用LCL滤波器,逆变侧电感Li为0.6mH,并网侧电感Lg为0.36mH。在统一实验平台上,分别对各NPC型拓扑在不同调制策略下进行实验研究及并网效率测试。
1
4种SPWM调制策略验证
以3L-ANPC为例,在输入电压Vin=400V,调制比m=0.7,负载电阻R=17Ω条件下,分别在前文分析的4种SPWM调制下进行开环实验,其实验波形如图8所示,uo为逆变器输出电压,uinv为桥臂输出电压,Vs2和Vs3分别为开关管S2和S3的耐压。图9给出了这4种调制策略下稳定工作波形,uc1和uc2分别为电容C1和C2上电压。
图8 在不同调制策略下,3L-ANPC
开环实验展开波形
(可左右滑动查看)
图9 在不同调制策略下,3L-ANPC
开环实验稳定工作波形
从图8中S2与S3的耐压波形,并结合图9中桥臂电压FFT分析可知,普通SPWM、PF-SPWM、DF-SPWM及PFDF-SPWM的确满足表1中所述特征。
2
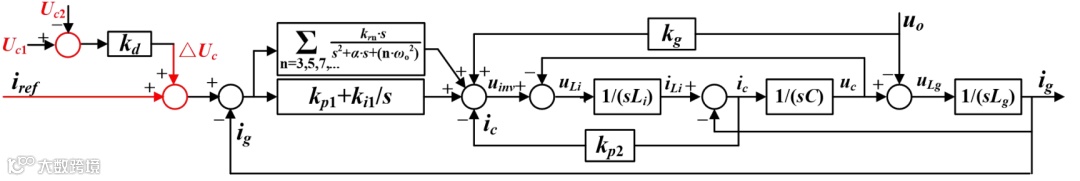
NPC型三电平半桥逆变器并网实验
NPC型三电平半桥逆变器的并网控制框图如图10所示,主要包括四个方面控制,分别为直流侧基于电容压差前馈的电容电压均衡控制;基于电容电流反馈的有源阻尼控制,来有效抑制谐振;基于电网比例前馈控制,来抑制电网谐波对进网电流的影响;基于准谐振调节器的特定谐波消除控制,来有效抑制进网电流的低频谐波。
图10 NPC型三电平半桥逆变器并网控制框图
在上述并网控制策略下,分别对各NPC拓扑在不同调制策略下,进行非单位功率因数的并网实验,其实验波形如图11所示,vg为电网电压,ig为进网电流。这表明,文中分析的4种调制略均可使逆变器工作在非单位功率因数。
图11 各NPC拓扑在4种调制策略下,
非单位功率因数并网实验波形
为了测试各NPC型拓扑在不同调制策略下的性能,在单位功率因数条件下进行并网实验,并进行效率测试。图12给出了各NPC型三电平半桥逆变器在相同调制策略下并网的欧洲效率比较图。从图中可以看出,在不同调制策略下,各NPC型并网的欧洲效率近似一致,均在96.2%左右。
图12 各NPC型三电平半桥逆变器并网的欧洲效率
(可左右滑动查看)
结论
本文针对传统3L-NPC拓扑内外管损耗不均的缺点,在衍生的NPC型拓扑基础上,根据零电平续流路径的不同配置方式,总结出4种SPWM调制方式;根据这4种SPWM调制方式,对各NPC型拓扑进行损耗分布分析及并网效率测试对比,结果表明:
① 各NPC型拓扑在4种SPWM调制下,并网效率基本一致;
② 3L-NPC适用于小功率场合,结构及控制相对简单;
③ 3L-ANPC拓扑在小功率场合不具备明显优势,在大功率场合,散热设计困难;
④ 3L-SNPC拓扑内外管损耗较为均衡,适用于大功率场合;
⑤ 3L-ASNPC结构及调制复杂,使用价值不大。
参考文献
[1] Nabae A, Takahashi I, Akagi H. A new neutral-point-clamped PWM inverter[J]. IEEE Trans. Industry Applications, 1981, 16(5): 518-523.
[2] Shukla A, Ghosh A, Joshi A. Static shunt and series compensations of an SMIB system using flying capacitor multilevel inverter[J]. IEEE Trans. Power Delivery, 2005, 20(4): 2613-2622.
[3] 陈阿莲, 何湘宁, 赵荣祥. 一种改进型的级联多电平变换器拓扑[J]. 中国电机工程学报, 2003, 23(11): 9-12.
Chen Alian, He Xiangning, Zhao Rongxiang. An improved cascade multi-level converter[J]. Proceedings of CSEE, 2003, 23(11): 9-12. (in Chinese)
[4] Li Jun, Huang A Q, Liang Zhigang, et al. Analysis and design of active NPC (ANPC) inverters for fault-tolerant operation of high-power electrical drives[J]. IEEE Trans. Power Electronics, 2012, 27(2): 519-533.
[5] Floricau D, Gateau G, Dumitrescu M, et al. A new stacked NPC converter: 3L-topology and control[C]. European Conf. on Power Electronics and Applications, Aalborg, Sept. 2007, pp: 1-10.
[6] Floricau D, Floricau E, Gateau G. Three-level SNPC commutation cell: Features and control[C] IEEE International Symposium on Industrial Electronics, 2008, pp: 44-49.
[7] Floricau D, Gateau G, Leredde A. New active stacked NPC multilevel converter: operation and features[J] IEEE Trans. on Industry Electronics, 2010, 57(7): 2272-2278.
【致谢】
感谢谢少军老师为本公众号供稿!
关于英飞凌
英飞凌设计、开发、制造并销售各种半导体和系统解决方案。其业务重点包括汽车电子、工业电子、射频应用、移动终端和基于硬件的安全解决方案等。
英飞凌将业务成功与社会责任结合在一起,致力于让人们的生活更加便利、安全和环保。半导体虽几乎看不到,但它已经成为了我们日常生活中不可或缺的一部分。不论在电力生产、传输还是利用等方面,英飞凌芯片始终发挥着至关重要的作用。此外,它们在保护数据通信,提高道路交通安全性,降低车辆的二氧化碳排放等领域同样功不可没。

