25个展台
18场技术报告
11篇大会论文和报告
海量展台资料下载
60家参展企业
270个演讲及问答(免费)
行业论坛
电动汽车论坛
本文作者
白美兰、李旻燮、韩秀赫、李俊培、郑大雄
英飞凌科技(韩国)有限公司,韩国
Miran Baek:
Miran.Baek@Infineon.com
摘 要
本文介绍了最新最小巧的1200V碳化硅(SiC)智能功率模块(IPM),它适用于变速驱动应用,如暖通空调设备(HVAC)中的有源谐波滤波器和高性能电机驱动装置。这款IPM集成了6颗SiC MOSFET,搭载一个经优化的单芯片6通道绝缘体上硅(SOI)栅极驱动器,采用双列直插(DIP)封装和覆铜(DBC)基板。本文阐述了这个模块的电气特性、封装和散热性能。
引 言
为了保护环境,降低功耗已成为全球面临的重大挑战,正因如此,变频器日益广泛用于各类型设备。借助变频器提高能效是重要目标。要求大电流和高功率的应用中通常使用硅(Si)IGBT,因为在大电流条件下,IGBT的饱和电压低于MOSFET。然而,IGBT在关断过程中的拖尾电流导致损耗增加,限制了其在高速开关中的应用。
本文介绍了全球首个1200V SiC MOSFET IPM——CIPOS™ Maxi IPM家族的IM828-XCC。SiC MOSFET器件是宽禁带器件,可以在很高的击穿电压实现很低的RDS(ON)。它是一种单极性器件,因而不会产生拖尾电流。[1]它可用于诸如高载频PWM变频器等应用。
这款SiC MOSFET IPM使用简便,因为其嵌入式SOI栅极驱动IC经专门优化,可减小开关振荡。此外,它采用紧凑式封装,得益于使用具备很高热导率的DBC基板,它可以实现最高8kW运行功率。
本文阐述了内置元件的特性,以及模块的电气特性、封装结构和散热性能。
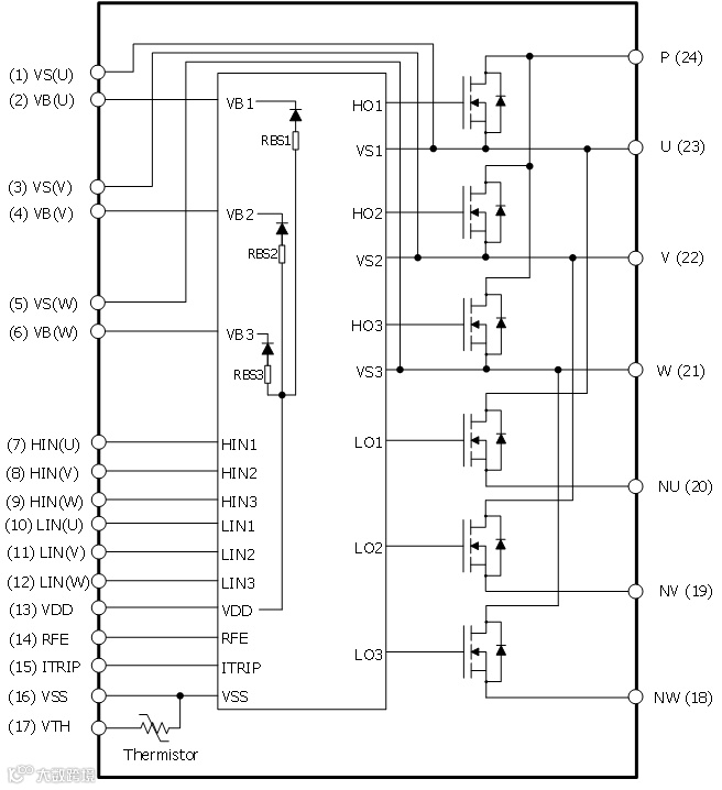
概览和电路配置
图1显示了CIPOS™ Maxi IPM家族的封装外形。[2]这种封装经专门优化,适用于1200V级IPM。另外,它包含用于安装栅极驱动IC的内部PCB和高热导率DBC。图2所示为SiC MOSFET IPM的内部框图。它采用三相变频器结构,含有6颗1200V 45mΩ SiC MOSFET,以及一个单芯片6通道SOI栅极驱动IC和热敏电阻。特别是这个栅极驱动IC及其集成式自举电路和其他保护功能,为实现微型化铺平了道路。
图1:IM828-XCC封装概览
(尺寸:36mmx22.7mmx3.1mm)
图2:IM828-XCC框图
电气特性
1
CoolSiC™ MOSFET的静态特性
英飞凌科技发布了名为CoolSiC™ MOSFET的1200V沟槽型SiC MOSFET。图3(a)所示为这颗45mΩ CoolSiC™ MOSFET在栅极-源极电压(VGS)为15V时的静态电压-电流特性。[3]SiC器件的击穿电场强度是Si器件的10倍;可以在很薄的漂移区内实现很高击穿电压。在室温条件下,当漏极电流为20A、VGS为15V时,这颗CoolSiC™ MOSFET的RDS(ON)典型值为45mΩ。同Si MOSFET一样,CoolSiC™ MOSFET也有一个寄生体二极管。CoolSiC™ MOSFET的体二极管可以被用作续流二极管。然而,由于SiC器件的宽禁带为3电子伏(eV),高于Si器件,因此,其体二极管具备较高正向电压(VF)。图3(b)显示了体二极管的正向电压特性。当MOSFET的栅极与源极之间产生通道时,体二极管的VF大幅下降。[4]这样一来,在体二极管处于导通状态时接通MOSFET(同步整流)可以降低导通损耗。特别是,就变频驱动器而言,体二极管VF问题不大,因为开关器件的栅极电压往往要在死区时间结束后才会接通。
(a)SiC MOSFET输出特性
(b) 体二极管正向电压特性
图3:CoolSiC™ MOSFET静态特性
在150°C结温、DC link电压800V、偏置电源电压15V条件下,短路耐受能力可保证达到最长3µs。
2
开关特性
图4显示了IM828-XCC(即CIPOS™ Maxi SiC MOSFET IPM)和常规50A级Si-IGBT IPM的接通开关波形。SiC器件的反向恢复损耗显著低于Si器件。[5] 此外,相比于Si IGBT,SiC MOSFET在关断时不会产生拖尾电流,如图5所示。因此,它可以降低开关损耗,实现高开关频率运行。不仅如此,通过优化栅极驱动器设计,最大限度地减小了接通和关断过程中的开关振荡。这些特性提高了EMI(电磁干扰)防护性能。
图4:50A接通波形
(左图:IM828-XCC,右图:常规50A Si-IGBT IPM)
图5:50A关断波形
(左图:IM828-XCC,右图:常规50A Si-IGBT IPM)
3
栅极驱动IC
IM828-XCC搭载的单芯片6通道栅极驱动IC可以利用与Si IPM相同的栅极电源来驱动SiC MOSFET,而不需要负偏压。除此之外,这个栅极IC经优化,可以降低SiC MOSET开关运行过程中的寄生振荡。这不仅适用于相对低频开关的逆变器驱动,也适用于数十千赫的高频开关。
这个驱动IC采用SOI结构,有助于1200V IPM实现更好的集成、可靠性和性能。它从结构上避免了相邻器件之间产生泄漏电流或闩锁电流。它还可防止在高dv/dt开关和高温浪涌情况下发生闩锁效应。[6]为了防止击穿,这个栅极驱动IC的内置死区时间为最小300ns。另外,当发生故障时,即,在欠压或过流保护模式下,这个驱动器的所有输出端均关闭。RFE引脚具备“使能”功能和故障清除时间。内置故障切除时间为最短160μs,可以通过外接上拉电阻和电容RC电路轻松进行控制,如图6所示。此外,它还具备集成式自举电路。
针对高边和低边SiC MOSFET驱动,单独对灌电流和拉电流进行了优化,不会引起任何故障,如CdV/dt效应或死区时间造成的直通电流。
图6:可调故障清除时间
封装
IM828-XCC设计采用DIP 36X23D封装,这是一种紧凑型封装(尺寸为36mmx22.7mmx3.1mm),无虚设引脚,优化了内置PCB和DBC结构,如图1所示。内置PCB上安装了栅极驱动IC和热敏电阻。6颗1200V SiC MOSFET安装在DBC上,可实现高效散热。CIPOS™ Maxi IPM具备单独的VTH引脚,连接至封装内部的热敏电阻,提供了温度监测功能。此外,它设计采用转模技术封装,可满足所有国际行业标准,如电气间隙和爬电距离。图7显示了引脚与引脚之间以及引脚与DBC之间的电气绝缘距离。
图7:电气间隙和爬电距离
性能
较之于当前的Si IPM,IM828-XCC可实现优化运行,如短死区时间、最小输入脉冲宽度和高载频PWM等。推荐最短死区时间为0.5µs,最小脉冲宽度为1µs。在VDD=15V条件下,PWM载频最高可达50kHz。
1
仿真
图8显示了IM828-XCC和常规50A Si-IGBT IPM的仿真结果。IM828-XCC的开关损耗大大低于Si-IGBT IPM,如图8 (a)所示。因此,开关速度越快,IM828-XCC的性能越出色。特别是当开关频率为30kHz时,Si-IGBT IPM的效率仅为不足94%,而IM828-XCC的效率则高达98%,如图8 (b)所示。
(a) IPM总损耗
(b) 能效
图8:IM828-XCC和常规50A Si-IGBT IPM的性能仿真结果
(左图:5kHz,右图:30kHz)
2
散热性能
图9显示了SiC MOSFET IPM应用测试板和散热片,可用于比较三相变频器系统驱动过程中的散热性能。IM828-XCC外壳温度实测数据如图10所示。图10中的点代表模块上最热的点。为了按照开关频率来确认散热性能,执行了两次测试。测试1采用的参数是FSW=5kHz、IO(PEAK)=25A和MI=0.58。测试2采用的参数是FSW=30kHz、IO(PEAK)=7A和MI=0.64。
(a) IM828-XCC应用板
(b) 散热片
图9:测试板和散热片
图10:IM828-XCC的TC测量点
图11显示了测试1和测试2的运行波形和散热性能对比结果。尽管IM828-XCC的封装面积仅为50A Si IGBT IPM的三分之一,但SiC MOSFET IPM的性能表现好得多,如图11(b)所示。在测试1中,测得SiC MOSFET IPM和Si IGBT IPM的ΔTC-A(壳对空气温度) 分别为28.3°C和41.6°C。特别是在较高开关频率30kHz条件下,Si IGBT IPM的 ΔTC-A为65.5°C,是SiC MOSFET IPM的4倍,后者仅为15.7°C。测试结果表明,相比于Si-IGBT IPM,IM828-XCC的开关速度更快,损耗更低。
(a) 变频器运行波形
(b) 散热性能对比结果
图11:应用测试结果
结语
本文介绍了全新CIPOS™ Maxi IPM(IM828-XCC)。它是全球首款1200V级SiC MOSFET IPM,集成了6颗45mΩ CoolSiC™ MOSFET和一个单芯片6通道栅极驱动IC,采用经专门优化的小型封装。较之于当前的Si IPM,这个SiC MOSFET IPM有效降低了IPM损耗,同时也提升了效率。不论是一般电机驱动应用,还是诸如有源谐波滤波器等高开关频率应用,IM828-XCC都是最优解决方案。
参考文献
1] N Kaminski: State of the art and the future of wide band-gap devices, 13th ECPCA 2009
[2] M Lee, M Baek, J Lee, D Chung: A New Smallest 1200V Intelligent Power Module for Three Phase Motor Drives, IPEC-Niigata 2018, DOI 10.23919/IPEC.2018.8507961
[3] D Peters, T Basler, B Zippelius, T Aichinger, W Bergner, R Esteve, D Kueck, R Siemieniec: The New CoolSiC™ Trench MOSFET Technology for Low Gate Oxide Stress and High Performance, PCIM Europe 2017
[4] K Peng, S Eskandari, E Santi: Characterization and modeling of SiC MOSFET body diode, APEC 2016, DOI 10.1109/APEC.2016.7468161
[5] D Heer, D Domes, D Peters: Switching performance of a 1200 V SiC-Trench-MOSFET in a low-power module, PCIM Europe 2016
[6] R. Keggenhoff, Z.Liang, A. Arens, P. Kanschat, R. Rudolf. “Novel SOI Driver for Low Power Drive Applications”, Power Systems Design Europe, Nov. 2005
关于英飞凌
英飞凌设计、开发、制造并销售各种半导体和系统解决方案。其业务重点包括汽车电子、工业电子、射频应用、移动终端和基于硬件的安全解决方案等。
英飞凌将业务成功与社会责任结合在一起,致力于让人们的生活更加便利、安全和环保。半导体虽几乎看不到,但它已经成为了我们日常生活中不可或缺的一部分。不论在电力生产、传输还是利用等方面,英飞凌芯片始终发挥着至关重要的作用。此外,它们在保护数据通信,提高道路交通安全性,降低车辆的二氧化碳排放等领域同样功不可没。


