施三保,高级主任工程师,硕士,从事功率半导体系统研发方案设计。
电磁感应加热在小家电市场(如电饭煲,油炸锅和牛奶泡沫器等)已经得到广泛应用,减小系统尺寸,降低系统成本和提高可靠性是越来越多客户的需求。本文针对电磁感应加热市场痛点,设计了一款2.1kW电磁感应加热平台。搭载了英飞凌自带保护IPD Protect,XMC单片机和CoolSET PWM控制器辅助电源。电路拓扑采用单端并联谐振电路,最大输出功率2.1kW,实现了IPD Protect的快速过流保护,过压保护,过温报警和保护,输入电压欠压保护和低静态电流等功能,其中IPD protect过压和过流保护点可以根据系统要求来调节。同时,经过优化的PCB板设计,可以长期可靠的运行,并通过了严格的EMC测试。
引 言
因加热时间快,无明火,功率大,电能热能转换效率高和系统成本低等优点,感应加热已经在家电市场大规模普遍应用。但制造商和最终用户仍然对感应加热提出了越来越多的要求,如减小系统尺寸和重量,降低系统成本和降低失效率返修率等。用户对快速加热和大功率环境工作,对感应加热功率器件IGBT造成很大的应力冲击,造成相当比率的市场失效,导致制造商需要花费大的成本来做售后维护,同时也影响了制造商的品牌口碑。另外一方面,激烈的市场竞争导致用于对系统成本提出更加严格的要求,设计者往往为了降低BOM成本会忽视甚至去掉极限情况下的IGBT的保护功能。同时,用户对友好的人机界面也提出了更高的要求,系统的一些报警功能可以提醒用户较少持续恶劣工况下运行,也可以做到降低系统的失效率。
因此,设计一种大功率,高可靠性,高集成的感应加热系统就很有必要。本文介绍了一款2.1kW感应加热评估板,来满足客户的各种需求,同时,自带完善的保护功能,以及经过优化的PCB设计可以给设计者提供参考。
自带保护功能TRENCHSTOP™ IPD Protect器件介绍
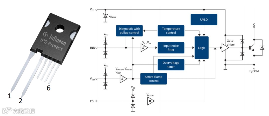
针对感应加热市场应用,英飞凌推出了一款新颖F系列TRENCHSTOP™ IPD (Integrated Power Device),也称作“IPD Protect”,TO-247-6引脚封装的IPD Protect器件EWS20R5135IPB集成了1350V 20A的RC-H5 IGBT和独立自带保护的驱动器,集成的体内二极管可以实现软换流1。
图1. IPD Protect器件图片和内部功能框图
器件的Pin脚定义分别为:1-C(Collector),2-E/COM(Emitter/Ground),3-VCC(Supply),4-CS(Current Sense),5-INN(PWM Input),6-VDET(Voltage Sense)。芯片引脚端口都集成了ESD保护二极管。
器件安规距离:封装TO247-6实现集电极(Collector)和发射极(Emitter)飞行距离3mm,引脚之间的爬电距离5.7mm,背面散热基板到发射极爬电距离为7.5mm4。
VCE过压保护:VCE过压保护点可以设置,并可以实现VCE主动钳位控制(Active clamp control-ACC),VDET脚检测电压超过设定电压后,进入内部闭环控制,驱动电压降低,IPD Protect的VCE电压一直钳位在预设的最大电压3。
过流保护:CS引脚检测流过IPD Protect的电流,达到设计值时就会出发逐波限流保护。
过温保护:正常工作时INN电压为2.5V典型值,当IPD Protect结温达到温度报警点(典型值75℃)时,INN电压上升到4.5V典型值;当IPD Protect结温达到过温保护关机点(典型值150℃)时,INN电压降为0V。
VCC欠压保护:当VCC电压上升到典型值13.5V时,芯片开始正常工作,其中有1V回差,即当电压下降到典型值12.5V时,芯片欠压保护启动,停止动作。
综上所述,这颗IPD Protect器件集成度高,自带各种保护功能可以大大提高系统的可靠性,高集成度可以减少设计工程师的工作量,并可以减少元器件数量,缩小PCB面积,从而降低系统成本。
感应加热系统设计
1
感应加热原理介绍
1831年8月,英国物理学家法拉第发现了电磁感应现象,即交变的磁场在导体中会产生感应电流,从而导致导体发热。电磁感应加热的原理就是感应加热电源产生的交变电流通过感应器(即线圈)产生交变磁场,导磁性物体置于其中切割交变磁力线,从而在物体内部产生交变的电流(即涡流),涡流使物体内部的原子高速无规则运动,原子互相碰撞、摩擦而产生热能,从而起到加热物品的效果。将电能转化为磁能,使被加热钢体感应到磁能而发热的一种加热方式,这种方式从根本上解决了电热片,电热圈等电阻式通过热传导方式加热的效率低下问题。
2
单端并联谐振电路拓扑介绍
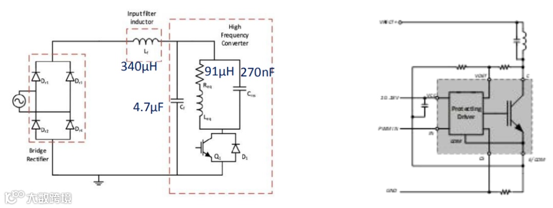
感应加热应用一般采用单端并联谐振拓扑(single-ended parallel-resonant-SEPR),如图2所示,这种拓扑架构相对简单,可以实现高效的能量转换,同时,工作在谐振软开关模式可以降低EMC噪音。
然而这种电路拓扑也有一些缺陷,如工作在谐振状态下,输入电压经过谐振后放大,电压应力加在IGBT上,不可控的高压很容易造成IGBT的过压失效。同时,谐振模式下的电流尖峰,如果控制上不注意,或在某些极限工况运行时,也非常容易引起IGBT的过流损坏。
图2. 单端并联协整拓扑
因此,系统设计的时候,需要特别注意IGBT的软硬件保护策略。
3
系统整体介绍
图3. 系统整体功能框图
系统整体框图如图3所示,220V交流电压经过滤波整流后,通过谐振电容,大线盘,IPD Protect等进行高频谐振。220V交流电压整流后通过反激电路分别输出18V给IPD Protect,输出5V给单片机。单片机通过检测输入电压,谐振电压和输出电压进行闭环控制,同时也检测系统的一些保护信号。按键和LED显示等人机交互界面用来控制和监测系统的运行状态。
图4. PCB板图片
设计的PCB板实物照片如图4所示,功率器件整流桥二极管和IPD Protect紧靠散热器,风扇对散热器强制风冷散热,谐振电感和电容等功率回路在PCB板中间,辅助电源板板给单片机和风扇供电,经过加强绝缘隔离的控制电路和人机交互电路部分在PCB背面。
系统设计和测试结果
1
正常满载工作状态
设置系统输出满载功率2.1kW运行时,测试IPD Protect器件的波形如图5所示,VCE尖峰电压1036V,ICE尖峰电流50A,INN高低电平分别为2.5V和0V。可以看出,功率器件一直工作在软开关状态中,INN上升沿到VCE电压上升延时时间为1.8µs。
图5. 系统满载2.1kW运行时的波形图
2
过压保护电路
如图6所示,IPD Protect的VCE电压通过分压电阻后连接到VDET脚,与内部设定的过压触发电压门限比较,当达到VDET+1时,过压保护功能触发,VCE被钳位到VClamp1,当达到VDET+2时,内部闭环启动,VCE被恒定钳位在VClamp2,如果故障排除后,VCE下降到VRST时,退出过压保护模式。
其中,VClamp1是设计期望的IPD Protect VCE钳位电压,VDET+1是内部的过压触发门限电压。
VDET+2=4.36V和VRST-=1.37V代入,可得VClamp2=673.1V, VRST=211.5V
图6. 过压保护电路和VCE波形
3
过流保护电路
如图7所示,流过IPD Protect内部IGBT发射极的电流经过采样电阻R8后,通过电阻R27和RCS分压后,连接到IPD Protect的CS脚,与内部的基准电压VCETH-进行比较,如果大于VCETH-,过流保护功能将被触发。
图7. 过流保护电路和ICE波形
IPD Protect的过流保护点计算公式如下所示,经过计算可得,IPD Protect在系统中的ICE过流保护点为68A。
4
过温保护电路
IPD Protect内部自带过温保护功能,当芯片内部结温达到结温报警点TvjTW时(典型值75℃),INN PWM电压会被抬高,这样单片机就可以检测到这个抬高的报警信号,可以做一些降额处理。
当芯片结温继续上升,达到结温保护关断点TvjSD时(典型值150℃),IPD Protect的驱动就会被拉低,系统关机,当温度下降到75℃以下时,系统会自动重启,如图8所示。
图8. 过温保护报警和关机波形
5
输入电压跌落试验
当输入电压突变时,谐振电流突然增大可能导致功率器件失效。测试条件为,在满载2.1kW工作时,输入电压从312V跌落到56V,持续200µs,查看系统是否异常。测试波形如图9所示(其中通道1为ICE,通道2为VCE,通道3为INN),当输入电压突然上升时,母线电压过冲会导致功率器件IPD Protect电压VCE和电流ICE迅速上升,可能导致器件失效。由于IPD Protect内部集成良好的电流限制功能,从而可以限制器件电压的上升,保护IPD Protect不损坏。
图9.输入电压跌落试验波形
6
运行时移锅测试
系统运行时,突然移动被加热的锅,会造成系统负载的突变,会对系统的稳定性和器件的应力造成冲击。测试波形如图10所示,其中通道1为INN,通道2为VCE,通道4为ICE, 可以看出系统波形很稳定平滑,也没有出现IPD Protect器件的电流电压应力问题。
图10. 系统运行时移锅测试
7
PCB布板和整体设计建议
外围旁路电路靠近器件放置
由于IPD Protect内部集成了很多模拟和功率功率电路,芯片对于引脚采集的信号十分敏感,为了保证芯片功能不被干扰,芯片外围的电路需要尽量靠近芯片放置。如芯片+18V供电电压的旁路电容需要靠近VCC脚,VCE电压采样电路的滤波电容需要靠近VDET脚,ICE电流采样的RC滤波电路需要靠近CS脚等。
LC滤波回路和谐振回路尽量短
单端并联谐振电路拓扑一直工作在谐振模式,所以功率回路一定要尽量短,避免一些寄生参数造成工作不稳定。如图11所示,工作在谐振模式下的电感,IPD Protect, 谐振电容和母线电容,需要尽量靠近放置2。
图11. PCB功率回路
安规距离
由于系统存在高压危险电压信号,同时又有一些人机交互的单片机数字电路,所以在布局的时候一定要考虑高压电路的安规距离。
散热设计
尽管IPD Protect内部集成了过温报警和关闭功能,但是由于过温保护点的精度和过温保护的响应时间问题,同时系统运行时谐振状态会引起大的结温波动,所以系统设计的时候还是需要良好的散热,比如使用足够风量的风扇进行强制散热,IPD Protect器件与散热器之间紧密的接触等。
结束语
本文针对感应加热产品的一些技术问题和客户痛点,设计了一款新颖的2.1kW感应加热系统,采用英飞凌高集成度的IPD Protect功率器件,大大提高了系统的集成度和可靠性,同时也简化了设计的难度,在小家电市场的应用将具有很大的吸引力和前景。
参考文献
1.英飞凌,IEWS20R5135IPB数据手册,v2.3,2020
2.英飞凌,UN2019-35_IEWS20R5135IPB评估板应用手册,v01,2020
3.英飞凌,Trenchstop feature IGBT Protected series for induction heating,v01,2020
4.英飞凌,AN2018-34 IPD Protect-features,description and design tips, V1.3,2020
关于英飞凌
英飞凌设计、开发、制造并销售各种半导体和系统解决方案。其业务重点包括汽车电子、工业电子、射频应用、移动终端和基于硬件的安全解决方案等。
英飞凌将业务成功与社会责任结合在一起,致力于让人们的生活更加便利、安全和环保。半导体虽几乎看不到,但它已经成为了我们日常生活中不可或缺的一部分。不论在电力生产、传输还是利用等方面,英飞凌芯片始终发挥着至关重要的作用。此外,它们在保护数据通信,提高道路交通安全性,降低车辆的二氧化碳排放等领域同样功不可没。

