前言
01
户用光伏每年装机都在高速增长,单相光伏逆变器功率范围基本在3~10kW,系统电路示意框图如图1所示,从光伏电池板经过逆变器中DC/DC,DC/AC电路实现绿电的能量转换,英飞凌能提供一站式半导体解决方案包括650V功率器件、无核变压器CT技术驱动IC、主控制MCU和电源管理芯片等。
图1.单相光伏系统框图
从应用需求上,逆变器需要体积小,重量轻,安装方便,容易维护,可以融合储能提升用电效率,实现更早投资回报。从功率器件角度,主流方案都是基于TO-247封装的分立器件,曾几何时CoolMOS™方案因其在效率和高频特性上的优势被广泛使用。但是随着成本竞争的加剧,英飞凌和客户合作又提出了一种新的解决方案650V高速IGBT方案。从电路拓扑角度,比较常见的拓扑是H4, H5,H6,H6.5和HERIC等不同的电路结构,都无变压器,对地存在寄生电容,基本典型值为10nF/kW。但不同的拓扑出发点都是为了解决共模电压跳变导致的系统对地漏电流的问题,以满足电气安全导则来设计,同时要兼顾光照不足时轻载条件下的高效率,基本都在最大效率98%,加权效率97%以上。不同的电路拓扑本质上大同小异,但有着各自的优缺点和局限性。
近年来,户用单相光伏逆变器所用的650V单管功率器件从技术和产品上似乎鲜有新的猛料爆出。看到隔壁的大功率组串式逆变器各种定制化芯片、封装和SiC技术,并由此带来的效率和功率齐飞的盛况。户用逆变器的开发者不禁想问,除了降本这个永恒不变的话题,在提频和增效上我们路在何方?好钢用在刀刃上,在目前市场还很难接受SiC MOSEET价格的前提下,有没有一种结合IGBT低成本以及SiC高性能的产品?英飞凌给出了最佳的答案。
650V混合SiC IGBT特点
02
650V混合SiC IGBT,顾名思义是将IGBT和SiC二极管做在同一个TO247-3/4封装里,如图2所示,从而兼顾了IGBT的高性价比以及sic二极管的高速以及极低的反向恢复电流的优势。混合IGBT单管目前有40A,50A和75A三种规格可选,户用光伏逆变器以H5芯片为主。
图2.单管TO-247封装
▼650V 混合SiC IGBT家族
其中RH5是内置半电流SiC二极管,SS5是内置全电流SiC二极管。TRENCHSTOP™ H5是开关速度快的芯片特性,低关断损耗,主要用于30kH以上到100kHz左右的高频应用场合,具有较高效率。TRENCHSTOP™ S5是中等开关速度的芯片特性,有相对低的饱和压降,主要用于10kHz到40kHz左右的应用场合。结合内置SiC二极管特性,对二者进行电流最佳匹配。
主要技术特点:
1.搭载了英飞凌性能优异的650V H5/S5 IGBT晶圆以及650V第六代SiC二极管
2.SiC二极管极小Qrr,有效降低对管IGBT开通损耗,且自身反向恢复损耗Erec也明显降低
3.IGBT开通损耗随温度的影响很小
4.降低EMI
根据最新650V/50A产品规格书进一步分析器件的正向导通和开关参数,如图3所示。其中RH5中的SiC二极管Vf呈现正温度系数,在If=50A时相比EH5 Rapid1有比较高的正向压降,但在实际应用中由于结温比较低,二极管电流比较小,二者对功耗影响相差不会太大。
图3.正向压降Vcesat和Vf
如图4所示,SiC二极管对IGBT开通损耗影响很大,相比EH5在Ic=25A时降低70%,总开关损耗降低55%。因此,在高频和效率提升上,尤其小容量户用光伏逆变器,650V SiC混合单管有很好的技术优势,后续在HERIC电路中进行系统性能分析。
图4.开关损耗Eon和Eoff
系统电路拓扑和仿真分析
03
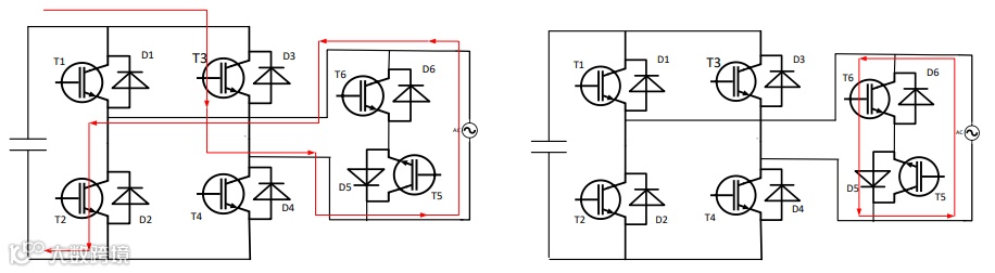
户用单相光伏逆变器电路拓扑以HERIC为主,该电路是2006年Sunways提出的高效可靠的逆变器拓扑结构,其基于传统H4电路上在交流侧加入旁路功能的第五、六开关。其有效隔离了零电平时候交流滤波电感L与寄生电容C之间的无功交换,提升系统效率,且降低寄生电容上的电压高频分量,消除漏电流。
以HERIC拓扑为例,阐述该器件在系统效率上的优势,该拓扑有四个高频管,两个工频管。高频管一般工作在20~30kHz,工频管类似于T型三电平的横管,在PF=1的时候,工频管仅有导通损耗;其反并联二极管同时具有导通损耗和反向恢复损耗,详细换流如图5和6所示。
(a)Uo>0,Io>0
(b)Uo>0,Io<0
图5.第一、二象限换流回路
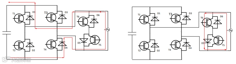
当输出Uo>0,Io>0时器件处于第一象限工作,高频管为T1与T4,工频管为T5,D6承受反向电压。负载电流流向如图5(a)左所示,此时损耗主要时T1,T4开通和导通损耗以及D6反向恢复损耗。当高频管T1和T4关断时,工频管T5开通,D6正向导通续流,负载电流流向如图5(a)右所示,此时损耗主要是T1,T4关断损耗及其T5,D6正向导通损耗。
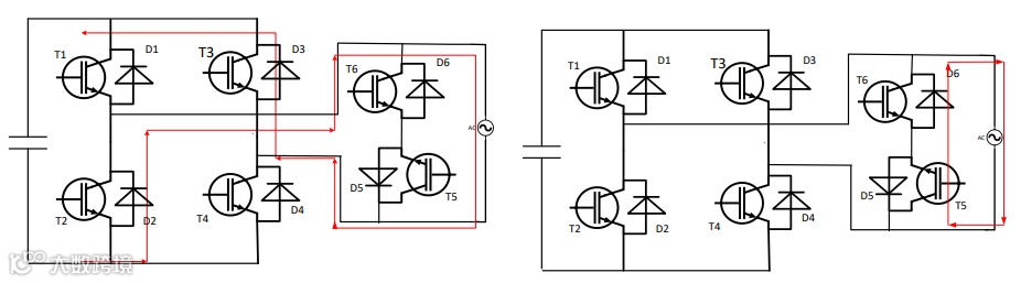
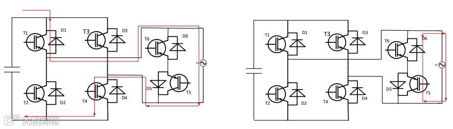
当输出Uo>0,I<0时器件处于第二象限,逆变器发无功,D1与D4二极管续流,负载电流流向如图5(b)左所示,此时损耗主要是D1与D4正向导通损耗以及D6反向恢复损耗。当高频管T2与T3开通,此时工频管T6开通,D5正向导通续流,负载电流流向如图5(b)右所示。其他两个象限的换流回路如图6所示,这里就不再赘述。
(a)Uo<0,Io>0
(b)Uo<0,Io<0
图6.第三、四象限换流回路
通过换流分析可以看出,工频管中反向恢复二极管D6特性会影响T1,T4高频管的开通损耗,实际是二者之间进行开关换流。因此,通过利用SiC的开关损耗低特性,650V混合管可以有效降低高频管的损耗,显著降低器件的工作结温,提升系统效率。
以8kW户用光伏逆变器为例,基本电路仿真工作条件是Vdc=360V,V0=230V,fs=20kHz, Io=35A,PF=1,Th=100℃。由换流分析,主回路高频管采用H5芯片,将工频交流开关用H5和混合RH5,SS5方案进行对比分析。
图7.不同开关频率fs下的EH5损耗
方案1全部选用IKW50N65EH5,仿真在不同开关频率fs条件下系统的损耗和效率情况。单纯在原先方案上提升器件开关频率到30kHz和40kHz只会增加系统损耗,效率降低,如图7所示。此时观测器件工作结温时,当开关频率fs提升到40kHz时,T1与D6都已经超过最大运行结温,如图8所示。因此,根据HERIC换流电路的特点,降低换流过程中的损耗是工频管器件设计主要考虑的出发点。
图8.结温分布
方案2采用650V混合SiC器件来代替工频交流管位置,选用IKZA50N65RH5和IKZA50N65SS5两种来比较系统性能差异,如图8。RH5相比之前的EH5方案1,在相同fs=20kHz条件下可以提升系统效率0.24%,总损耗降低19.6W左右;SS5可以提升系统效率0.34%,总损耗降低27.2W左右,同时SS5相比RH5而言可以提升0.1%。此时,T1管对应的温度为140.3oC,T5对应结温为106.2oC,D5对应的结温为108oC。
图9.用不同工频管时的损耗和效率
如果EH5和SS5方案提升开关频率到40kHZ,相比传统EH5方案高出2倍,但逆变器效率上仍然高出0.16%, 总损耗降低大约13瓦。此时器件中高频管T1的结温为142.4oC,工频管T5的结温为110.4oC,SiC二极管D6的结温为113.2oC。另外,SiC二极管的反向恢复损耗受结温影响比较小,基本保持不变。实际中T1管的开通损耗可能会小,有助于进一步降低高频管的损耗。因此,650V混合全电流SiC器件可以在大范围内有效提升HERIC拓扑电路的开关频率和增加系统效率。
结论
04
该650V混合SiC产品继承了经典的TO247封装,客户可以在不变更PCB和电路情况下,对老的产品进行直接替换,从而在最短时间内达到系统效率的提升和增加开关频率的目的。同时,由于器件带来系统损耗减少的优势,可以降低散热设计要求和成本;开关频率提升可以有效降低并网电感的尺寸和大小,减少电流谐波对电网的污染。单相HERIC电路中,用单一器件替换就可以带来如此优势,何苦要去折腾各种专利拓扑,各种软开关?
关于英飞凌
英飞凌设计、开发、制造并销售各种半导体和系统解决方案。其业务重点包括汽车电子、工业电子、射频应用、移动终端和基于硬件的安全解决方案等。
英飞凌将业务成功与社会责任结合在一起,致力于让人们的生活更加便利、安全和环保。半导体虽几乎看不到,但它已经成为了我们日常生活中不可或缺的一部分。不论在电力生产、传输还是利用等方面,英飞凌芯片始终发挥着至关重要的作用。此外,它们在保护数据通信,提高道路交通安全性,降低车辆的二氧化碳排放等领域同样功不可没。

