阻感性负载和反电动势负载
摘要
六期连载,整流电路AC/DC变换应用非常广泛,其中二极管整流在电机驱动中是主流的方案,而且功率范围很广,所以了解二极管整流工程设计非常重要。
整流电路AC/DC变换应用非常广泛,比DC/AC 逆变器功率范围更广,数量更多。为了降低谐波电流,有源PFC应用越来越广泛,但二极管整流在电机驱动中还是主流的方案,而且功率范围很广,所以了解二极管整流工程设计非常重要。
整流电路是电力电子课程的基础内容,占篇幅也很大,但是在书本上,工程上的重要基础问题没有细讲或没有涉及,尤其重要的整流电容滤波负载往往被忽略了,以至于使得整流电路设计在中小功率系统设计中也没有得到足够重视,直接影响系统成本和可靠性。而大功率整流,譬如新能源电解氢,整流知识是必不可少的。
第二讲《二极管的损耗与波形系数》讲了二极管和测量技术的基本概念,从第三讲开始整流桥各种负载,包括电阻性负载,阻感性负载,带反电势的负载,电容滤波负载。最后以标准和测试波形讲解针对非线性负载的逆变器设计策略。
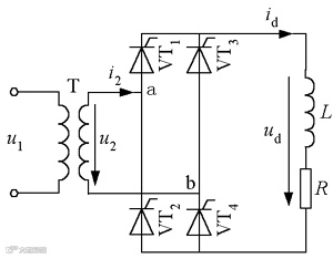
单相整流电路的阻感性负载分析
纯电阻性负载比较简单,不再举例了。阻感性负载还是比较常用,譬如直流电机负载,为了符合微信快速阅读习惯,以单相电路为例分析其不连续电流模式和连续电流模式,给出一些电流波形。有需要可以读一下阮新波老师的《电力电子技术》第二章,阮老师花了45页篇幅非常系统讲解了整流电路。
阻感性负载---连续电流模式
理想的连续模式负载是电流是带一点纹波的方波,由于配电的电感(变压器的漏感),方波电流的电流变化率没有这么高,边沿没有这么陡。
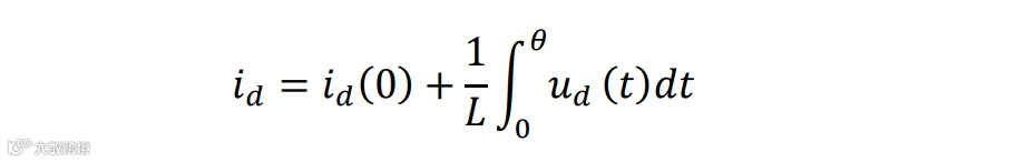
当VT1和VT4在ɑ角度时触发导通,ud电压就等于u2减去两个整流管的正向导通压降,波形在整流管导通期间跟随输入电压u2,分析中假设:ud=u2.
从ɑ角开始,电流id一直在上升,直到电阻上的电压uR等于u2,图中由于假设电感很大,负载电阻R很小,所以看上去电流波峰(id最大值)接近ud电压过零处。当uR>u2,这时电感释放能量,电流逐渐下降,一旦u2到下半周为负,但电流还是正的,这时对电网反馈能量。这一现象在不连续电流模式下看得更清楚。
如果是二极管整流,当输入电压过零时,电流就换向,如果是晶闸管换向就发生在ɑ角。换向时的电流 id(0),即上一半周的id(θ)。电感L越大,储能多,负载电阻R越小,这时id(θ)也比较大,电流纹波不大。
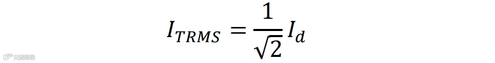
所以整流管上的电流也是为方波。
整流管损耗为:
二极管电流平均值id是整流桥输出的电流平均值的一半,有效值可以通过查表获得整流电路的方波波形系数来获得。这样就可以方便计算二极管上的损耗了。
其实在这里,有效值电流也很容易理解,由于稳态时,电感上的平均为零,因此Id只是由负载电阻决定。
交流输入有效值电流:
整流管上的有效值电流:
由于稳态时,电感上的平均为零,因此Id只是由负载电阻决定,同时电流是方波,有效值等于平均值等于峰值,问题就变得简单了。
阻感性负载不连续电流模式
分析过电流连续模式再看电流不连续模式,它的特征很显得明显,换流过程以流水账形式列在下面。
t1=ωt1:T1,T4导通,ud=u2,负载电流id从零开始上升,电网给电感和电阻供电,电感储能;
uR=u2:电阻上电压等于输入电压,电感电压为零,电流id到达峰值;
uR>u2:电阻上电压大于输入电压,电流id开始下降,电感释放能量,这期间电阻的能量来自电网和电感;
π:u2过零,走向负半周,电感电流滞后于电压,电流还是正的,这时,电感给电网反馈能量和给电阻供电
t2=ωt2:电感能量放完,电流id为零,T1,T4晶闸管截止
t3=ωt3:负半周开始
不连续电流模式电流非方波,波形系数需要通过仿真的办法获得。
带反电势的负载
这也是一种常见的整流器负载形式。看原理图,想到这是最简单的充电电路,负载可看成一个直流电压源,对于整流电路,它们就是反电动势负载。
带反电动势的整流电路,只有在输入电压高于反电动势E时才有电流,负载电流是不连续的。
由于电流导通时间短,当回路中的电阻比较小的时候(这一类电路中电阻是损耗,往往很小),输出同样平均值电流时,电流的峰值和有效值都比较大,功率因数低,所以一般设计中需要有电抗器。这种特性负载,会在下两个单元以应用及其广泛的电容负载详细讲解。
#
下一讲预告
《整流电容滤波负载原理》
摘要:本系列的核心内容,在交流供电的电源,家用电器,电机驱动器中,电容滤波这一非线性负载非常普遍,本讲开始详细讲解整流电容滤波的分析方法、计算方法和实例。
欢迎关注微信公众号
【英飞凌工业半导体】

