芯片的温度是电力电子器件运行时最重要的参数之一。测量芯片温度的一个可行的办法是测量底板温度作为基础数据,然后通过一个热模型来计算结温。在英飞凌公司的很多功率模块中,热敏电阻,也称作NTC,作为一个温度传感器集成在模块内部,用来方便地测量温度。
本文详细介绍说明了有关的隔离措施以及如何使用NTC测量温度值。
内部设计
NTC安装在硅芯片的附近,以得到一个比较紧密的热耦合。根据模块的不同,NTC或者与硅芯片安装在同一块DCB上,或者安装在单独的基板上。

图1 (a) EconoDUALTM 3内部的NTC安装在靠近IGBT 的独立的DCB上

图1(b) 没有底板的模块NTC,安装在靠近硅芯片的地方
绝缘隔离措施
不管NTC处于什么位置,都被模块内部填充的硅胶所覆盖,可以满足常规工作条件下的隔离需求。如果失效,高压侧与NTC之间将产生导电通路,导电通路路径如图2所示:

图2 击穿失效时的导电通路路径
这个导电通路可以由故障发生时连接线改变位置连接而成,或者击穿时的电弧产生的等离子路径形成。 出于这个原因,内部NTC的绝缘只是满足功能性的绝缘,如果需要加强隔离,需要加入外部隔离屏障。可行的方法有:
- 把高压作为设计控制电路的参考电位,并在人可接触部分和控制电路间加入绝缘隔离屏障层。
- 使用带有内部隔离的运放来检测NTC两端的电压。
- 使用隔离器件如磁或光耦将NTC的电压转化为能够传输到控制电路的数字信号。
NTC的散热情况
内置NTC的模块内部的热量流动路径如图3所示

图3 电力电子模块内部的热量流动
芯片产生的大部分热量通过散热片直接散到环境中。除此之外,还有一部分热量经过DCB基板和底板传导到NTC所在的位置。 由于热量无法瞬间流动,NTC只适合测量模块稳态工作时的温度。因为相关的时间常数太小,一些瞬时现象,比如短路时产生的瞬时热量就没办法监测到。
一个重要的结论,NTC不能用于短路保护!
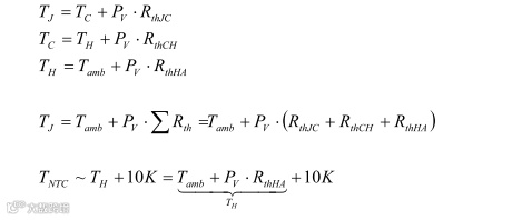
热传导路径的等效热路图如图4所示:

图4 等效热路原理图
可以得出两个结论:
1. 由于连接结到NTC的路径RthJNTC上有温度的降低,热敏电阻的温度TNTC会比结温TJunction低。
2. 由于同样的原因,NTC的温度会比散热片上测量的温度高。
由经验可知,对于电力电子设备,散热片的温度和NTC的温度的差值约等于10K。
如果要计算无法直接测量到的温度值,则必须知道热传导路径上Rth-chain的值。对于一个给定的模块,IGBT和二极管的相应的RthJC 和RthCH可以从数据手册得到。
IGBT值

二极管值

图5 英飞凌电力电子模块数据手册中的Rth值
根据以上数值可以使用以下公式模拟计算各点温度:

如欲了解有关热量建模和热量计算的更多信息,请查阅英飞凌应用手册AN2008-03 Thermal equivalent circuit models(热等效电路模型)。
使用模拟方法测量NTC
这一方法是基于把NTC作为分压电路的一部分来实现的,如图6所示:

图6 利用内部NTC构成的分压器
数据手册中用两种不同方式给出了NTC的热特性。可以用解析方法拟合NTC的热特性图。其数学表达式为:

其中:

对于一个较小范围内的温度,为了更精确的计算,数据手册还提供了B25/50和B25/80的值。
由测量得到的电压UR,则实际电阻R(ϑ) 可以计算为:

从而可推导出实际温度的表达式:

根据测量得到的UR值,使用一个微处理器简单求解这个等式就可以得到待测温度值。如果只需最大温度的一个阈值信号,则使用一个在预定值触发的比较器就足够了。
分压器中R1的大小
应当认真选择R1的阻值。如果选得太小,流过NTC的电流产生的功率损耗会加热NTC从而改变测量结果。另一方面,如果R1选择得太大,测得的电压太小,从而会降低测量精度。
为了将电流的影响降到最低,需要对NTC热特性进行分析。NTC的热导率为145K/W。 如果允许温度有1K的精度差,那么NTC内部的功率损耗不能超过Pmax=6.9mW。假设待测温度值为100°C,NTC的阻值为R100=493Ω。
由此可知,电流最大值可以计算为:

对于U1=5V的供电电压和3mA的电流限定值,电阻R1为:

由于没有这样的标称电阻,因此可以选择910Ω的阻值,使得Imax=3.56mA;在允许1K温度偏差的情况下,可以选择任何使得电流I<4mA的电阻。
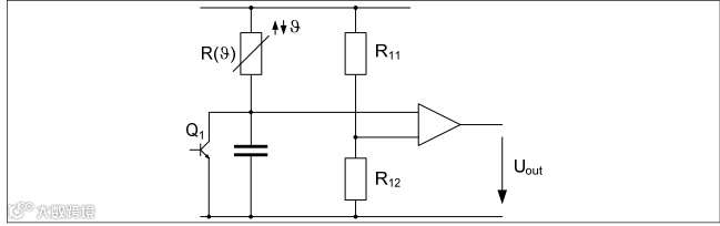
使用数字方法测量NTC
除了用分压电路的方法,NTC的阻值随温度的变化也可用于影响R-C电路的时间常数,基本电路图如图7所示:

图7 采用数字方法获得的温度的基本原理图
通过电阻R11和R12设置比较器的阈值来改变比较器的输出。输出信号Uout 用于触发晶体管 Q1来使电容放电。 由于电容的充电是受NTC的电阻R(ϑ)控制的,Uout是一个频率为 fout= g(ϑ)的脉冲。
为了从Uout得到实际的温度值,只需要计算固定周期内的脉冲数就可以了。脉冲数与温度的之间的对应关系,可以用解析表达式或用查表方式获得,对于两个标定点之间的数值可以由插值方法得出。

