日前,英飞凌在欧洲PCIM上介绍了PrimePack+™封装的全新产品,该产品基于最新的IGBT7芯片技术,大幅提高了额定电流能力,并定义了全新的2300V芯片电压,适用于1500Vdc系统。通过不同的拓扑结构和电压等级组合,有望成为下一代最佳性价比的MW级大功率T型三电平解决方案。
高效率、高可靠性——
大功率T型三电平IGBT方案
当前光伏/储能/风电等应用中,单机功率需求越来越大;同时基于整机效率和电网友好考虑,三电平变换器也在逐渐成为新的主流方案。与此同时,在IGBT模块开发时却常常面临一个棘手问题,如何通过最小化的产品型号满足不同电压等级和功率等级的需求。
如今,我们找到了最佳的方式:将T型三电平拆分为两个标准模块单元,内管为共集电极对管模块,外管为半桥结构的标准模块。选用不同电压的外管即可覆盖大多数的应用需求,且保持封装结构的一致性,如下图所示:
T型三电平方案示意图(左:横管,右:竖管)
大功率应用采用T型三电平的优势
1.导通损耗更低,整体效率更高
IGBT芯片或二极管芯片的输出特性存在一个“knee voltage”,因此两个低压芯片的串联阻抗要大于单个高压芯片。从而T型三电平(NPC2)的导通损耗较I型三电平(NPC1)低,尤其在在1.5kHz~4kHz开关频率下,整体效率优势明显。
2.单一换流回路,方便调试优化
二极管钳位三电平(NPC1)换流路径因功率因数而改变,长换流路径杂感较大,对IGBT关断和二极管反向恢复都是很大挑战。T型三电平(NPC2)只有单一换流回路,易于优化布局设计,改善开关波形,扩大安全工作区。
3.简化开关时序,及时故障保护
二极管钳位三电平(NPC1)需要严格遵守开通时“先内后外”,和关断时(含故障保护)“先外后内”,否则内管极易因承受整个母线电压而过压损坏。T型三电平(NPC2)无这些顾虑,可以放心开关操作且内管也可使用短路保护功能。
4.省去均压电阻,简化外围电路
I型三电平(NPC1)在负载电流续流阶段,存在两个器件(T1/T2 或T3/T4)工作在串联模式,其静态分压由漏电流决定。而漏电流受内外管结温的影响。为消除此影响需要在内管额外并联电阻来强制分压,其损耗可高达10W以上。T型三电平(NPC2)不需要此分压电阻,可以简化外围电路,节省物料成本。
5.损耗均匀,芯片面积利用最大化
三电平拓扑受工作模式的影响,芯片损耗分布不均而导致芯片整体有效利用率不高。T型三电平(NPC2)多象限运行时换流路径相对固定,因此芯片利用率高于I型三电平(NPC1)。
6.功率端子并联,降低封装内寄生电阻损耗,并提高载流能力
大功率应用中,IGBT器件封装的内阻不可忽略。例如1000A有效值电流,在0.5mΩ的封装内阻上可产生数百瓦的损耗。此损耗不仅影响整机效率,也会导致铜排温升过高影响使用。T型三电平方案(NPC2)采用IGBT模块并联组合方式,整体内阻可降至I型三电平方案(NPC1)的1/4,可降低寄生电阻损耗并提高载流能力。
典型组合方案
**来源于行业应用经验;若长期在高母线电压下工作,还需考虑宇宙射线引起的失效率问题。
Q&A
Q1
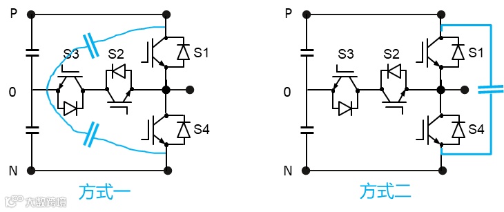
多个模块拼装的方式,会不会导致整体换流回路过长、杂感过大?
A1:PrimePack™是低杂感封装结构,内部采用了铜排叠层方式连接各个DCB,芯片均匀分布。当组成T型三电平时,仍构成较小的回路面积,其换流路径杂散电感可实现30nH以内。需要注意的是:PrimePack™组合方式芯片分布均匀,动静态均流较独立三电平封装更佳,利于提高大电流系统的鲁棒性。
Q2
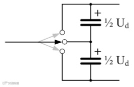
如果要添加snubber吸收电路的话,该如何放置?
A2:Snubber吸收电容可进一步降低换流回路杂感,抑制震荡和减小尖峰,有利于扩充芯片安全工作区(在更高的直流电压下开关)。一般有两种方式,可根据实际应用来选择,如下图所示(方式1-用来降低换流杂感,方式2-重点保护外管过压):
Q3
在1000V系统中,内管使用1200V的芯片,效率方面是否比650V或750V芯片低?
A3:从半导体特性上看,高压芯片的确要比低压芯片导通压降略高。但基于第七代芯片技术的设计对此进行了优化,其IGBT/Diode芯片导通压降只有1.3V/1.6V,已经优于前代的650V/750V芯片,因此同一款器件可以适用于不同电压等级的方案中。
更多产品信息请参考:
Infineon PCIM virtual booth 2020
High Voltage IGBT Modules: 2.3kV–A New Voltage Class for Si-IGBT and Si-FWD, Frank Umbach
也可以点击“阅读原文”参观英飞凌PCIM虚拟展台。

关于英飞凌
英飞凌设计、开发、制造并销售各种半导体和系统解决方案。其业务重点包括汽车电子、工业电子、射频应用、移动终端和基于硬件的安全解决方案等。
英飞凌将业务成功与社会责任结合在一起,致力于让人们的生活更加便利、安全和环保。半导体虽几乎看不到,但它已经成为了我们日常生活中不可或缺的一部分。不论在电力生产、传输还是利用等方面,英飞凌芯片始终发挥着至关重要的作用。此外,它们在保护数据通信,提高道路交通安全性,降低车辆的二氧化碳排放等领域同样功不可没。
点击这里,参观英飞凌PCIM虚拟展台

