7月6日,英飞凌PCIM欧洲虚拟展台如期而至,手机版官方网站现已上线。
虚拟展台入口、完整演讲议程、海量资料下载……一站式解决您的所有观展需求,扫码即可一探究竟!
英飞凌展台
25个展台
18场技术报告
11篇大会论文和报告
海量展台资料下载
PCIM欧洲
60家参展企业
270个演讲及问答(免费)
行业论坛
电动汽车论坛
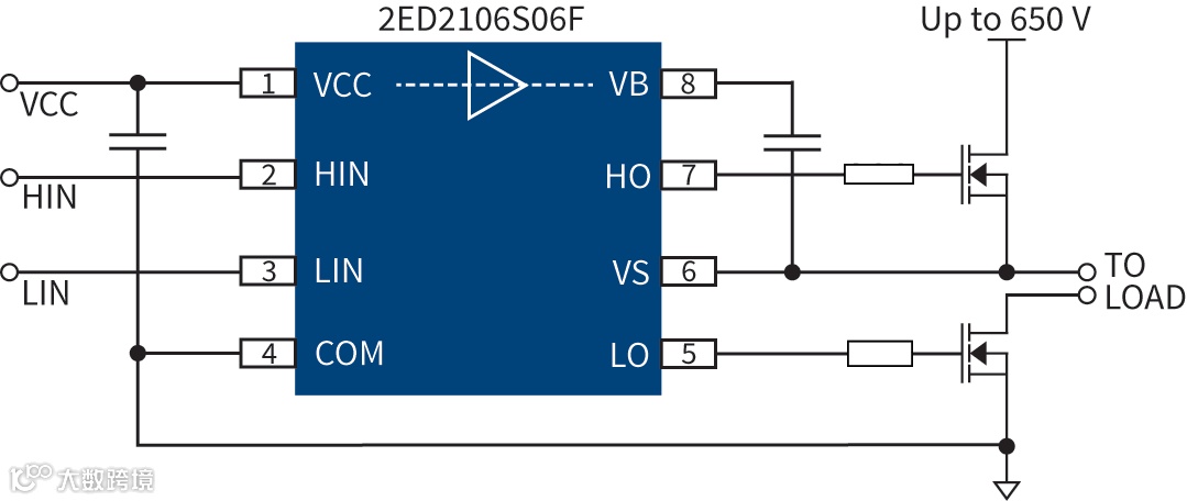
特征描述
工作电压(VS节点)高达+650V
VS负瞬态抗扰100V
集成超快、低电阻自举二极管, 减少了物料清单成本
高压和低压引脚分开,以实现最大的爬电距离和电气间隙
逻辑接地和电源接地分开
浮动通道,用于自举操作
集成直通保护,内置死区时间(可编程)
最大电源电压:25V
两个通道均具有独立的欠压锁定(UVLO)
传播延时:200ns
HIN,/LIN输入逻辑
VS引脚的逻辑操作高达–11V
输入负电压容差:–5V
浮动通道可用于驱动采用高边配置的N通道MOSFET、SiC MOSFET或IGBT
优势
大电流栅极驱动器——适用于大电流功率器件和高频应用
集成自举二极管(BSD)——通过更简单的设计、更低的成本来节省空间、降低物料清单成本和缩小PCB尺寸
电平转换损失减少50%
对VS引脚的负瞬态电压(-100V)有着出色的耐用性和抗干扰能力
目标应用
特征描述
电机控制与驱动
轻型电动汽车(LEV)
多轴飞行器和无人机
开关电源(SMPS)
不间断电源(UPS)
电动工具
服务用机器人
家电
LED照明
电动汽车充电
电池化成
开关电源
家电/电机控制
产品概览
关于英飞凌
英飞凌设计、开发、制造并销售各种半导体和系统解决方案。其业务重点包括汽车电子、工业电子、射频应用、移动终端和基于硬件的安全解决方案等。
英飞凌将业务成功与社会责任结合在一起,致力于让人们的生活更加便利、安全和环保。半导体虽几乎看不到,但它已经成为了我们日常生活中不可或缺的一部分。不论在电力生产、传输还是利用等方面,英飞凌芯片始终发挥着至关重要的作用。此外,它们在保护数据通信,提高道路交通安全性,降低车辆的二氧化碳排放等领域同样功不可没。
点阅读原文,了解更多信息![]()

