9月9-11日,英飞凌将隆重亮相PCIM Asia深圳展会,通过四大展示空间“工业与能源”、“电动车辆”、“高能效智能家居”和“数字岛”向来访者展示了英飞凌在技术和产品上的成果,用全新的形式与业内人士交流互动产品和应用技术。
效率,已成为能源转换与用电设备中越来越受到广泛关注的话题。
互联网数据中心(Internet Data Center)简称IDC, 是集中计算和存储数据的场所,是为了满足互联网业务以及信息服务需求而构建的应用基础设施。受新基建、数字经济等国家政策影响以及新一代信息技术发展的驱动,我国数据中心市场规模增长迅猛。
随着数据中心市场的迅猛发展,数据中心的耗电量也连续以超过12%的速度增长,数据中心的节能问题正引发包括政府、运营商、UPS制造商以及半导体厂商的关注。近期,北京市发改委公布《关于印发进一步加强数据中心项目节能审查若干规定的通知》。对于超过标准限定值(PUE值1.4)的数据中心,将按月征收差别电价电费。对于新建、扩建数据中心,PUE值不应高于1.3。这样苛刻的PUE值标准,势必对UPS的效率提出更高的要求。(PUE值是指数据中心消耗的所有能源与IT负载消耗的能源之比,PUE值越接近于1,表示一个数据中心的绿色化程度越高)
在数据中心供电系统中,模块化UPS由于体积小,功率密度大,便于扩展和维护,近年来得到越来越多的关注。而高速IGBT器件的出现使得模块化UPS的这些性能和特点成为可能,小小IGBT,成就大数据中心。
图1. IGBT和数据中心
英飞凌650V CoolSiC™ Hybrid IGBT
单管特点
在硬件工程师的脑海里,IGBT的开关损耗由于拖尾电流的存在,大部分是关断损耗。但近年来出现的高速IGBT器件改变了这种状况,在实际使用中,更需要考虑开通损耗。
图2.TRENCHSTOP™ 5 IGBT开通和关断损耗对比
TRENCHSTOP™ H5和S5系列,是英飞凌IGBT单管器件中适合于快速开关需求的明星产品。TRENCHSTOP™ H5芯片优化了开关损耗,相比TRENCHSTOP™ S5芯片,开关损耗更低,开关速度可以达到100kHz。相反的,TRENCHSTOP™ S5芯片优化了导通损耗,Vce(sat)值相比TRENCHSTOP™ H5更低,有着更低的导通损耗,特别适合开关频率在20 kHz左右的应用。虽然参数优化方向不同,但这两种芯片有一个共同特点:开通损耗在整体开关损耗中的占比,大于关断损耗。另一方面,IGBT开通损耗的很大一部分,来自与之换流的二极管的反向恢复过程。因此在一定的电路结构中,优化IGBT换流二极管的开关特性,可以进一步降低IGBT的整体损耗,提高系统效率。
由于SiC二极管的反向恢复时间极短,反向恢复电流很小,可以降低SiC二极管自身的关断损耗,并且对其换流IGBT的开通损耗降低有极大的帮助。使用SiC二极管可以得到更高的系统效率,功率密度和系统可靠性,降低散热需求,降低EMI,不需要额外的吸收电路。基于这些优势,近年来SiC二极管在UPS和光伏领域使用越来越多。
图3.SiC二极管和Si二极管反向恢复对比
650V CoolSiC™ Hybrid IGBT单管,顾名思义是将IGBT和SiC二极管做在同一个TO247-3/4封装里,从而兼顾了IGBT的高性价比以及SiC二极管的高速以及极低的反向恢复电流的优势。
英飞凌650V CoolSiC™Hybrid IGBT
单管在NPC2逆变器中的应用
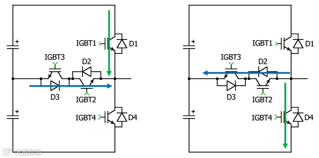
在UPS应用中,NPC2三电平逆变拓扑,由于其结构简单、使用开关器件少、控制方便等特点,常常被选用。NPC2逆变器拓扑结构如图4,其中IGBT1/D1/IGBT4/D4一般使用1200V器件,IGBT2/D2/IGBT3/D3使用650V/600V器件。
图4.NPC2拓扑
基于上述650V CoolSiC™ Hybrid IGBT的优势,我们把它使用在图4 NPC2拓扑的IGBT2/D2/IGBT3/D3的位置上。从图5 NPC2拓扑的换流路径看,主管IGBT1和IGBT4在开通之前,续流路径在正半周是从D3->IGBT2,负半周是从D2->IGBT3。由于D2和D3 是650 V SiC二极管, 反向恢复时间短,反向恢复电流小,在主管开通时,二极管反向恢复电流叠加到主管的电流相应地减少,使得主管IGBT1和IGBT4的开通损耗降低,进而降低整个逆变器的损耗,提升逆变器的输出功率。
图5.NPC2拓扑的换流路径
图6.650V CoolSiC™ Hybrid IGBT单管同ES5的开通损耗对比
从图6 650 V CoolSiC™ Hybrid IGBT单管同ES5的开通损耗对比看,混合器件可以降低60%的开通损耗,并且SiC器件的开关损耗受温度变化的影响很小,从图中可以看出混合器件的开通损耗在不同结温条件下基本没有变化。在实际工作中,使用混合器件可以使得系统输出更多的功率。
我们以单相5kW NPC2拓扑逆变器为例,主管IGBT1/4采用IKQ50N120CH3,IGBT2/3采用IKW50N65ES5和IKW50N65SS5 Hybrid IGBT两种方案。NPC2拓扑各器件损耗分布对比如下图7,在NPC2逆变器里,主管IGBT1和IGBT4的损耗占比最大,占逆变器总损耗的70%左右。从损耗对比看,使用650V CoolSiC™ Hybrid IGBT方案不但可以减少D2/D3自身的开关损耗,而且还可以极大地减少主管IGBT1和IGBT4的开关损耗。从逆变器的总损耗看,使用650V CoolSiC™ Hybrid IGBT方案,可以减少大约20%的逆变器损耗,提升整个系统0.3%的效率。
从下图的损耗分布看,NPC2拓扑中的IGBT2/3只有导通损耗,没有开关损耗,所以我们选择了TO-247-3封装的Hybrid IGBT器件。如果把650V CoolSiC™ Hybrid IGBT使用在户用光伏逆变器常用的Heric拓扑中,则推荐使用TO-247-4封装的器件,可以进一步降低器件的开通和关断损耗,提升整个系统效率。
图7.NPC2逆变器的损耗分布对比
结论
该650V CoolSiC™ Hybrid IGBT产品系列采用了TO-247封装,客户可以在不改变PCB的情况下,直接替换原有器件,从而降低功率器件温升,提升系统效率或者增加系统的功率输出。
650V CoolSiC™ Hybrid IGBT单管各产品如下表所示,其中IGBT有40A,50A和75A三种电流规格,封装中选用的SiC二极管有16A,20A,30A,40A和60A这些电流等级,根据IGBT与反向并联的SiC二极管电流值的不同配比,我们有尾缀RH5和SS5两种类型的器件。RH5中对应的SiC二极管是半电流的,SS5中对应的SiC二极管是全电流SiC二极管。
表1.英飞凌650V CoolSiC™ Hybrid IGBT单管
目前,深圳科士达科技股份有限公司已成功导入650V CoolSiC™ Hybrid IGBT单管在其UPS与组串式逆变器的最新平台设计中,优化系统效率,进一步提升系统性能。
点击下方图片查看相关产品新闻👇👇
参考资料
英飞凌650V混合SiC IGBT单管助力户用光伏逆变器提频增效
如何利用英飞凌CoolSiCTM功率器件提升UPS的性能和效率
如何为组串式光伏逆变器选择合适的模块方案
关于英飞凌
英飞凌设计、开发、制造并销售各种半导体和系统解决方案。其业务重点包括汽车电子、工业电子、射频应用、移动终端和基于硬件的安全解决方案等。
英飞凌将业务成功与社会责任结合在一起,致力于让人们的生活更加便利、安全和环保。半导体虽几乎看不到,但它已经成为了我们日常生活中不可或缺的一部分。不论在电力生产、传输还是利用等方面,英飞凌芯片始终发挥着至关重要的作用。此外,它们在保护数据通信,提高道路交通安全性,降低车辆的二氧化碳排放等领域同样功不可没。

