(点击上方图片,了解活动详情)
电力电子科普征文大赛正在进行时!
文章、漫画、视频……
欢迎通过各种形式
分享你的知识,展现你的才华!
我们期待你的参加,
并赢取丰厚奖品!
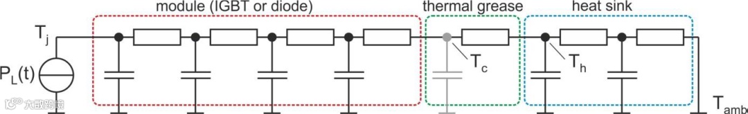
功率器件作为电力电子装置的核心器件,在设计及使用过程中如何保证其可靠运行,一直都是研发工程师最为关心的问题。功率器件除了要考核其电气特性运行在安全工作区以内,还要对器件及系统的热特性进行精确设计,才能既保证器件长期可靠运行,又充分挖掘器件的潜力。而对功率器件及整个系统的热设计,都是以器件及系统的热路模型为基础来建模分析的,本文对IGBT模块的等效热路模型展开基础介绍,所述方法及思路也可用于其他功率器件的热设计。
表征热特性的物理参数有两个:热阻R和热容C,热阻R是反映物体对热量传导的阻碍效果,而热容C则是衡量物质所包含热量的物理量。一般物质上都同时存在热阻和热容两个特性,并且由于热阻和热容特性的同时作用,又产生了瞬态热阻抗Zth的特性。
一般业界有两种等效热路模型来描述功率器件的热特性:连续网络模型和局部网络模型,又称Cauer 模型和Foster模型,或者简称T型模型和π型模型。如图1所示。
(a)连续网络热路模型
(也称Cauer 模型或T型模型)
(b)局部网络热路模型
(也称Foster模型或π型模型)
图1.两种热路模型示意图
如图1(a),Cauer模型的结构比较真实的反应出真实的热阻热容物理结构。如果散热系统中每一层的材料的特性参数都已知时,可以通过理论计算公式来建立这种模型。并且,模块内的每一层(从芯片、芯片的焊接层、绝缘衬底、衬底焊接层、到底板)都有一对R/C参数来对应,因此通过图1(a)中的节点就可以得到每层物质的温度。但对实际系统,在热传递中很难确定热流在每一层中的分布,因此实际建模时一般不使用Cauer模型。
与Cauer模型不同,图1(b)中的Foster模型的R/C参数虽然不再与各材料层相对应,网络节点也没有任何物理意义,但是该模型中的R/C参数很容易从实际测量得到的瞬态热阻抗Zth曲线上拟合提取出来,因此该模型往往用于实际建模、仿真计算芯片的结温。英飞凌IGBT模块的数据手册上就分别给出了IGBT芯片与反并联二极管芯片的Zthjc曲线,以及基于Foster模型回路的四阶参数列表(以热阻ri和时间常数τi对应组合的形式),如图2所示为英飞凌FF600R12ME4模块的瞬态热阻抗曲线。
(a)IGBT瞬态热阻抗曲线
(b)反并联二极管瞬态热阻抗曲线
图2.英飞凌IGBT模块瞬态热阻抗曲线(基于Foster模型,示例:FF600R12ME4)
图2中给出的:
动态热阻曲线可表达为:
如果在动态温升过程中,IGBT模块的芯片损耗P(t)是已知的,IGBT模块底板温度是已知的,则IGBT及二极管芯片的结温均可由以下公式得出:
那么IGBT加散热器的系统建模是用Cauer模型还是Foster模型呢?
用户经常会想避免测量的花费,从而想利用目前已有的IGBT和散热器热参数搭建热路模型图。Cauer热路模型和Foster热路模型都提供描述了IGBT的结到壳与散热器到周围环境的热传递过程。如果要将IGBT和散热器的模型合并在一起,使用哪个模型更适合呢?
Cauer热路模型中的IGBT和散热器:
图3.合并的系统热路模型——Cauer模型
Cauer热路模型中每部分都实际对应各材料层,从而使得热传递过程物理意义清晰,即各材料层是逐层传递热量的。热量流动(类比于电路中的电流)经过一段时间延迟后到达并加热散热器。Cauer热路模型可以通过仿真或者由一个测量的Foster热路模型变换得到。
通过对整个结构的每一层材料分析和有限元建模仿真,很明显可以建立一个Cauer模型。但这只有在包含了某一特定的散热器时才是可能的,因为散热器对IGBT里热量的传递有相互耦合作用的影响,因此也对热响应时间和IGBT的Rthjc有影响。如果实际中的散热器与仿真中用的散热器不一样,那么就不能通过仿真来对实际的散热器进行建模。
在数据手册中一般会给出Foster热路模型的参数,因为这是基于测量得到的结果。可以将Foster热路模型进行数学处理变换为Cauer热路模型,但是这样变换的结果却不是唯一的,因为可以有很多种可能的R/C组合的取值,且变换后新的Cauer热路模型中的R/C值和节点都没有明确的物理意义了。一个变换后得到的不能与其它热路模型对应起来的Cauer热路模型往往会带来各种错误。
Foster热路模型中的IGBT和散热器:
图4.合并的系统热路模型——Foster模型
数据手册里给出的IGBT的Foster热路模型是根据采用某一特定散热器散热时测量得到的。对于风冷的散热器,由于模块中的热流分布广泛,因此在测量时有更好更低的Rthjc。而对于水冷散热器,由于热流分布受限制,因此测量时得到相对更高的Rthjc。英飞凌在数据手册中描述模块特性时,是采用基于水冷散热器的Foster热路模型,即采用了相对不利的散热工作情况来描述模块热特性,因此采用这样的热特性做系统设计时对模块有更高的安全系数。
由于IGBT和散热器的两个热路网络串联,因此注入芯片的功率——类比于图4中的电流——没有延时的立即传到散热器上。因此在最初阶段,结温的上升依赖于采用的散热器的种类,实际上是依赖于散热器的热容量。
然而,风冷系统中散热器的时间常数从几十到几百秒,这远远大于IGBT本身的大约为1s的时间常数。在这种情况下,散热器的温度上升对IGBT温度只有很小程度的影响。而对于水冷系统,这个影响则很大,由于水冷系统的热容量相对低,即时间常数相对较小。因此,对于“非常快”的水冷散热器,例如对IGBT基板直接水冷的系统而言,应该测量IGBT加上散热器的整个系统的Zth。
由于对模块中的热量传递有耦合相互作用的影响,因此无论是在Cauer热路模型还是在Foster热路模型中,只要IGBT和散热器的建模和Zth的测量是彼此独立分开的,IGBT和散热器的连接使用就可能有问题。而要克服这个问题,则要将IGBT模块和散热器做整体热建模或者实测其瞬态热阻抗。一个完全没有问题的IGBT加散热器系统的建模只能通过测量热阻Zthja得到,即同时对通过IGBT的结、导热胶和散热器到环境的整个热量流通路径进行测量。这就是建立整个系统的Foster热路模型,通过这个模型就可以准确地算出结温。
一般散热器厂商会给出一阶的热平衡时间即3倍的值,用一阶分式拟合可表示为公式:
由此得出考虑散热器热阻的IGBT结温计算公式为:
对于散热器热平衡时间为几十秒甚至上百秒的,计算芯片结温Tvj可不用考虑散热器的温升,使用公式(3)即可。如果是系统热平衡时间是几秒级的,需要考虑散热器温升时可使用公式(5)计算。如需更精确的包括接触面导热硅脂的多阶热阻模型,则需要用实验标定曲线Zthja来提取其模型。
关于英飞凌
英飞凌设计、开发、制造并销售各种半导体和系统解决方案。其业务重点包括汽车电子、工业电子、射频应用、移动终端和基于硬件的安全解决方案等。
英飞凌将业务成功与社会责任结合在一起,致力于让人们的生活更加便利、安全和环保。半导体虽几乎看不到,但它已经成为了我们日常生活中不可或缺的一部分。不论在电力生产、传输还是利用等方面,英飞凌芯片始终发挥着至关重要的作用。此外,它们在保护数据通信,提高道路交通安全性,降低车辆的二氧化碳排放等领域同样功不可没。

