(点击上方图片,了解活动详情)
电力电子科普征文大赛正在进行时!
文章、漫画、视频……
欢迎通过各种形式
分享你的知识,展现你的才华!
我们期待你的参加,
并赢取丰厚奖品!
世界上有两种电
👉一种是交流电,
它的方向一会儿正一会儿负
👉一种是直流电,
它的方向从来不变
我们家里插座里的电
就是交流电
电池发出的电
就是直流电
有时候,我们需要把交流电转换成直流电,比如手机充电器,
有时候,我们需要把直流电转换成交流电,比如数据中心的不间断电源,
有时候,我们需要把直流电的电压升高或降低,手机里就有很多升压电路
有时候,我们需要改变交流电的频率和幅值,比如变频空调、变频冰箱。
这些电流交直直交高高低低变换的艺术,
就是电力电子学。
在电力电子学的舞台上
Slay全场的,正是我们功率器件天团,
它们包括但不限于:二极管,MOSFET,IGBT,HEMT,IGCT,GTR…
它们的名字你可能熟悉也可能不熟悉
但它们的作用只有一个:
导通,或者关断电流。
对,就是一个电子开关,
和我们家里墙上的开关也没什么本质不同。
有的功率器件有两个端子,比如二极管
封装好的二极管
二极管的电路符号
它是一个单向车道
电流从阳极向阴极
流畅通无阻
从阴极向阳极流
便是此路不通
因为二极管只有两个端子,所以它的开通和关断是无法自己控制的,电流来了就得收,走了也无法留。
而有的功率器件有三个端子,它们是可控功率器件,不管面对多大的电流,也可以大声的说出我不要。
而可控功率器件天团里的绝对能力者,
非IGBT莫属。
IGBT是一个超级电子开关,它能耐受超高电压。
我们家中插座里的市电交流电电压是220V,而薄如纸张的IGBT芯片能承受的电压最高可达6500V。我们一般家庭里家用电器全部开启最大电流也不会超过30A,而一颗指甲盖大小的IGBT芯片就能流过约200A的电流!
下图是安装在基板上的4个IGBT芯片和4个二极管芯片。
但是,像这样裸露的芯片是不能直接用的。我们需要把芯片再封装到一个外壳里面,外壳中再填充绝缘的材料,把芯片的电极引到外端子上,就形成了能够使用的IGBT产品。
有的外壳里只有一颗IGBT芯片,有的可能会十几颗,二十几颗芯片。于是,就形成了各种各样的IGBT单管和模块。单管封装的IGBT的最大电流在100A左右,IGBT模块的最大额定电流可以达到3600A!
单管
模块
电路图中的IGBT我们一般用下图来表示,G表示门极gate,它用来接收指令。C表示集电极collector,E表示发射极emitter,集电极和发射极用来导通电流。平时IGBT是截止的,一旦门极接收到一个开通指令,电流就会源源不断地从集电极到发射极之间流过。
就好比你家里墙上的开关,按一下,开关闭合,电灯亮起;再按一下,电灯熄灭
当然,操作IGBT,不再是手,而是电子脉冲。
高电平来临时,器件开通;低电平来临时,器件就关断
手动操作开关,可能一秒钟一两次,而我们的电子开关,一秒钟可以开关上万次,几十万次!
这就是我们需要电子开关,
也就是功率器件的原因。
当若干个功率器件组合在一起,它们就可以出道了,这些组合的名字,叫“拓扑”。每个拓扑,都有自己的独门绝技。
4个或6个二极管组成的拓扑,可以把交流电转换成直流电;
单相整流桥
三相整流桥
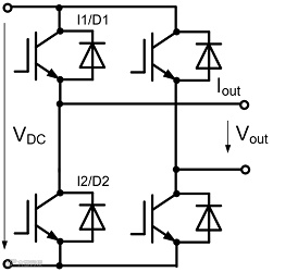
4个或6个IGBT或MOSFET组成的拓扑,可以把直流电转换成交流电;
全桥逆变电路
三相桥逆变电路
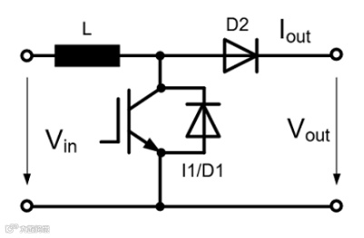
IGBT以及二极管再加上其它被动元件的拓扑,可以把直流电电压升高或降低。
升压电路
降压电路
拓扑好像有点复杂?
没关系,我们可以给他们设计一些logo
👇👇
整流电路
逆变电路
升/降压电路
不论多么复杂多么庞大的用电设备,都是由这些基本的拓扑和元件组成的。
很多时候,在同一个设备中,电能都会经过不止一次变换,比如电动汽车的充电桩。
手机充电器的输出电压一般为5V,而你知道电动汽车的电池电压有多高吗?最高可达750V!
给电池充电只能是直流电,而三相工业电网中流动的是380V交流电(不同于家用电网的220V交流电),那么充电桩是怎么把380V的交流电变成750V的直流电的呢?
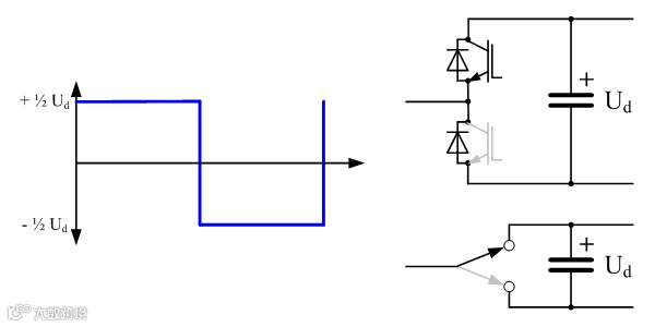
首先380V的交流电会经过一个整流电路,变成约500V的直流电。这时的直流电一来电压不够高,二来电压不能调节,所以还不能直接供给电池充电。
整流得到的直流电进入一个逆变电路,逆变电路就是我们之前介绍过的IGBT,或者MOSFET组成的拓扑。IGBT或MOSFET在门极信号的控制下高速开关,把直流电变成频率极高的交流电。这个交流电是方波,通过调整高电平的占比,就能自如的调节等效电压啦。
高频交流电再进入一个整流电路,最终变成250V~750V的输出电压,给汽车充电。
整个电能变换的拓扑如下图:
看着有些复杂,但换成标志就简单了,就是整流电路+逆变电路+整流电路,像这样:
看,电力电子系统就这么简单,像搭积木把所有的功能搭在一起就可以了,现在你也可以来搭建属于你自己的系统了!
一个小小的充电桩里,电就经过了交流-直流-交流-直流这样复杂的变换历程。其实,在我们身边的用电设备里,小到手机、电脑,大到电动大巴、高铁;从触手可及的冰箱、电视,到你看不见的工厂流水线,电能,都会经历千回百转的变化。这其中电能变换的艺术,就是电力电子学。从一缕阳光或一阵微风,到高压输电线上几万伏的高压,再到手机充电器输出的5V电压,这就是电能的浪漫旅程。
欲知更多信息,请持续关注本号~
关于英飞凌
英飞凌设计、开发、制造并销售各种半导体和系统解决方案。其业务重点包括汽车电子、工业电子、射频应用、移动终端和基于硬件的安全解决方案等。
英飞凌将业务成功与社会责任结合在一起,致力于让人们的生活更加便利、安全和环保。半导体虽几乎看不到,但它已经成为了我们日常生活中不可或缺的一部分。不论在电力生产、传输还是利用等方面,英飞凌芯片始终发挥着至关重要的作用。此外,它们在保护数据通信,提高道路交通安全性,降低车辆的二氧化碳排放等领域同样功不可没。

