本期放送的家电方案属于泛家电领域,包括风机、水泵以及电动工具的方案。这些方案虽属于泛家电应用领域,却与家电应用的系统设计有着异曲同工之处。本次的亮点方案带来了无电解风机设计方案,也是在家电领域普遍关注的技术趋势。
也欢迎大家英飞凌家电生态圈网站的方案页面留言或者点赞您感兴趣的方案,小编将邀请“呼声最高”的方案,来到十月”家电创新直播周“现场,为您深度解析方案的设计思路。
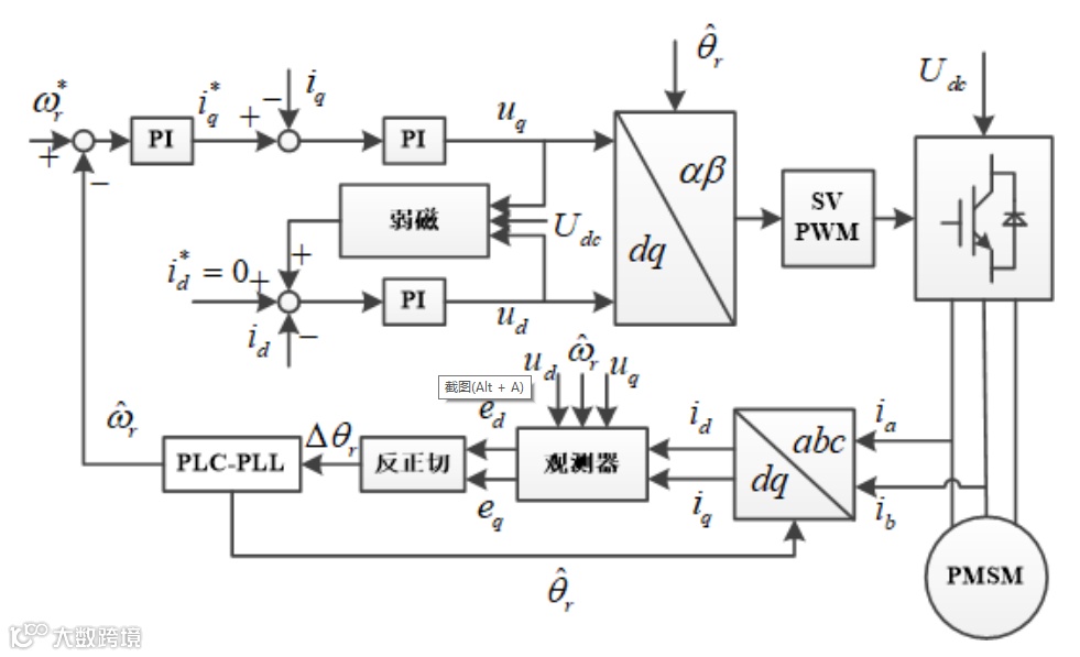
风机/水泵/电动工具专场
三相无电解风机设计方案
(专家创新点赞方案)
专家解读
该方案采用了三相无电解电容的方案,应用在中央空调室外EC风机中。通过使用无电解电容的设计,有效的减小控制板的尺寸,实现了成本的进一步优化。同时,通过采用无位置传感器闭环启动技术,可以实现电机快速启动。而通过使用英飞凌CIPOS™ Maxi 1200V IPM (IM818-MCC) 模块和EasyPIM™ 2B 1200V, 35A IGBT模块, 更好地支持变载频功能,提高运行效率, 实现高效驱动。
方案框图
技术参数
技术参数
下述专家点赞方案不容错过
新风净化系解决方案
三相无电解风机设计方案 (专家创新点赞方案)
风机变频控制设计方案
紧凑型全直流变频控制器设计方案
750W-2000W循环泵设计方案
1.5kW鱼塘增氧机设计方案(专家创新点赞方案)
3kW高压无刷角磨机设计方案
2-4kW高压无刷角磨机设计方案 (专家创新点赞方案)
1.2kW角磨机机设计方案
还想了解以上方案的更多细节
请扫描下面二维码
登录英飞凌家电生态圈网站
一探究竟👇👇
剧透的分割线又又来了
10月20-21日,中国家电电控方案创新直播周即将开启。
10月20日的直播间,来自杭州洲矩电子科技有限公司技术总监杨阳博士将现场连线直播间,深度解析大功率无电解变频风机驱动方案中的设计挑战以及解决之道,实时回答线上问题。
10月21日下午2点,深圳绿威科技有限公司总经理李保华将亲临直播间,现场演示深圳绿威的电动工具的与众不同,讲述绿威如何通过技术创新解决例如启动抖动等常见设计问题,以及背后的故事,绝对震撼,不容错过!
报名通道即将开启,大家敬请期待!
更多详情,欢迎点击文末“阅读原文”,持续关注英飞凌家电生态圈网站!
关于英飞凌
英飞凌设计、开发、制造并销售各种半导体和系统解决方案。其业务重点包括汽车电子、工业电子、射频应用、移动终端和基于硬件的安全解决方案等。
英飞凌将业务成功与社会责任结合在一起,致力于让人们的生活更加便利、安全和环保。半导体虽几乎看不到,但它已经成为了我们日常生活中不可或缺的一部分。不论在电力生产、传输还是利用等方面,英飞凌芯片始终发挥着至关重要的作用。此外,它们在保护数据通信,提高道路交通安全性,降低车辆的二氧化碳排放等领域同样功不可没。
点文末“阅读原文”,更多精彩内容,等你发现!

