在IGBT驱动电路中有时会用到钳位电路,其主要目的是为了保护IGBT器件,避免运行参数超过集电极或者门极的极限参数,今天我们总结一下Vce以及Vge钳位电路设计使用注意事项。
Vce钳位电路
Vce钳位电路目的是为了避免在大电流、短路、低温等特殊工况时,Vce之间的尖峰电压超过器件可以耐受的最大值,该电路的基本结构如下图所示。该电路由于设计简单而且能起到立杆见影的效果,被很多设计者采用。
图一 有源钳位电路示意图
其钳位电压的选择可以采用以下公式:
其中:
Vmax为电路设计中允许的Vce电压最大值, 应考虑器件阻断电压以及余量
Vz为钳位二极管的额定电压
aT为温漂系数,通常为0.1%,具体的数值需要查阅所选择器件的数据手册
Tj为器件实际的工作温度
Tv为器件钳位电压值的容差,比如有5%或者10%,具体值查阅器件数据手册
Vce peak为器件阻断电压
但是,对于该电路也存在两种截然不同的观点,一种观点认为,由于钳位二极管容差以及温漂影响很大,其实际运行时开启的电压值变化幅度大,导致钳位电压值不固定,因此在实际设计中不采用;另一种观点认为,这种电路实现比较简单,即使二极管特性不是很稳定但是适当增加冗余或者采用多个钳位电压较低的二极管串联,也可以达到减小钳位二极管容差的目的,从而使钳位电压值偏差相对减小。两种设计思路各有利弊,你会考虑哪种呢,欢迎大家发表各自的见解。详细工作原理也可参照微信文章链接👉如何抑制IGBT集电极过压尖峰
Vge钳位电路
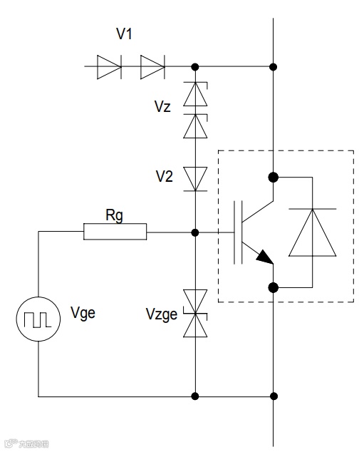
在IGBT驱动电路设计中,可以采用三种方式来控制Vge之间的电压在器件允许的范围内。
第一种如图二中VDZ,GE之间采用双向钳位二极管;
第二种将门极通过快速二极管连接到驱动电源(如图二中VD2);
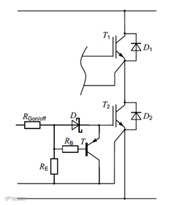
第三种是在GE之间采用三极管把门极电压下拉到发射极(如图三)。
图二 Vge通过快速二极管连接到驱动电源
图三 Vge通过米勒钳位电路避免直通
首先看GE之间采用双向钳位二极管。这种电路可以有效地降低Vge电压尖峰,以确保Vge的电压在特定场合比如短路中,保持在设计者期望的电压水平。但是在多年的实际应用实践中,笔者发现双向二极管在长时间运行后会发生单向击穿,出现单边失效呈现短路状态,请大家在设计使用中特别留意。
第二种设计是在Vge电路中通过肖特基二极管连接到驱动的正电源,如上图二的二极管VD2。这种电路其实是前面第一种电路的简化设计,由于电路的工作特点,驱动回路中的负电压比较稳定,可以通过电源设计解决,而正电压在dudt发生变化时会通过米勒电容的电流抬升门极电压,因此需要钳位电路把门极正电压钳在合适的位置,比如+15V的驱动电源。在选择二极管时考虑40V的耐压即可,另外在封装允许的条件下尽可能选择平均电流稍大的器件,这样在实际应用中压降小更容易使电压钳位在接近正电源的水平,同时在布线时该二极管要靠近门极。
第三种电路又叫米勒钳位,主要是用在门极关断电压是0V的情况,常用于一些小功率场合。在对管开通时,dudt的变化会抬高处于关闭状态的另一个IGBT的门极电压,这种情况在某些条件下会导致处于串联的IGBT器件同时开通,从而导致短路。为了避免这个情况可以采用图三所示的Rb+T电路,在IGBT处于关断状态时,Vge电压处于低电平,比如0V,因此三极管T处于开通状态。在布线时确保三极管放在靠近IGBT门极的位置,以确保IGBT的门极电压水平处于下拉水平,从而为米勒电流提供了一条低阻回路,避免门极电压水平受到米勒电流的影响而抬高电压,导致IGBT误导通。详细的测试波形请参看链接👉IGBT门极驱动到底要不要负压
小结一下
1.给出Vce有源钳位电路二极管选型的计算参考,但是是否选用该电路取决于设计者的设计倾向以及风险评估。
2.Vge钳位电路有以下三种:
❖
采用双向钳位二极管,但是使用中会出现单边失效问题,谨慎采用;
❖
通过肖特基二极管连接门极+15v到电源正极,达到钳位的作用;
❖
在门极关断电压是0V时,通过三极管在门极和集电极之间设置低阻回路,避免米勒电压引起的寄生导通。
参考阅读
如何选取SiC MOSFET的Vgs门极电压及其影响
如何计算驱动芯片的desat保护时间
无磁芯变压器(CT)隔离驱动芯片技术优势及产品系列
扫描上方二维码
欢迎关注微信公众号
【英飞凌工业半导体】

