新品
1500V光伏双面组件
MPPT模块
该功率模块是为1500V直流电压的太阳能应用而开发的,与双面光伏组件兼容,功率为500W+。
每个模块都配备了3路MPPT,每路MPPT的输入电流可达到30A。
产品规格:
FS3L200R10W3S7F_B94 200A 950V
FS3L200R10W3S7F_B94是采用200A 950V IGBT7 S7和SiC二极管的Dual-Boost Easy3B模块。
该功率模块是为1500V直流电压的太阳能应用而开发的,与双面光伏组件兼容,功率为500W+。
每个模块都配备了3路MPPT,每路MPPT的输入电流可达到30A。
模块带高效率和坚固的旁路二极管,保护免受雷击。此外,由于12毫米的相同封装高度,设计者可以轻松灵活地将Easy 1B、2B和3B结合起来,用于MPPT和逆变器。
产品特点
CoolSiC™肖特基二极管
950V TRENCHSTOP™ IGBT7 S7
坚固的旁路二极管
与500W以上功率的双面光伏组件兼容的双升压拓扑结构
应用价值
得益于IGBT7和碳化硅的高效率
强大的抗雷击能力
每个MPPT的输入电流高达30A完全支持1500VDC系统
与F3L400R10W3S7F_B11和F3L400R10W3S7_B11一起,它为1500V三相光伏组串逆变器提供了整体解决方案
应用领域
太阳能系统中MPPT
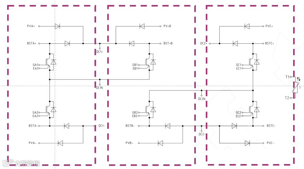
产品框图
扫描下方二维码,
即可查看产品详细资料~
👇👇
如果您对上文中的产品(推文代码:2022NPI12)感兴趣,需要英飞凌销售团队或代理商联系您,请点击文末“阅读原文”填写表格。
想获取数据手册,
可在公众号菜单栏中搜索~
👇👇
扫描上方二维码关注我们
点击文末“阅读原文”,
即可填写表格联系我们~

