先说结论,如果条件允许还是很建议使用负压作为IGBT关断的。但是从成本和设计的复杂度来说,很多工程师客户希望不要使用负压。下面我们从门极寄生导通现象来看这个问题。
IGBT是一个受门极电压控制开关的器件,只有门极电压超过阈值才能开通。工作时常被看成一个高速开关,在实际使用中会产生很高的电压变化dv/dt和电流变化di/dt。电压变化Dv/dt通过米勒电容CCG电容产生分布电流灌入门极,使门极电压抬升,可能导致原本处于关断状态的IGBT开通,如图1所示。电流变化di/dt可以通过发射极和驱动回路共用的电感产生电压,影响门极,如图2。
图1.米勒导通
图2.发射极引线电感带来的感生电动势
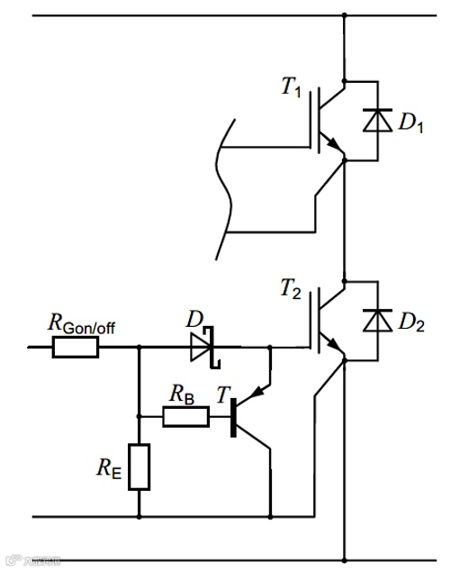
应对米勒电流引起的误导通,目前普遍的方法是用米勒钳位,既在某个器件不需要开通的时候给予一个低阻抗回路到电源参考地。如图3,在IGBT处于关断的时候,晶体管T受控导通,以实现门极GE之间低阻状态。
图3.米勒钳位
对于电流变化di/dt作用于门极的情况,因为门极回路里包含有电感和G、E之间的电容,将构成一个二阶电路。一般正常情况下,门极电阻Rg>2√(L⁄C)。但是如果这时候使用了第一种方案中的米勒钳位电路,那么会形成一个低阻尼的二阶回路,从而是门极的电压被抬得更高。
我们用图4的波形来说明门极产生的寄生电压现象。仿真在半桥电路下进行,其中绿色的第4通道,红色的第2通道以及蓝色的第3通道分别是开通IGBT的门极电压、IC电流以及VCE电压。而黄色的第1通道是同一桥臂上对管的门极电压,可以看到有两个正向的包和一个负向的坑。其中第1个包和第1个坑就是由于发射极的电感引起的,在时序正好对应了两次电流的变化。而第2个包则是由dvCE/dt带来的寄生影响,可以通过米勒钳位来抑制,也可以用关断负压解决。但对于前两个尖峰,用米勒钳位效可能会使峰值更高。图5(a)和(b)分别是无米勒钳位和有米勒钳位的波形,从橘色的波形表现来看,用米勒钳位对解决米勒导通非常有效,但对寄生电感引起的门极电压尖峰则效果不佳。特别是第2个向下的峰值很重要,我们接着分析。
图4.实测门极寄生电压
图5(a) 无miller钳位
图5(b) 使用miller钳位
由于受模块内部发射极绑定线的影响,上面的测量都是在外部端子上的,内部G、E上到底如何呢?我们将借助仿真来展现。图6和图7分别是仿真电路测试点和测得的内部电压波形。可以看见内部门极电容上的电压和外部测得的刚好是相反的。之前那个向下的尖峰才是真正会带来门极电压提高的关键!
图6.仿真电路
图7.仿真波形
那加上米勒钳位功能后效果怎么样呢?请参考图8,实线是用了miller功能的,虚线是没有用miller功能的,峰值更大,增加了寄生导通的风险。看来米勒钳位无法解决di/dt引起的寄生导通问题。这种情况下,只能仰仗负压关断,或者增大Rg来放慢di/dt了。
图8.米勒钳位使用与否的仿真对比
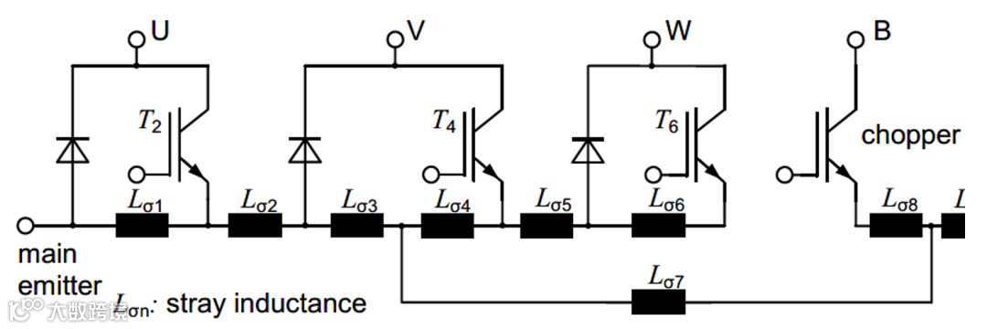
在实际产品中,特别是小功率的三相桥模块产品,基本发射极都不是Kelvin结构,连接结构复杂,如图9所示,非常容易出现di/dt引起的寄生导通现象。好在这种小模块使用的时候都会加上不小的门极电阻,从而限制了开关斜率。而大功率模块一般都会有辅助Emitter脚,驱动回路里不会出现大电流叠加。
图9.实际三相桥模块的内部电感分布示意图
总结一下,对于米勒电流引起的寄生导通,在0V关断的情况下,可以使用米勒钳位来抑制。当出现非米勒电流引起的寄生导通时,如果不想减慢开关速度增加损耗的话,加个负压会是一个极其便利的手段。
参考阅读
无磁芯变压器(CT)隔离驱动芯片技术优势及产品系列
一文弄懂IGBT驱动
怎么理解驱动芯片的驱动电流能力
扫描上方二维码关注我们

