新品
CIPOS™ Tiny 600V,15A的
三相IGBT智能功率模块
CIPOS™ Tiny 600V,15A的三相IGBT智能功率模块具有优化的性能和紧凑的封装,可用于额定功率达1.5HP的逆变器
产品规格:IM323系列的新成员是专门为家用空调和家用电器应用设计的
CIPOS™ Tiny 600V,15A的三相IGBT智能功率模块具有优化的性能和紧凑的封装,可用于额定功率达1.5HP的逆变器。IM323系列的新成员是专门为家用空调和家用电器应用设计的。
高能效的CIPOS™ Tiny是一个先进的IPM(智能功率模块)系列,产品开发理念侧重于更高的模块效率和长期可靠性。
先进的沟槽栅IGBT技术和优化的封装设计的综合优势使我们能够实现一流的效率和更高的可靠性,同时最大限度地减少系统尺寸和成本。将分立的功率半导体和驱动器集成到一个封装中,使设计者能够减少设计的时间和精力。
显著缩短上市时间。
产品特点
TRENCHSTOP™ RC-D2逆导型IGBT
SOI三相栅极驱动器
工作范围为1至20kHz
RC-D2的最大结温为175°C
短路能力最小为3µs
封装DIP32.8x18.8毫米
引脚兼容的解决方案
RAC压缩机的应用高达1.5hp
应用价值
经过验证并增强了封装坚固性,具有很高的可靠性
完整的英飞凌内部前道和后道生产线,确保供应安全性
最新的IGBT芯片和栅极驱动器技术,实现最佳性能
为快速上市而设计
市场优势
经过验证并增强了封装的坚固性,具有很高的可靠性
完整的内部生产前端和后端,确保供应安全性
最新的IGBT和栅极驱动器技术实现了最佳性能
易于设计,加快了上市时间
应用领域
家用电器
工业电机驱动和控制
住宅空调——电机、系统控制和监测
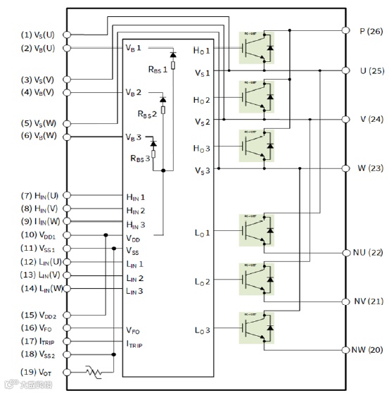
产品框图
扫描下方二维码,
即可查看产品详细资料~
👇👇
如果您对上文中的产品(推文代码:2022NPI11)感兴趣,需要英飞凌销售团队或代理商联系您,请点击文末“阅读原文”填写表格。
想获取数据手册,
可在公众号菜单栏中搜索~
👇👇
扫描上方二维码关注我们
点击文末“阅读原文”,
即可填写表格联系我们~

