逆变器输出特性与非线性负载
摘要
六期连载,解读UPS标准,研究线路阻抗对整流电容滤波这类非线性负载的影响,同时讨论针对整流电容滤波这类非线性负载逆变器输出特性的设计对策和测试方法。
前几讲的讨论是为了解决整流电容滤波电路的设计问题,发现如果滤波电感比较小的话,波形系数就比较大,有效值高于平均值的3倍以上,而峰值电流更是非常大。这样的负载对电网不友好,接在逆变器输出,对容量有限的逆变器是个挑战。所以我们需要研究一下逆变器的设计策略和测试评估方法。
单相整流电路的电容滤波负载分析
开机冲击电流
对于单相整流电路的电容滤波负载开机的时候,由于电容中没有储存能量,电压为零,所以第一个周期会出现一个大的浪涌电流,这对整流电路的电流应力和电网的冲击都很大,在通用变频器设计中一般会有个直流母线电容的预充电电路,有些整流电路设计可以用负温度系数的电阻抑制开机冲击电流,难免有不少设计对开机冲击电流抑制不力。
电流峰值
第五讲《整流电容滤波负载实例》中分析了一个类空调的单相全桥整流电路,其平均功率在700瓦水平,电容取值1500uf,当滤波电感为1mH时,二极管上峰值电流高达15.4A,比平均电流1.2A高12倍。这样的输入特性功率因数低,谐波电流大,对电网非常不友好,不能满足GB17625.1低压电气及电子设备发出的谐波电流限值(设备每相输入电流≤16A)要求。
这样的冲击电流和峰值电流,往往会超过逆变器150%的超载能力,也会超过逆变器功率开关IGBT的反向工作安全区,即两倍的器件标称电流。
逆变器的设计策略
从一般的分析中知道,增加线路阻抗,能有效降低冲击电流和峰值电流。由于电感上的电流不能突变,串接电感是个好方法。但对于逆变器来说,还可以从源头解决问题,即通过控制环的参数设置来降低冲击电流。
UPS应用中这一问题最突出,尤其单相无输出变压器的高频机,它们面对的负载是台式PC机或服务器,开机冲击电流大,不带PFC;早年的CRT显示器有消磁线圈,用正温度系数的电阻人为造成开机冲击消磁电流。面对很严酷的工况,UPS厂商找到了一种合理的解决方案,并制定的标准。方法就是降低UPS中逆变器的瞬态相应,把输出特性做软,避免输出大电流。
这就是IEC62040-3:1999《不间断电源设备第3部分:确定性能的方法和试验要求》中的5.3.1规定的稳态和动态输出电压特性。在标准里定义了三类动态输出性能。
逆变器的瞬态响应
最严的一类动态输出性能,规定了在UPS在负载突变的情况下,输出电压允许有30%的跌落和过冲,但5秒后必须进入电压恢复阶段,20毫秒(50Hz系统的一个周期)内恢复到+/-14%,100毫秒内恢复稳态+/-10%。这样的特性已经有助于降低冲击电流和电流峰值。但正弦电压可能有削峰的现象,一般不影响负载正常工作。
图1.一类动态输出性能
二类动态输出性能特性很软,在大的冲击电流下,输出降到零,以最大程度降低负载对UPS中逆变器的冲击,这种短时间的断电对整流滤波负载几乎没有什么太大影响。
图2.二类动态输出性能
三类动态输出性能是为后备式UPS定义的,由于后备式有电网和逆变器之间的切换时间和逆变器的启动时间。10毫秒的停电,大多数的开关电源可以接受,但用于照明已经可以感受到明显的间断。
图3.三类动态输出性能
逆变器的基准非线性负载
我们定义的UPS输出瞬态响应特性,那就需要有测试方法,IEC62040-3除了在正文中规定了阶跃性负载外,标准还有规范性附录《准非线性负载》,这是我们讨论的整流电容滤波负载很好的参考。
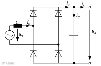
为了模拟一个单相稳态整流/电容器负载,接到UPS的负载是一个二极管整流桥。桥的输出侧接有一个电容器、电阻并联电路。总的单相负载可按下图连接的单个负载,或多个等效并联负载构成。
基准非线性负载
负载配置计算方法
U:UPS的额定输出电压,方均根值
f:UPS输出频率
Uc:整流电压
S:线性负载两端的表观功率---功率因数0.7,即表观功率S的70%将以有功功率消耗在R1和Rs上。
R1:电阻,设定其消耗有功功率为总表观功率S的66%。
Rs:串联的线性电阻,设定其消耗有功功率为总表观功率S的4%。
按照电容器电压Uc的5%峰谷值纹波电压,相应的时间常数为R1×C=7.5/f。
根据峰值电压,电网电压畸变,电网电缆压降和整流电压的纹波,整流电压平均值Uc按经验应为:
Uc=√2×0.92×0.96×0.975×U=1.22×U
电阻Rs、R1和电容C(单位:F)的值按下述计算:
Rs=0.04×U²/S
R1=Uc²/(0.66×S)
C=7.5/(f×R1)
试验方法
基准非线性负载与UPS的连接
(a) 对于33kVA以下的单相UPS,所用基准非线性负载的表观功率S等于UPS的额定表观功率。
(b) 额定值在33kVA以上的单相UPS,使用表观功率为33kVA的基准非线性负载,再加上线性负载,使之达到UPS的额定表观功率和额定有功功率。
(c) 设计用于三相负载,额定值在100kVA以下的三相UPS,应将三个相等的单相基准非线性负载接到UPS相间或线间。
(d) 额定值在100kVA以上的三相UPS,根据C)款,应使用100kVA的基准非线性负载,再加上线性负载,使之达到UPS额定表观功率和额定有功功率。
实例
为1000VA UPS设计一个非线性负载:
Uc=√2×0.92×0.96×0.975×U=1.22×U=1.22*220=268V
那么:
R1=Uc²/(0.66×S)=268²/(0.66*1000)=109 ohm
Rs=0.04×U²/S=0.04x220²/1000=1.9ohm
考虑实验条件:
R1=121 ohm
那么:
C=7.5/(50×121)=1240 uf
考虑实验条件:
C=1210 uf
仿真
对于整流滤波负载,如果没有电感的话,二极管峰值电流会很大,设线路阻性阻抗0.1欧姆,峰值电流超过30A,对电容充电时间只有1.29毫秒,占半周期的12.9%,这样高次谐波电流很大,功率因数很低。从实际负载消耗的有功功率仅746W,而视在功率是1687VA,功率因数为0.44。
2欧姆线路阻抗是基准非线性负载规定值,峰值电流也高达13A,但实际负载消耗的有功功率仅660W,而视在功率是992VA,功率因数为0.67。
市电校正
把这一基准非线性负载接到220V市电上去,由于线路实际存在阻性阻抗,没有串联2欧姆的Rs。实际测到峰值电流Ipk=22.5A,有效值电流为6.1A。
这时视在功率1381VA,有功功率684W,功率因数为0.5。
逆变器负载
把这一负载接到1kVA在线式UPS上去,由于UPS输出特性比较软,绿色的电压波形有削顶,抑制的峰值电流(红色)到Ipk=16.5A,有效值电流6.0A,见下测试波形。
结论
本文是从另外一个角度看整流滤波负载的二极管电流,了解线路阻抗对峰值电流等的影响,并做了一个视在功率为1000W的基准非线性负载作为实际案例与仿真结果进行对照。
要降低整流二极管上的峰值电流,提高整流电路的功率因数,使用滤波电抗器是最合理的方法,这可以有效降低二极管的电流应力,提高系统可靠性,这在通用变频器等系统设计中要考虑。
END
欢迎关注微信公众号
【英飞凌工业半导体】

