提到软开关技术,大家耳熟能详的有零电压开通ZVS(Zero voltage switching) 和零电流关断ZCS(Zero current switching),同时,尤其是在现在的电源产品中,绝大多数的采用软开关拓扑的电源产品都选择了ZVS,而不是ZCS,所以,Si MOSFET和SiC MOSFET一直是很多同学提到ZVS时想到的主要功率器件搭档,而不是IGBT。
今天我就来唠一唠IGBT在软开关拓扑中的应用,IGBT是否能用于ZVS以及IGBT是否更适用于ZCS。
长期以来,IGBT给人的印象就如农家朴实低调的老大哥,少有抛头露脸,而MOSFET则宛如古灵精怪的小妹,处处都能见到。不过这也不足为怪,结合IGBT技术的升级迭代发展史(可以参考文章“英飞凌IGBT芯片简史”),从史前时代的穿通(NPT)型IGBT,到初代盟主非穿通(NPT)型IGBT,最为人诟病的就是其拖尾电流,如图一,作为双极性器件,IGBT关断时IGBT少子复合会产生拖尾电流,而且拖尾电流持续时间可以达到us级,而此时CE电端电压已经上升到额定工作电压,导致IGBT的关断损耗比较大,所以,为了降低IGBT的关断损耗,通常建议IGBT采用零电流关断ZCS,这样IGBT的关断损耗近似零,所以,在这个历史时间点,这个建议是没毛病的。
图一 IGBT的拖尾电流
但是,IGBT技术也一直在进步,沟槽栅-场终止(Trench FS)型IGBT的出现,从平面栅变为沟槽栅,增加了电场终止层,保持了IGBT载流子浓度均匀分布,如图二,尽可能的降低了通态损耗,同时,关断时形成拖尾电流的载流子数量也越来越少,甚至几乎没有拖尾电流,持续时间也仅为ns级,表现出硬关断(snappy turn-off)特性,也就是说IGBT的关断损耗中拖尾电流导致的损耗占比也急剧降低。
图二 不同IGBT技术中载流子浓度分配
至此,可以肯定的讲,IGBT也是可以用于ZVS的,而且还得到了广泛应用。2006年,Pavlovsky在IEEE发表了一篇论文[1],在一台50KW的测试平台上,得到了IGBT在ZVS,准ZCS条件下的损耗以及效率,最高效率达到了97%。
图三 50 KW test ZVS, Quasi-ZCS converter
以大家熟知的感应加热应用为例,比如电磁炉,无论是单端的拓扑还是半桥拓扑,都采用了ZVS的软开关控制,从图六的IGBT驱动电压VGE, 集电极-发射极电压VCE以及电流ICE波形可以明确的看到,在VGE变为高电平之前,VCE已经提前降低到IGBT的体二极管正向导通压降,这是典型的零电压开通ZVS,并且IGBT开通之前,ICE电流是反向的,这都是开关管实现ZVS的必要条件。
作为功率半导体行业的重要一员,英飞凌的可以用于感应加热的明星IGBT型号有IHW20N135R5 (单端),和IHW40N65R6(半桥),英飞凌官网上也有一块半桥拓扑的感应加热评估板,EVAL-IHW65R62EDS06J,感兴趣的同学可以去溜达看看。
图四 电磁炉典型应用场景
图五 单端电磁炉拓扑(并联谐振)
图六 单端电磁炉IGBT的VGE 、VCE 、ICE
(并联谐振)
图七 英飞凌感应加热评估板
EVAL-IHW65R62EDS06J
图八 半桥感应加热评估板IGBT的
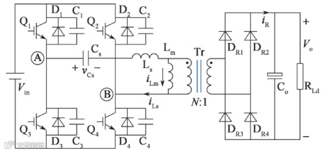
当然,IGBT能应用的ZVS拓扑怎么能少的了LLC呢,IGBT不光可以用于LLC拓扑,还同样能实现大功率的输出,各位可以找找2021年中车时代电气工程师张小勇发表的论文[2],“LLC谐振变换器中IGBT的死区时间分析及优化设计”,采用IGBT搭建了60KW的LLC变换器,如图九和图十,解决了IGBT输出电容的非线性变化导致的死区时间设置困难的问题,有助于推动LLC谐振软开关技术在大功率变流器中实现广泛应用。
图九 LLC拓扑
图十 LLC变换器稳态工作波形
另外,也有声音说,IGBT的开通、关断太慢,只适合低频比如20kHz左右的开关频率,各位,如果真那么想,你就out了,英飞凌的第5代IGBT甚至可以支持高达100kHz的开关频率,比如IKW40N65F5,欲知详情,请点击文末“阅读原文”登陆英飞凌官网。
参考文献
[1]. M. Pavlovsky;S.W.H. de Haan;J.A. Ferreira,“Evaluation_of_IGBT_modules_and_their_suitability_for_ZVS_quasi-ZCS_converter_topologies”Twenty-First Annual IEEE Applied Power Electronics Conference and Exposition, 2006. APEC '06.
[2]. 张小勇, 张庆, 饶沛南, 等,LLC谐振变换器中IGBT的死区时间分析及优化设计[J],机车电传动,2021,3:113-117.
扫描上方二维码
欢迎关注微信公众号
【英飞凌工业半导体】
点击文末“阅读原文”,
登陆英飞凌官网了解更多信息~

