原文发表于2022中国电力电子与能量转换大会(CPEEC 2022)暨中国电源学会第二十五届学术年会(CPSSC 2022)论文集
摘 要
EconoDUAL™3是一款经典的IGBT模块封装,其上一代的1700V系列产品已经广泛应用于级联型中高压变频器、静止无功发生器(SVG)和风电变流器,覆盖了中功率和一部分大功率的应用场合。随着芯片技术的发展和市场对高功率密度IGBT模块的需求增加,英飞凌已经基于最新的1700V IGBT7技术开发了新一代的EconoDUAL™3模块,并率先推出了900A和750A两款新产品。本文首先分析了上一代最大电流等级600A的产品FF600R17ME4[1]在MVD和SVG中的典型应用,然后介绍了1700V IGBT7的芯片特性和EconoDULA™3模块的性能优化。通过与FF600R17ME4对比,分析了900A和750A的产品优势。最后,针对级联高压变频器和静止无功发生器的应用场景,通过仿真对比,阐明了新一代IGBT产品在输出能力和功率损耗等方面为系统带来的价值。
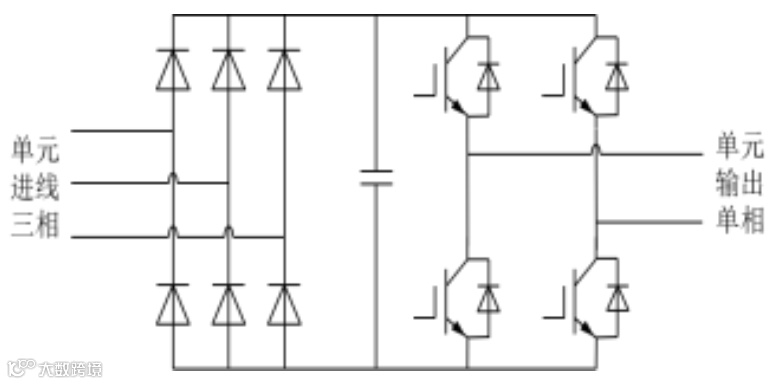
级联型H桥(Cascaded H-bridge, CHB)拓扑结构简单,扩展灵活,目前已经在中高压级联型变频器(以下简称MVD)和静止无功发生器(以下简称SVG)中获得了广泛应用,这两种设备的功率单元拓扑图如图1所示。在工业应用中,电机作为风机、泵、压缩机、皮带机、提升机、破碎机和球磨机等各种机械设备的驱动装置,其耗电量约占中国整个工业电耗的60%以上。采用MVD与生产工艺相结合,可以显著的降低电机能耗。SVG主要应用于提升电网的输电容量及稳定暂态电压,也可实现输配电网、风电和光伏、电弧炉/轧钢机、矿山、石化、煤矿、港口等行业的功率因数控制、母线电压闪变抑制及补偿不平衡负荷、滤除负荷谐波电流,达到提高电能质量,节约用电的目的。
英飞凌的上一代1700V EconoDUAL™3 IGBT4包含225A、300A、450A和600A 4个电流等级,如图2所示,通过每相采用单个模块和两个模块并联,基本可以覆盖6kV-10kV MVD的中等功率范围和一部分大功率范围、10kV-35kV SVG的中等容量范围。对于大功率MVD和大容量SVG,现有的1700V IGBT有两种解决方案,一种是增加EconoDUAL™3模块的并联数量,比如采用600A模块FF600R17ME4 3并联或者4并联。另一种是采用其他封装的大电流IGBT模块,比如1000A模块FF1000R17IE4或者1400A模块FF1400R17IP4,这样既可以增加系统的容量,又可以减少模块的并联数量,略有不足之处是增加了模块的封装种类,功率单元需要根据模块的结构重新调整,不利于产品的平台化设计。
为了进一步提升EconoDUAL™3模块的性能,英飞凌开发了新一代的1700V IGBT7芯片和EC7二极管芯片,已经推出了750A FF750R17ME7D[2]和900A FF900R17ME7[3]两款新产品,其电流密度分别比FF600R17ME4提升了25%和50%。其中900A是业内1700V EconoDUAL™3已量产产品的最大电流等级。FF750R17ME7D对二极管性能进行了增强,电流升级到了1200A,在负功率因数应用中,比如双馈风力发电机电机侧变流器[4],它可以降低二极管的结温波动,增加器件的功率循环寿命。
a.MVD
b.SVG
图1.MVD和SVG的功率单元拓扑图
图2.EconoDUAL™3 IGBT模块
1
FF600R17ME4在MVD和SVG中的应用分析
在MVD和SVG应用中,IGBT的开关频率比较低,所以IGBT的开关损耗在器件总损耗中的占比也比较低。下面以表1中MVD和SVG风冷功率单元的典型额定工作参数为例,用Plecs仿真软件分析了FF600R17ME4的功率损耗和结温,结果如图3所示。MVD的功率因数接近1,IGBT的导通损耗和开关损耗之和远高于二极管,所以IGBT的结温最高,为122.3℃。此外,IGBT的导通损耗约占其总损耗(导通损耗+开关损耗)的73%。SVG的功率因数为0,二极管的导通损耗和IGBT的导通损耗接近,占各自总损耗的60%和72%。二极管的开关损耗比IGBT的低,所以二极管的总损耗比IGBT略低。由于二极管的结壳热阻比IGBT高,所以二极管的结温最高,为119.9℃。在MVD和SVG中,IGBT的导通损耗约占IGBT和二极管总损耗的56.5%和32.6%,所以采用具有更低饱和压降的IGBT7可以降低器件的总损耗,提升器件的输出能力。下文将进一步研究1700V IGBT7在MVD和SVG中的应用价值。对于MVD,主要对比FF600R17ME4和FF900R17ME7。对于SVG,分析FF600R17ME4,FF750R17ME7D和FF900R17ME7这三款产品。
可左右滑动进行查看
图3.FF600R17ME4的功率损耗和结温-工作参数参考表1
表1.MVD和SVG功率单元的额定工况
2
1700V IGBT7 芯片技术
2.1
IGBT7芯片介绍
IGBT7芯片技术首先应用于1200V的小功率IGBT,后来逐步扩展到1200V的中功率和大功率IGBT,其主要应用为电机控制类的变频器,比如通用变频器、伺服驱动器和电动汽车主驱逆变器。为了提升1700V IGBT模块的电流密度,英飞凌专门开发了1700V的IGBT7芯片[4],并首先应用于EconoDUAL™3封装。IGBT7芯片技术采用了微沟槽(micro-pattern trench,简称MPT)结构,以解决芯片电流密度增加面临的挑战,MPT结构的简化示意图如图4所示。将台面(mesa)的宽度降至亚微米级别,可以增加载流子限制,从而实现更低的饱和压降。此外,通过调整栅极沟槽、发射极沟槽和有源沟槽的接触方案,可以同时优化芯片的开关特性、开关损耗和门极电荷。1700V的二极管芯片EC7(emitter controlled,发射极控制)融合了1200V EC4和1700V EC5二极管的设计理念,旨在实现更高的电流密度和更优的性能折衷,并维持在不同应用条件下运行所需的鲁棒性。
图4.MPT单元,中心是有源沟道,左上是具有无源台面(mesa)的栅极沟槽,左下是发射极沟槽
图5是FF600R17ME4,FF750R17ME7D和FF900R17ME7在25℃和150℃结温的输出特性曲线。由于IGBT7采用了微沟槽结构和载流子限制,它的饱和压降显著降低。以FF600R17ME4的标称电流600A为基准,对比这三种器件在150℃的饱和压降,FF600R17ME4为2.45V。FF750R17ME7D为1.81V,比FF600R17ME4低0.64V,大约26.1%。FF900R17ME7为1.65V,比FF600R17ME4低0.8V,大约32.6%。更公平合理的比较是基于器件各自的标称电流,此时FF750R17ME7D和FF900R17ME7D的饱和压降均为2.05V,比FF600R17ME4低0.4V,大约16.3%。因此,IGBT7可以明显的降低IGBT的导通损耗。
图5.IGBT4和IGBT7的导通特性曲线,图表上方的数值为三种器件的Vce值,条件为:Ic=600A,Vge=+15V,Tvj=150℃
图6是三种器件二极管的正向特性曲线,结温分别为25℃和150℃。当电流为600A时,FF600R17ME4的正向压降为1.95V。FF750R17ME7D为1.63V,比FF600R17ME4低0.32V,大约16.4%。FF900R17ME7为1.88V,比FF600R17ME4低0.07V,大约3.6%。因为FF750R17ME7D的二极管电流为1200A,所以它比FF900R17ME7的压降更低。当基于器件各自的标称电流时,FF750R17ME7D的正向压降为1.8V,比FF600R17ME4低0.15V,大约7.7%。FF900R17ME7为2.2V,比FF600R17ME4高0.25V,大约12.8%。当电流大约超过300A时,FF600R17ME4二极管的压降是正温度系数,而FF750R17ME7D和FF900R17ME7二极管的压降在全电流范围均为负温度系数。这样设计的原因是为了优化EC7二极管的反向恢复特性,降低反向恢复损耗,同时也可以降低IGBT的开通损耗。在2-3kHz开关频率的整流或者逆变应用中,由于IGBT的开关损耗和二极管的反向恢复损耗占比较高[4],EC7二极管有助于降低器件的总损耗。与FF600R17ME4相比,即便FF750R17ME7D无法明显降低二极管的导通损耗,甚至FF900R17ME7二极管的导通损耗还略微增加,但是FF750R17ME7D和FF900R17ME7的总损耗比FF600R17ME4明显降低,详见SVG应用仿真部分的分析。
图6.EC4和EC7二极管的正向特性曲线,图表上方的数值为三种器件的Vf值,条件为:Ic=600A,Tvj=150℃
3
IGBT7 EconoDUAL™3模块的新特性
高电流密度的IGBT模块除了需要高电流密度的芯片,还需要增强模块设计,比如提升芯片的工作结温、减小模块内部引线电阻发热和降低功率端子温升,以应对系统高功率密度设计面临的挑战。
3.1
175℃过载工作结温
通过优化EconoDUAL™3模块设计,IGBT7增加了过载结温定义,如图7所示。IGBT7允许的过载结温位于150℃和175℃之间,过载时间小于等于20%过载周期,比如当过载周期T=300秒时,过载持续时间t1不能超过60秒。此外,60秒也是过载持续时间的最大值,比如如果过载周期T=600秒,则t1仍然不能超过60秒。在通用变频器、中高压MVD和SVG等有一分钟及以内过载工况的应用中,与IGBT4相比,IGBT7额外的25℃过载工作结温可以提升器件额定工况对应的工作结温,使过载结温位于150℃到175℃之间,从而增加器件的输出能力和系统的功率密度。
图7.IGBT7和IGBT4允许的工作结温,IGBT7过载结温最高175℃,IGBT4最高结温150℃
3.2
提升交直流功率端子载流能力
模块的输出电流会在交直流功率端子上产生与电流呈平方关系的欧姆损耗,这些损耗一部分通过模块内部的铜连接线传导到DCB,然后通过模块基板传递到散热器。另一部分损耗传递到与功率端子连接的外部铜排,最终功率端子会达到热平衡。如果EconoDUAL™3模块输出更大的电流,功率端子的温升可能会成为系统设计的瓶颈。为此,EconoDUAL™3 IGBT7对模块内部连接DCB和功率端子的结构设计进行了优化。如图8所示,IGBT7增加了模块内部功率端子侧的铜片面积,以便于安装更多的铜连接线,因而IGBT7比IGBT4的铜连接线数量增加了40%。热测试对比表明,在相同工况(模块输出电流550Arms,IGBT开关频率1000Hz)下,1200V EconoDUAL™3 IGBT7的直流端子温度比IGBT4低大约20℃[5]。因为1700V EconoDUAL™3 IGBT7的封装与1200V EconoDUAL™3 IGBT7相同,所以1200V的测试结果也适用于1700V IGBT7。
a.直流功率端子
b.交流功率端子
图8.EconoDUAL™3交直流功率端子与内部DCB的连接图,FF600R17ME4(左),FF900R17ME7(右)
3.3
减小内部引线电阻
模块内部的绑定线、DCB上表面的覆铜层和芯片与DCB之间的焊接层共同组成了模块内部的引线电阻,其等效值为RCC’+EE’,如图9所示。C是IGBT集电极功率端子,C´是IGBT发射极辅助端子,E是IGBT发射极功率端子,E´是IGBT发射极辅助端子。EconoDUAL™3为半桥拓扑,包含两个等效的IGBT和与其并联的续流二极管。每个IGBT和续流二极管各包含一个RCC’+EE’。如表2所示,由于IGBT7优化了模块内部设计,常温下RCC’+EE’为0.8毫欧,比IGBT4的1.1毫欧降低了27.3%,因而可以较大的降低引线电阻的损耗,引线电阻的损耗计算方法可参考文献6[6]。
图9.EconoDUAL™3 IGBT功率端子和等效的内部引线电阻示意图
表2.EconoDUAL™3 IGBT4和IGBT7的内部引线电阻
4
IGBT7和IGBT4仿真分析
4.1
MVD应用仿真分析
如上文分析,在MVD应用中,FF600R17ME4的IGBT导通损耗约占总损耗的56.5%(不包括引线电阻损耗)。因为FF750R17ME7D和FF900R17ME7的IGBT饱和压降均比FF600R17ME4明显降低,所以在相同结温下,FF900R17ME7的输出能力最高,FF600R17ME4最低,FF750R17ME7D介于二者之间。为了简化分析,本部分的仿真主要对比FF900R17ME7和FF600R17ME4。仿真参数见表1,考虑风冷和水冷两种冷却工况,散热器的热阻(针对半个EconoDUAL™3模块)分别为0.15K/W和0.05K/W。对于MVD的过载工况,虽然110%额定电流1分钟过载在风机、水泵类负载中比较普遍,从更严苛的角度考虑,本文的过载工况定为120%额定电流1分钟。
图10为风冷MVD的输出电流和IGBT最高结温的仿真结果,包括额定工况和过载工况。结温为150℃时,两种器件的额定输出电流分别为350A和442A。FF900R17ME7比FF600R17ME4高92A,大约26.3%。过载时,考虑FF900R17ME7具有1分钟的过载结温,当额定输出仍为442A时,过载结温大约为175℃,刚好充分利用了25℃过载结温。为了使FF600R17ME4的过载结温不超过150℃,其额定输出电流需要降低到320A。所以,过载工况时FF900R17ME7的输出比FF600R17ME4高122A,大约38.1%。
与风冷工况类似,图11总结了水冷MVD的仿真结果。结温为150℃时,FF600R17ME4的额定输出电流为570A,FF900R17ME7为721A,比FF600R17ME4高151A,大约26.5%。过载工况时,两种器件的输出电流分别为480A和672A,FF900R17ME7比FF600R17ME4高192A,大约40%。仿真结果表明IGBT7额外的25℃过载结温可以进一步提升FF900R17ME7相对于FF600R17ME4的输出能力。
除了提升器件的输出能力,IGBT7还可以降低器件的总损耗,增加系统的效率。如图12所示,FF900R17ME7一个IGBT和反并联续流二极管的总损耗为297W,比FF600R17ME4的402W低105W,大约26.1%。除了二极管的导通损耗有所增加,其他部分的损耗均有不同程度的降低,体现了IGBT7芯片和EconoDUAL™3封装优化的价值。其中,IGBT的导通损耗降低了51W,IGBT开关损耗降低了26W,二极管开关损耗降低了11W,引线电阻损耗降低了20W。
图10.风冷MVD的输出电流和IGBT最高结温-额定和120%过载1分钟
图11.水冷MVD的输出电流和IGBT最高结温-额定和120%过载1分钟
图12.风冷MVD中FF600R17ME4和FF900R17ME7的损耗(一个IGBT和一个续流二极管),输出电流300A
4.2
SVG应用仿真分析
根据表1中的SVG工作参数,采用与MVD相同的仿真方法、散热器热阻和过载工况,对三种器件进行了对比分析。
图13为风冷SVG的仿真结果。结温为150℃时,FF600R17ME4,FF750R17ME7D和FF900R17ME7的额定输出电流分别为367A,427A和417A。FF750R17ME7D比FF600R17ME4高60A,大约16.3%。FF900R17ME7高50A,大约13.6%。120%过载1分钟时,FF600R17ME4的输出电流为325A。考虑IGBT7的过载结温不能超过175℃,FF750R17ME7D输出电流大约仍为427A,FF900R17ME7大约仍为417A。其分别比FF600R17ME4高102A和92A,大约31.4%和28.3%。
图14为水冷SVG的仿真结果。结温为150℃时,FF600R17ME4,FF750R17ME7D和FF900R17ME7的额定输出电流分别为612A,715A和673A。FF750R17ME7D比FF600R17ME4高103A,大约16.8%。FF900R17ME7高61A,大约10%。FF600R17ME4 120%过载1分钟的输出电流为512A。FF750R17ME7D的输出电流为675A,FF900R17ME7的输出电流为645A。其分别比FF600R17ME4高163A和133A,大约31.8%和26%。分析结果表明,与FF600R17ME4相比,IGBT7 25℃的过载结温为FF750R17ME7D和FF900R17ME7增加了大约15%的输出能力。
如图15所示,FF600R17ME4一个IGBT和续流二极管的总损耗为781W,FF750R17ME7D为608W,FF900R17ME7为607W,它们比FF600R17ME7低大约173W,大约为22.1%。FF750R17ME7D所有的损耗部分均比FF600R17ME4低。FF900R17ME7除了二极管的导通损耗比FF600R17ME4高5W,其它部分的损耗也均低于FF600R17ME4。这部分的分析结果再次验证了上文介绍的IGBT7芯片和EconoDUAL™3封装优化为SVG应用带来的价值。
图13.风冷SVG的输出电流和二极管最高结温-额定和120%过载1分钟
图14.水冷SVG的输出电流和二极管最高结温-额定和120%过载1分钟
图15.水冷SVG中FF600R17ME4,FF750R17ME7D和FF900R17ME7的损耗(一个IGBT和一个续流二极管),输出电流500A
5
结论
本文介绍了英飞凌新一代1700V IGBT7和二极管EC7芯片的特性,并与上一代产品FF600R17ME4进行了详细的静态特性对比。此外,1700V EconoDUAL™3 IGBT7模块优化了内部设计,有助于MVD和SVG系统实现更高的功率密度。基于MVD典型应用工况的仿真结果表明, FF900R17ME7比FF600R17ME4的损耗更低,输出能力更强,可以实现更高的电流密度。在SVG应用中,FF750R17ME7D的损耗和FF900R17ME7相似,输出能力略高于FF900R17ME7,这两款新产品的损耗均比FF600R17ME4低很多,因而可以实现更高的输出能力。本文的仿真结果均基于理想工况,IGBT模块在实际系统中的损耗和输出能力应以实际评估为准。
参考文献
[1] FF600R17ME4, datasheet
[2] FF750R17ME7D_B11, datasheet.
[3] FF900R17M7_B11, datasheet.
[4] Aleksei Gurvich, Philipp Ross, Jan Baurichter, Andreas Schmal, Klaus Vogel. A New Level of Performance: Best-in-Class 900 A and 750 A 1700 V EconoDUAL™ 3 Modules with TRENCHSTOP™ IGBT7, PCIM Europe, Nuremberg, Germany, 2022.
[5] Klaus Vogel, Jan Baurichter, Oliver Lenze, Ulrich Nolten, Alexander Philippou, Philipp Ross, Andreas Schmal, Christoph Urban. New, best-in-class 900-A 1200-V EconoDUAL™ 3 with IGBT 7: highest power density and performance, PCIM Europe, Nuremberg, Germany, 2019.
[6] Heng Wang, Xin Ma, Yong Yang. A benchmark study of the AC voltage in 3L converter for high power offshore wind turbines. PCIM Asia, Shanghai, China, 2022.
扫描上方二维码
欢迎关注微信公众号
【英飞凌工业半导体】

