搞电力电子的同学想必经常被“米勒效应”这个词困扰。米勒效应增加开关延时不说,还可能引起寄生导通,增加器件损耗。那么米勒效应是如何产生的,我们又该如何应对呢?
我们先来看IGBT开通时的典型波形:
上图中,绿色的波形是GE电压,蓝色的波形是CE电压,红色的波形是集电极电流IC。在开通过程中,GE的电压从-10V开始上升,上升至阈值电压后,IGBT导通,开始流过电流,同时CE电压下降。CE电压下降过程中,门极电压不再上升,而是维持在一定的电压平台上,称为米勒平台。在这期间,CE电压完全降至0V。随后GE电压继续上升至15V,至此整个开通过程完成。
IGBT门极电压在开关过程中展现出来的平台称为米勒平台。导致米勒平台的“罪魁祸首”是IGBT 集电极-门极之间寄生电容Cgc。由于半导体设计结构, IGBT内部存在各类寄生电容,如下图所示,可分为栅极-发射极电容、栅极-集电极电容和集电极-发射极电容。其中门极与集电极(or漏极)之间的电容就是米勒电容,又叫转移电容,即下图中的C2、C5。
IGBT的寄生电容
在IGBT桥式应用中,如果关断没有负压,或者开关速度过快,米勒电容可能会导致寄生导通。如下图,两个IGBT组成一个半桥,上下管交替开通关断,两个管子不允许同时导通,否则不仅会增加系统损耗,还可能导致失效。当下管IGBT开通时,负载电流从下管流过,CE间电压从母线电压降至饱和电压Vcesat。而此时,上管IGBT必须关断,CE间电压从饱和电压跳变到母线电压。上管电压的从低到高跳变,产生很大的电压变化率dv/dt。dv/dt作用在上管米勒电容上,产生位移电流。位移电流经过门极电阻回到地,引起门极电压抬升。如果门极电压高于阈值电压Vth,则上管的IGBT会再次导通,并流过电流,增加系统损耗。
✦+
+
怎么判断是否发生了寄生导通呢?
一个实验帮助理解和观察寄生导通。在双脉冲测试平台中,让上管在0V和-5V的关断电压条件下,分别作两次测试,观察下管的开通波形。当Vgs=-5V时,下管开通电流的包裹面积,明显小于当Vge=0V时的电流包裹面积,充分说明,当Vge=0V时,有额外的电流参与了开通过程。这个电流,就是来自于上管的寄生导通。
✦+
+
如何避免寄生导通?
从器件角度看,有几个重要的参数:
1
低米勒电容 - 米勒电容越小,相同的dv/dt下,位移电流越小。这一点,英飞凌IGBT7和CoolSiC™ MOSFET尤其出色。以FP25R12W1T7为例,它的米勒电容Crss仅有0.017nF,相比同电流IGBT4的0.05nF,减少了近2/3。
2
高阈值电压 - 阈值电压如果太低,米勒效应感应出的寄生电压就很容易超过阈值,从而引起寄生导通。这一条对于IGBT不是问题,绝大部分IGBT的阈值在5~6V之间,有一定的抗寄生导通能力。但SiC MOSFET不一样,因为SiC MOSFET沟道迁移率比较低,大部分SiC MOSFET会把阈值做得比较低(2~4V),这样虽然可以提高门极有效过驱动电压Vgs-Vth,进而降低SiC MOSFET的通态电阻,但是米勒效应引起的门极电压抬升就很容易超过阈值电压,这一现象在高温时尤其明显,因为阈值电压随温度上升而下降。英飞凌CoolSiC™ MOSFET因为采用了沟槽型结构,垂直晶面的沟道迁移率较高,所以可以把阈值做得高一点,而不影响其通态压降。CoolSiC™ MOSFET阈值电压典型值 为4.5V,再加上极低的米勒电容,从而具有非常强的抗寄生导通能力。
从驱动的角度看:
1
使用负压关断。如果米勒电容引起的门极电压抬升是7V,叠加在-5V的关断电压条件下,门极实际电压为2V,小于阈值电压,不会发生寄生导通。而如果0V关断的话,可想而知门极实际电压就是7V,寄生导通将无法避免。一般电流越大,需要的负压越深。
2
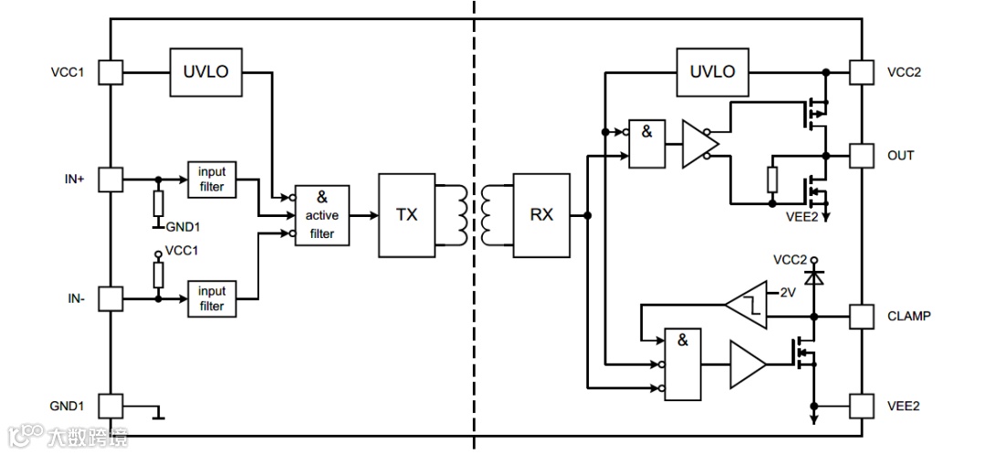
使用带米勒钳位的驱动芯片。米勒钳位的原理是,在IGBT处于关断状态(Vg-VEE低于2V)时,直接用一个低阻通路(MOSFET)将IGBT的门极连接到地,当位移电流出现时,将直接通过MOSFET流到地,不流过门极电阻,自然也就不会抬升门极电压,从而避免了寄生导通。

3
开通与关断电阻分开。寄生导通发生时,位移电流流过关断电阻,从而抬升了门极电压。如果减小关断的门极电阻,则可以降低门极感应电压,从而减少寄生导通的风险。
总 结
总结一下,功率器件中的米勒效应来自于IGBT或MOSFET 结构中的门极—集电极/漏极之间寄生电容Cgc 或Cgd。米勒电容可能会引起寄生导通,从而导致系统损耗上升。抑制米勒寄生导通,要注意选择具有较低米勒电容,或者是较高阈值电压的器件,驱动设计上可以选择负压驱动、米勒钳位、开通及关断电阻分开等多种方式。
参考阅读
IGBT驱动电路中的钳位电路
分立式CoolSiC™MOSFET的寄生导通行为研究
IGBT门极驱动到底要不要负压
欢迎关注微信公众号
【英飞凌工业半导体】

