+ + + + + + + + + + +
IGBT是大家常用的开关功率器件,本文基于英飞凌单管IGBT的数据手册,对手册中的一些关键参数和图表进行解释说明,用户可以了解各参数的背景信息,以便合理地使用IGBT。
在上篇《IGBT单管数据手册参数解析——上》中,我们介绍了IGBT的命名、最大额定值及静态参数。今天我们介绍动态特性、开关特性及其它参数。
+ + + + +
“
4.动态特性
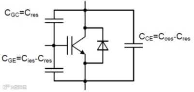
输入电容,输出电容和反向传输电容Cies,Coes和Cres
输入电容Cies,是Cres同CGE之和,是设计驱动的一个关键参数。它在每个开关周期进行充电和放电,它定义了栅极驱动损耗。另一方面,CGE减少了在半桥拓扑中由于电流流过电容Cres而导致的寄生导通的风险。
输出电容Coes,是Cres同CCE之和。它对EMI有很大的影响,它影响集电极-发射极的dV/dt。
反向传输电容Cres,也称为米勒电容,它决定了IGBT开关时电流和电压之间的交叉时间,影响着开关损耗。Cres/CGE对集电极-发射极的dV/dt和VGE之间的耦合效应有很大影响,降低该比率可实现快速开关能力,并避免器件不必要的寄生导通。
栅极电荷QG
栅极电荷描述了驱动栅极电压VGE到一定值(通常是15V)所需的电荷量。它是驱动损耗的主要因素,并影响到整个驱动电路的设计。驱动损耗可以通过以下公式得出。
上图显示了典型的栅极电荷曲线,从曲线中可以得到驱动VGE到某一数值所需的QG值。QG是负载电流和集电极-发射极电压的一个函数。通常情况下,它是针对IC的额定值和不同的VCE值绘制的。
内部发射极电感LE
LE是总换流回路电感的一部分,它通常同关断电压过冲和开关损耗有关。因此,该值需要尽量的小,特别是对于在高开关频率下运行的IGBT。
注意:内部发射极电感上的电压降无法从外部测量,但在考虑最大关断电压过冲时,需要考虑这部分电压。
“
5.开关特性
开关性能在很大程度上取决于几个因素,例如:集电极电流、集电极-发射极电压、温度、外部栅极电阻以及电路板设计和寄生参数,特别是电感和电容。因此,在不同制造商的零件之间根据数据手册的数值进行直接比较可能不是一个正确的比较。因此,强烈建议通过应用测试和适当的表征来评估这些器件。
下述这些参数通常根据国际标准的定义进行测量和评估,如JEDEC或IEC60747-(2007)。
t(d)on:从VGE的10%到IC的10%
tr:从IC的10%到IC的90%
t(d)off:从VGE的90%到IC的90%
tf:从IC的90%到IC的10%
其中VGE是栅极电压,IC是集电极电流。
开关损耗Eon和Eoff是IGBT开关期间VCE和IC乘积的积分,IGBT的拖尾效应也需考虑在内。
遵循IEC标准,Eon和Eoff定义如下:
Eon:tsw从10%的VGE开始,到2%的VCE结束。
Eoff:tsw从90%的VGE开始,到2%的IC结束。
Ets:总开关损耗,是Eon和Eoff之和。
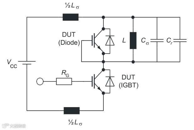
通常情况下,用作测量Eon和Eoff的测试装置如下图示,上管IGBT同下管被测IGBT是相同的,即下管被测IGBT关断后,是由同样规格的上管IGBT的反并二极管做续流。
对于用于谐振应用的IGBT(电磁炉、变频微波炉、工业焊机、电池充电),在数据手册中只包含关断参数的值。之所以这样做,是因为这些器件在开通时通常以软开关方式工作,因此开通参数的值没有用。
下图是IHW40N120R5的数据手册。
对于共封装带续流二极管和逆导型IGBT(IKx和IHx),反并联续流二极管的电气特性也在数据手册中定义。
反向恢复时间trr和反向恢复电荷Qrr
反向恢复电流峰值Irrm
在规定的时间内,反向恢复电流的峰值下降率dIrr/dt
反向恢复损耗Erec
由于反并联二极管在应用中经常充当续流二极管,它的恢复特性对IGBT的开通非常重要,特别是在高开关频率应用中,其性能受到二极管正向电流IF、正向电流变化率dIF/dt以及工作温度的强烈影响。
“
6.其他参数
输出特性
输出特性表示电压VCE是IC的函数,它通常在几个不同栅极电压VGE下给出。这些曲线取决于结温,因此在数据表中提供了两张图,一张是在室温25°C时;另一个是在高温150°C或175°C时。
如果栅极电压VGE设置在10V以下,负载电流会在某一数值上趋于饱和。为了避免IGBT的饱和,也就是所谓的线性工作区,建议VGE电压至少为15V。
快速开关器件通常具有较高的跨导。因此,较低的驱动电压如+12V也可以考虑,主要是为了实现以下好处。
1.增加短路耐受时间以提高可靠性
2.减少IGBT关断时的电压过冲现象
3.减少在高频率下运行的栅极驱动器的驱动损耗
也应考虑较低栅极电压的缺点:较高的导通损耗和较高的开关损耗。
短路耐受时间tSC
tSC定义了IGBT在短路条件下可以承受的,不发生故障的时间。它是在结温150°C或175°C,栅极电压VGE=+15V和一定的母线电压VCC的情况下定义的。该参数的母线电压通常对于600V/650V的器件是400V,对于1200V的器件是600V。
典型的Ⅰ类短路(指器件在开通前就已经短路)波形如下图示:
集电极电流在母线电压和环路电感的影响下迅速上升。之后,它保持在特定栅极电压下的饱和电流值附近。IGBT上的电压降与母线电压相同。因此,在芯片中产生了巨大的功率损耗,导致结温快速上升。尽管由于较高的结温,电流略有下降,但功率损耗是非常高的,并会损坏芯片。为了避免IGBT的损坏,在短路过程中,有必要对IGBT进行相应的保护。
一般来说,短路耐受时间因技术而异,它表明了IGBT的耐受程度。请注意,它通常是技术权衡优化的结果。更高的短路耐受时间是通过限制载流子密度以及IGBT的跨导来获得的。但这将降低开关和导通性能。
短路电流ISC
短路电流是为有短路能力的IGBT定义的。
在数据手册中,下图显示了ISC和tSC与栅极电VGE的关系。对于较高的VGE,ISC会增加,而tSC反而会减少,这与输出特性有关。
安全工作区(SOA)
请参考👉👉IGBT安全工作区(SOA)知多少
参考阅读
英飞凌IGBT单管命名规则
视频 | 资深工程师详解英飞凌IGBT模块技术参数
IGBT的电流是如何定义的
扫描上方二维码
欢迎关注微信公众号
【英飞凌工业半导体】

