/ 引言 /
英飞凌TRENCHSTOP™ IGBT7系列单管具有两种电压等级(650V&1200V)和三个系列(T7,S7,H7)。其中,H7系列单管针对光储、UPS、EV charger、焊机等应用进行了专门的优化,并配备了全电流EC7 rapid二极管。凭借极低的开关损耗、导通损耗和丰富的产品系列,H7单管正在成为光伏和储能应用的新星。
“
产品特点
按照应用需求去定义产品,去掉短路能力从而获得更低的开关损耗和导通损耗,如图1所示。完美适配于不需要短路能力的光储等应用。
1200V H7系列有四种封装,电流规格覆盖40A-140A。其中140A的电流规格为市场首发,如图2所示。而英飞凌上一代1200V 高速单管HIGHSPEED3 H3的最大电流规格仅为75A。
1200V H7全系列配置全电流规格的EC7 Rapid二极管,适配整流工况。
更强的防潮和抗宇宙射线能力。
图1 英飞凌不同1200V单管的开关损耗和导通损耗对比
“
产品系列
图2 1200V H7单管产品系列
标注:TO247-4pin assymetric为开尔文引脚、栅极引脚变细的TO247-4封装,有助于避免连锡、加强绝缘性能。
TRENCHSTOP™ IGBT7 H7
与HIGHSPEED H3对比
1200V HIGHSPEED3 H3 IGBT针对高频应用进行了优化,具有很短的拖尾电流和很小的关断损耗;因为采用了TRENCHSTOP™技术,其导通损耗也很低。因此,H3单管广泛应用于光伏、储能、UPS等领域。而1200V H7单管更近一步,表现出更优越的性能。
下图为IKW40N120H3和IKW40N120CH7的在相同条件下的双脉冲测试结果:
测试电压:600V
测试电流:20A
测试温度:室温25°C
栅极电阻:10Ω
左右滑动查看更多
分析双脉冲结果可见,H7系列单管具有更快的开关速度,而且其开通损耗比H3降低22.4%,关断损耗降低了34.5%,且具有更短的拖尾电流。另外,规格书显示,IKW40N120H7的Vce(sat)比IKW40N120CH3低25.9%。
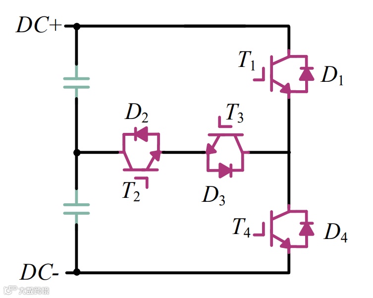
由双脉冲结果可知,1200V H7单管适用于光储中的Boost、T型三电平、DCDC等高开关频率拓扑。下面以T型三电平为例,通过PLECS软件和英飞凌官网提供的PLECS模型进行仿真:
图7 仿真拓扑:T型三电平
工况:20kW、10%过载、Vout=380V、PF=1、fsw=18kHz、风冷
在相同工况下,H7单管的导通损耗略低于H3,开关损耗降低接近一半,较低的总损耗会使得散热器的温度降低。但H7芯片的面积比H3小,导致的较大热阻不利于结温的降低,尽管如此,H7单管的结温仍然比H3单管低13.8°C。也就是说,可以用H7单管代替之前设计中的同电流规格H3单管,并获得更高的结温裕量。
随着1200V H7单管电流规格的增大,其芯片面积增大,热阻降低,带来更好的性能。下面使用75A规格的IKQ75N120CH7与100A规格的IKQ100N120CH7分别应用于30kW和40kW的T型三电平拓扑进行仿真。
工况:30kW、10%过载、380V输出、PF=1、fsw=18kHz、风冷
工况:40kW、10%过载、Vout=380V输出、PF=1、fsw=16kHz、风冷
可见,可以通过单颗大电流单管进行更高功率逆变器的设计,但是需要合理的散热来解决单颗TO247PLUS封装上高达80W的功耗。值得一提的是:对大电流的单管,降低其Rth(c-h)将获得更大的收益。因为大电流单管的Rth(c-h)占有更大比例。
1200V H7单管在光伏和储能系统中的应用
1200V H7系列单管完美适用于T型三电平的竖管。通常情况下,T型三电平的直流母线在700-850V之间,竖管需要选用1200V耐压的IGBT;逆变器开关频率通常较高,同时其工作原理决定了开关损耗占比较大,所以竖管需要具有低的开关损耗;光伏逆变器要求支持±0.8的功率因数,储能逆变器要求达到-1的功率因数,1200V H7系列单管配置的全电流规格EC7 Rapid二极管可以处理这种整流工况。为了增大IGBT出电流能力,50A至140A的1200V H7单管提供TO247PLUS封装,在装载更大面积芯片的同时提供了比TO247封装具有更大的散热焊盘。
图8 TO247-3 VS TO247PLUS-3
当下,光伏逆变器降本压力增大,越来越多的光伏逆变器企业开始尝试100kW及以上逆变器的大电流单管并联解决方案。目前,英飞凌1200V H7单管的100A、120A、140A规格是其竖管的最优解决方案。通过仿真和热测试的评估发现,两并联或三并联方案配合良好的散热设计,1200V H7系列单管可以轻松实现100kW+的逆变器。
值得一提的是,对TO247PLUS-4封装的单管,由于开尔文射极的存在,驱动回路电感减小,开关速度增快;同芯片技术、同电流规格时,其开关损耗比TO247PLUS-3降低20%。这对光伏逆变器厂家冲击更高功率规格的逆变器提供巨大帮助。但增快的开关速度会增大IGBT的关断电压尖峰,需要注意功率回路杂感的优化。
“
总结
► 英飞凌1200V TRENCHSTOP7™ IGBT7 H7系列单管具有多种电流规格、丰富的封装形式、极低的开关损耗、导通损耗,是光储应用中的优选型号。
► 相较于英飞凌上一代1200V H3单管,H7单管具有更好的表现,同电流规格的单管可以实现更大功率的机型。
► 多颗大电流H7单管并联可以实现100kW及以上逆变器。
► 大电流单管应用中降低Rth(c-h)会获得更大收益。
参考阅读
新品 | 1200V TRENCHSTOP™ IGBT7 H7
英飞凌芯片简史
用数据看TO-247封装单管开尔文管脚的重要性
扫描上方二维码
欢迎关注微信公众号
【英飞凌工业半导体】

