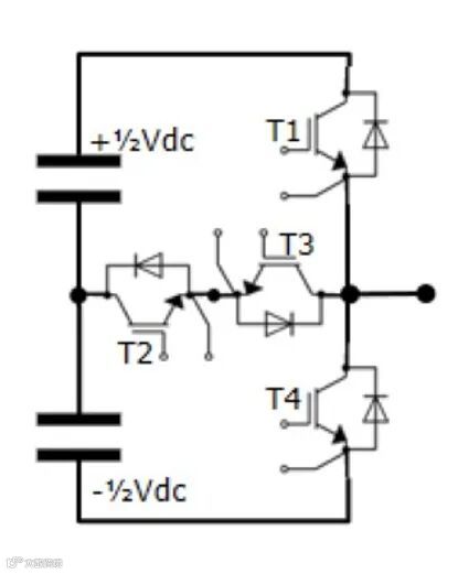
我们以横管T2/3采用50A 650V H5 IGBT IKW50N65H5,竖管T1/4为40A 1200V S6 IGBT IKW40N120CS6为例子。
当市电异常时,逆变器启动保护机制,如下图,从波形上看,T1与T2同时开始关断,但因为H5芯片开关速度天然比CS6快很多,即使在关断电阻T2>T1的情况下(T2 Rg=40ohm,T1 Rg=20ohm),T1的Vge下降速度依然比T2的Vge下降速度要慢,T2先关断。从波形上看,T2的Vce电压平台维持在780Vdc附近,持续了50us。对于800V母线系统,NPC2拓扑,横管最好用650V器件,其损耗比1200V低,但780V的电压平台已经远远超过器件的最大CE耐压。虽然下面波形图的管子还没有损坏,但是这在设计中绝对不允许的,需要把电压降低至合理的水平。
对于这种情况,可能的原因是,线路上杂散电容Cs(或者RC吸收电路上的电容Cs)的电荷无法释放造成。
如上图,Cs模拟杂散电容(或者RC吸收电容),以正半周为例,T2比T1先关断:
左图T1,T2开通T3的电容(Cs)会被充电,电压在+Bus,中图当T2先关断时,Cs的电荷的泄放回路被切断,Cs电压会维持在+Bus,右图当T1关断时,输出电感电流通过T4的二极管续流,AC输出的点会被嵌位到-Bus。从而T2 CE两端电压会在+Bus和-Bus之间,总电压会是2倍Bus,远超横管常用的1倍Bus电压的器件选型。
如果,改变T1,T2的关断时序,T1比T2先关断:
如上图,左图,T1开通时,Cs电压为+Bus。中图,当T1先关断,因为T2还在开通,电感在续流情况下,电流会从中点流向AC输出端,Cs电容上的电压会被释放掉至0。右图,当T2关断时,电流通过T4二极管续流,AC输出端被嵌位在-Bus。在T2CE两端的电压为0和-Bus。总电压是1倍Bus电压。与第一种情况相对,T2上电压会减少一半。T2没有过压的风险。
仿真验证:
以PLECS仿真软件,搭建上图的线路。以T2先于T1关断,和T2延后T1关断两种情况来进行仿真。
上图当T2比T1先关断,三通道T2 Vce=800V.
上图当T1比T2先关断,三通道T2 Vce=400V.
实验验证:
第二次测试,减小T1 Rg=10ohm,维持T2 Rg=40ohm,从下面的波形可以看出,T1Vge下降速度比T2Vge下降速度要快,T1比T2先关断,T2 Vce电压平台会维持在390Vdc附近,大约为1/2母线电压。可以得知此方法对减少T2过压有很好的效果。
从上述的分析和实验可知,当横管杂散电容较大(或有RC吸收电路)时,在市电异常或者逆变器系统故障时,逆变器需要加入横管的延时关断策略,以减少横管过压的风险发生。
参考阅读
IGBT集电极电压超过额定电压会发生什么?
如何基于通用半桥模块来设计三电平变流器
高效率、高可靠性——大功率T型三电平IGBT方案
扫描上方二维码
欢迎关注微信公众号
【英飞凌工业半导体】

