功率器件可靠性基础
功率器件的结温(Tvj)波动与功率循环(PC)寿命,一直是工业界与学术界讨论的重点。在轨道牵引、风力发电(发电侧低频)、电梯变频、和电动汽车主驱等应用中,相关的研究已持续了几十年,相关的标准与测试方法也趋于成熟。
功率循环(PC)寿命的本质,其实是功率器件内的不同封装材料,在温度变化时,由于自身CTE不匹配而产生的彼此机械应力与疲劳损伤,进而产生材料间的分离和功率器件电气失效等现象,如绑定线与DCB分离、绑定线与芯片上表面分开、芯片与DCB焊料分层、DCB与铜基板之间焊料退化等等,如图1。
图1:功率模块功率循环PC寿命对应的可能失效位置示意图
因此,功率器件自身的功率循环(PC)能力,和实际加载的温度变化大小,共同决定了器件在应用中功率循环(PC)寿命的多少。
不同的芯片和封装材料及其工艺,对功率器件的功率循环(PC)能力有着非常显著的影响。为了表征,功率器件的功率循环(PC)能力,器件厂家一般会提供相应产品的PC曲线或拟合公式,便于计算不同工况下的器件PC寿命。
因此,英飞凌有一篇专门的应用笔记,介绍了如何利用PC曲线进行PC寿命(次数)计算的基本思路,如图2。
图2:英飞凌关于PC和TC的AN
以上述应用笔记中IGBT模块的PC曲线及其PC寿命计算为例,如图3所示,典型IGBT功率模块的PC曲线,及其Ton时间的折算曲线,通过实际应用中IGBT的结温Tvj波动(Tvjmax和ΔTvj),再根据Tvj波动周期进行Ton时间的折算,就可以得到单点工况的PC次数。复杂工况可以通过加权平均或者雨流法等复杂算法,算出总的PC次数及其对应的时间,即所谓的PC寿命。计算的思路比较简单,如果没有PC曲线,有对应的PC拟合公式,同样可以进行上述PC寿命计算。
图3:典型IGBT模块的PC曲线和Ton折算曲线
此处,需要特别说明两点:一是,不同的PC测试方法,会得到不同的PC测试结果曲线,而不同器件厂家的PC测试方法可能是不同的(英飞凌的测试方法是业内最严酷的,如图4)。因此,以车规模块的AQG324可靠性标准为例,详细规定了PC的测试方法(统一测试条件),以公平地对比不同器件的PC能力表现。二是,同样的器件,失效概率(Failure Probability)不同,则PC曲线也不同。英飞凌一般按默认5%(业内标杆),而有些器件厂家可能是10%。
图4:不同的PC测试方法对PC测试结果的影响
以上,我们介绍了功率器件(IGBT模块)可靠性的基础。针对OBC应用中的单管(Si或SiC)器件,上述思路同样适应,只是相应的器件PC曲线稍有差异,再增加一些针对单管特性的额外参数折算等而已,相关细节,我们会在下一篇的具体案例中分析与讨论。
OBC应用与PFC拓扑
车载OBC产品复杂度高,在OBC产品设计应用中,要实现其高功率密度、高可靠性、高效率、高性价比等核心指标的优化与平衡。为了满足电网AC侧输入功率因素和谐波的要求,和DCDC的宽电压/负载范围,通常OBC采用一级独立的功率因素矫正(PFC)电路,典型的车载OBC系统架构如图5所示。PFC级通过矫正输入AC电流,保持和输入电压同相位的交流正弦波,在实现高功率因素的同时,功率器件流过同频率的脉动电流,功率损耗呈现脉动形式,带来比较大的结温Tvj波动(ΔTvj)。如上节所述,功率器件的结温(Tvj)波动与功率循环(PC)寿命密切相关,设计车载OBC产品,评估功率器件PC寿命,不可避免需要分析功率器件的结温波动带来的影响,这对车载OBC的长期可靠性评估尤为重要,这个话题也得到了业界越来越多的关注和重视。
图5:OBC产品结构示意图
目前主流的OBC拓扑,一般分为非隔离AC/DC的PFC(如单/双向图腾柱PFC,或两电平B6等)和隔离DC/DC的谐振电路(如LLC, CLLC, DAB等)两部分。按PFC接入电网的制式(单相或三相或多相兼容)、电池能量单向或双向、电池电压400V或800V,结合系统性能与成本指标等要求,具体的拓扑方案及器件选型都会有所不同。
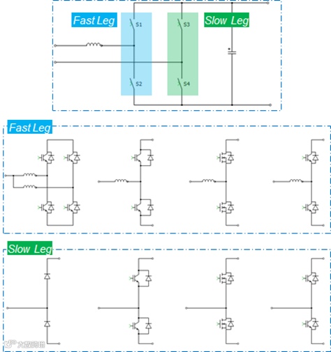
以单相功率6.6kW的OBC 为例,下图是PFC的几种常见拓扑组合,如图6所示。
在单相图腾柱PFC的快管位置:既有两路IGBT单管交错,也有单路SiC MOSFET单管,或是单路混合型SiC单管(Si/IGBT+SiC/SBD)等,基于不同的功率器件特性,常见的开关频率fsw从40kHz ~ 100kHz不等。
在单相图腾柱PFC的慢管位置:有单向充电的二极管,也有V2X双向需求的IGBT单管或者Si MOSFET单管方案。
图6:单相6.6kW OBC PFC常见拓扑组合
如图7,在单/三相电网兼容的11kW OBC PFC中,基本以1200V SiC MOEFET单管的方案为主,在三相电网充放电时,以三相全桥B6拓扑运行,在单相电网充放电或者V2L时,可选其中一组桥臂作为慢管工作,其他桥臂交错或并联作为快管工作。
图7:单/三相兼容的11kW OBC PFC(3线/4线)常见拓扑
因此,在OBC应用中的PFC拓扑,主流就是单相图腾柱PFC和三相全桥B6这两种。
车规功率器件在单相图腾柱拓扑中的损耗分析与Tvj波动
如图8,基于PLECS软件,我们搭建了简单的单相图腾柱电路,结合英飞凌官网的车规器件PLECS模型,进行了器件损耗与Tvj波动的仿真。
以单相6.6kW充电工况为例,仿真Setup如下:
快管位置(T1/T2/D1/D2):Si/IGBT/F5/650V/50A + SiC/SBD/650V/30A
慢管位置(Q3/Q4):Si/CoolMOS/650V/50mOhm
开关频率fsw:60kHz
电网电压和电流:220Vac/32Arms
母线电压:420Vdc
图8:单相6.6kW图腾柱PFC示意图
图9:电网电压(V)和电流(A)及其驱动信号(T1/T2为快管、Q3/Q4为慢管)
图10:快管(T1/D1)和慢管(Q3)损耗(W)波形与电网电流(A)的波形
如图9和图10所示,快管T1/D1属于高频硬开关,慢管Q3只是工频导通。所以,快管的器件功率损耗包含开关损耗和导通损耗,而慢管的器件功率损耗只有导通损耗。再加上器件自身的瞬态热阻Zthjc,以及器件外围的热阻与水温等,就可以得到功率器件的结温Tvj波动,如图11所示:
图11:快管(T1/D1)和慢管(Q3)的结温Tvj(̊C)波动和输入电流Iin_ac(A)
由图11,无论快管还是慢管,都存在50Hz的结温Tvj波动。结合前面的仿真分析可知,快管位置T1/D1的损耗及结温Tvj波动的影响因素,和慢管位置Q3的情况是不同的,如图12所示:
快管T1(以IGBT为例)的结温Tvj波动,相关的影响因素较多,包括PFC系统参数、器件自身特性(开关特性、导通特性、热阻特性)、及其换流FWD特性等,即相同器件下的可调节的自由度或可优化的空间较大。
慢管Q3(以CoolMOS为例)的结温Tvj波动,几乎只与Rdson和热阻Zthjc相关。
快管D1如果采用SiC/SBD,考虑到Erec很小,则情况与慢管Q3非常类似,也几乎只与SiC/SBD电流规格和热阻Zthjc相关。
图12:快管(T1/D1)和慢管(Q3)的结温Tvj波动的影响因素
总结
综上所述,文章简要回顾了功率器件的PC寿命可靠性、分析了OBC中PFC主流拓扑、和仿真了图腾柱PFC的损耗和结温Tvj波动。那么,在实际OBC应用中,如果结合英飞凌的车规产品,进行结温Tvj波动的计算与PC寿命评估及其注意事项等,我们将在后续篇章中逐步深入与展开。
专题系列、后续内容预告:
英飞凌最新.XT技术与新产品,对Zthjc和Tvj波动的定量优化
英飞凌单管的PC失效机理、PC曲线特点及其应用注意事项
举例分析:6.6kW/11kW OBC中PFC车规单管的PC寿命评估
当前车规单管在OBC/PFC的PC寿命评估中的总结与展望
敬请期待!
扫描上方二维码
欢迎关注微信公众号
【英飞凌工业半导体】

