随着电力电子技术和半导体的发展,固态变压器(Solid-state transformer,SST)的应用发展日趋成熟。固态变压器也称为电力电子变压器(Power Electronic Transformer,PET),通过电力电子技术实现传统变压器的功能。除了基本的电气隔离和电压转换的功能,固态变压器还可以实现无功补偿、功率调节与控制以及多端口接入等功能。
固态变压器使用高频变压器实现隔离功能,可以大幅度减小变压器的重量和体积。由于电力电子器件可以实现高度的可控性,因此可以在提高电网供电质量的同时减少对电网的谐波污染。灵活的拓扑方式还为固态变压器提供了交流和直流的接口,便于不同应用的并网连接。安全可靠的通信连接也为固态变压器对于配电网或者微网的协调控制提供了保障。特别是随着可再生能源,储能和电动汽车的迅猛发展,部分区域或者工业园区的微网连接为固态变压器的发展提供了更加强烈的需求。
除了配电网微网的应用,固态变压器也可以用在机车牵引的场合,提供更加灵活可靠的能源变换。
关键应用及基本架构
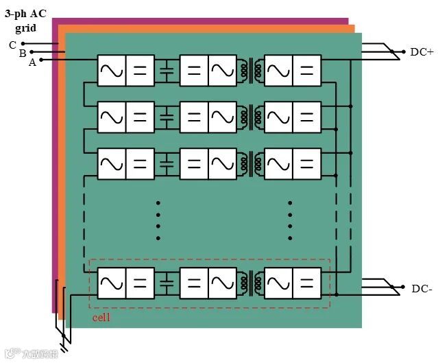
以目前常见的光储充一体的10kV直挂低压配电网为例,其基本的架构如图1所示。
图1:10kV固态变压器直挂光储充微网架构
其中,固态变压器内部常见的架构为级联H桥,如图2所示。目前常见的功率器件电压等级偏低,少量高压的IGBT器件由于损耗大,开关频率低等问题,不适合应用于固态变压器的应用场合。因此通过级联的方式,可以减少每个单元的AC输入电压,使用1200V的功率器件实现10kV的电网交流输入。常见的固态变压器功率等级为1MW或更高,通常采用30~60kW的子模块级联得到。
除此之外,模块化多电平(modular multilevel converter,MMC)也是可行的方案,但是存在分布电容数量多,电容电压平衡复杂等问题。
图2:级联H桥拓扑结构
在级联H桥拓扑结构中,ACDC变换器需要实现PFC功能,两电平的全桥拓扑、Buck/boost电路以及整流桥都比较常见,而母线电压较高时常采用三电平NPC。目前英飞凌有2kV的SiC MOSFET产品,也可以在高母线电压的情况下使用两电平结构,简化电路拓扑和控制,如图3所示。
a.I型三电平ACDC变换器拓扑
b.两电平ACDC变换器拓扑
图3:固态变压器中高直流母线ACDC变换器拓扑
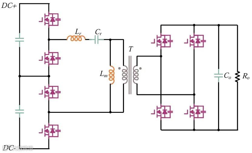
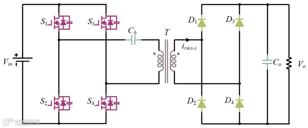
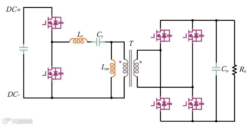
对于变压器原副边的隔离DCDC变换器,常常采用LLC/CLLC或者DAB的拓扑(图4)。其中,LLC和CLLC的谐振拓扑由于可以实现功率开关管的ZVS,减小开关损耗,因此开关频率得到进一步提升,对于高频变压器以及其他无源器件的容量和体积减小起到进一步的推动作用。对于双向的固态变压器,副边采用MOSFET实现主动变换,在整流的工况下采用同步整流的方式进一步减小损耗。对于单向的固态变压器,副边可以采用二极管整流桥实现整流,进一步降低成本。
a. 副边二极管拓扑的单向LLC
b. 副边MOSFET拓扑的双向CLLC
c. 副边二极管拓扑的单向DAB
图4:固态变压器中隔离DCDC变换器拓扑
SiC器件在固态变压器挑战及机遇
由于本身功率大,以及多级的变换器架构带来更多的损耗,固态变压器的效率是其应用的重点。相较于传统的Si器件,采用SiC,GaN等宽禁带器件可以降低开关损耗和导通损耗,进一步提升系统的开关频率,优化系统的性能表现。更高的开关频率会带来更小的电压电流波动,因此可以减小变压器、电容等无源器件的体积,实现更高的功率密度。
本文以60kW的SST子单元DCDC变换器为例进行评估。子单元功率为60kW,输入电压为1500VDC,输出电压为800VDC。在10kV电网电压的SST系统中,每相由8个SST子单元级联而成,三相的整体功率为1.5MW。图5给出了功率为1500V母线电压系统分别使用1200V IGBT和1200V SiC MOSFET的解决方案和效率对比。评估过程选用英飞凌最新的IGBT7系列的快速开关管IKY50N120CH7和电流等级接近的CoolSiC™ IMZA120R014M1H进行对比。在相同的电路条件下,开关频率为谐振频率的工况下,SiC MOSFET可以带来更低的损耗和更高的结温。此时器件的开关损耗小,如果开关频率偏移谐振频率,功率器件的关断损耗占比更大,SiC MOSFET的优势也更加明显。因此,使用SiC MOSFET,可以进一步提升变换器的开关频率,从而减小无源器件的体积,提高系统的功率密度。
a. 1200V IGBT/SiC MOSFET电路拓扑和仿真条件
b. 1200V器件仿真波形
c. 1200V IGBT/SiC MOSFET仿真结果对比
图5:1500V 母线系统IGBT和SiC MOSFET解决方案对比
同时,对于固态断路器而言,更高耐压的功率器件可以大幅度降低固态变压器中级联单元的数量,从而提高功率密度,降低控制的复杂度。
为了减小级联数量,需要提升每个单元的电压等级,比如将电网电压整流后的DC母线电压从800V提升为1500V。由于母线电压提高,对于隔离的DCDC变换器提出了更高的要求。为了满足1500V的母线系统,可以采用器件串联的方式,多电平的拓扑或者使用更高电压的功率器件。综合考虑执行难度和性价比,更高耐压的功率器件是实现高母线电压,减小级联数量的最有方式。
采用Infineon最新的2kV SiC MOSFET产品可以简化电路拓扑,优化电路结构,减少配套电路的数量,降低控制的复杂度。图66所示,是母线电压1500V的DCDC变换器使用1200V SiC MOSFET和2kV SiC MOSFET的半桥解决方案。
a. 1200V SiC MOSFET解决方案
b. 2kV SiC MOSFET解决方案
图6:1500V系统的不同器件解决方案对比
使用2kV SiC MOSFET替代1200V SiC MOSFET,以60kW的子单元系统为例,SST系统中DCDC变换器原边的SiC器件数量从96个减小为48个,为之前的一半。级联H桥拓扑中,功率开关器件数量多,对于固态变压器整体的体积和重量都产生了一定的负担。更高耐压的器件带来更少的器件数目,为整体的布局优化和功率密度的提升提供了可能。虽然对于单个器件而言,2kV的SiC MOSFET损耗可能偏高,但是由于简化的电路结构,更少的器件数量,整个系统的损耗、成本、体积等都会得到改善。
相较于传统的工频变压器,固态变压器解决了体积和重量的问题,同时还可以实现电网质量改善、系统稳定性提高,具有灵活适应性强等多种优势。宽禁带器件的应用,可以进一步提升固态变压器的性能和功率密度,在减小器件数量的同时还可以优化控制逻辑,降低损耗和结温。宽禁带器件会成为未来固态变压器应用的主流器件。
参考阅读
具备出色稳定性的CoolSiC™ MOSFET M1H
SiC MOSFET真的有必要使用沟槽栅吗
增强型M1H CoolSiC™ MOSFET的技术解析及可靠性考量
扫描上方二维码
欢迎关注微信公众号
【英飞凌工业半导体】

